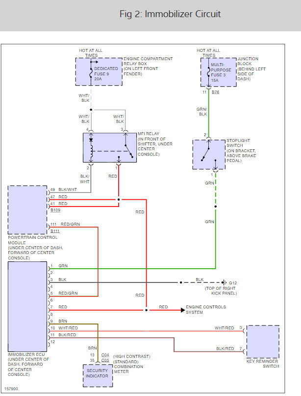
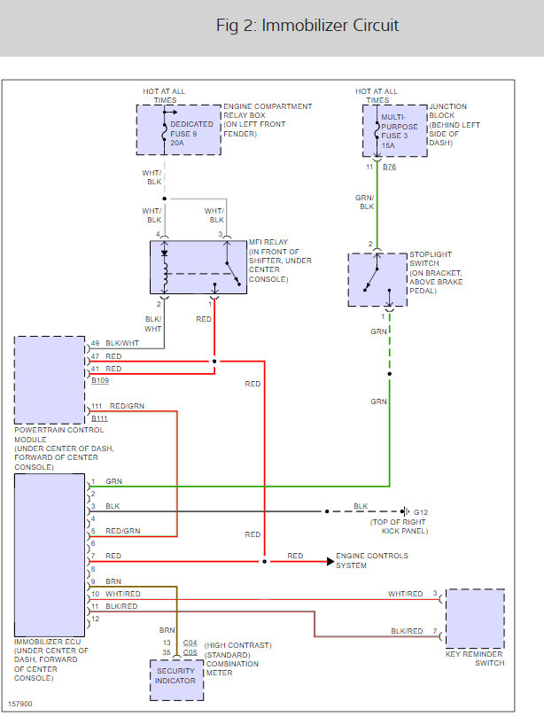
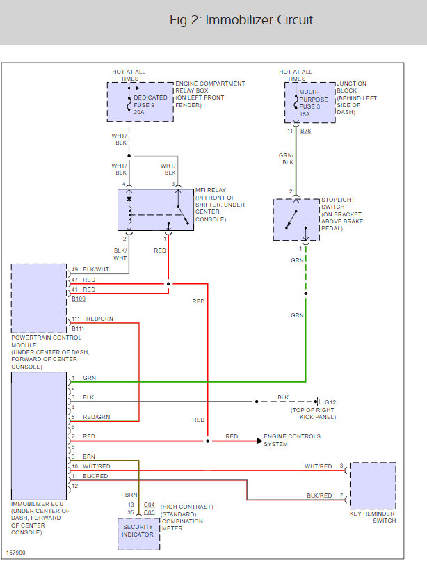
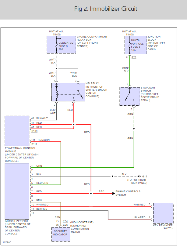
In reading the TSB related to the temporary code I would need the security light to work to properly input the brake pedal presses to temporarily allow me to start the car.
Also the TCL light and the "TCL off" lights are constantly on. I am not sure if this is normal and they would turn of if the car were to start or if this is a symptom of a bad ECM.
The car has not been driven in over two years and the story I was given was that it ran fine one evening and refused to start the next day.
Does the Immobilizer have a battery in it? Is there a way to tell if the unit has gone bad?
Thanks in advance!
Monday, January 22nd, 2018 AT 8:24 AM










