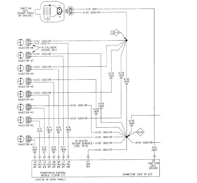
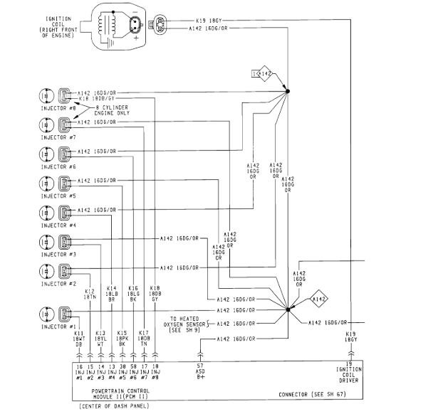
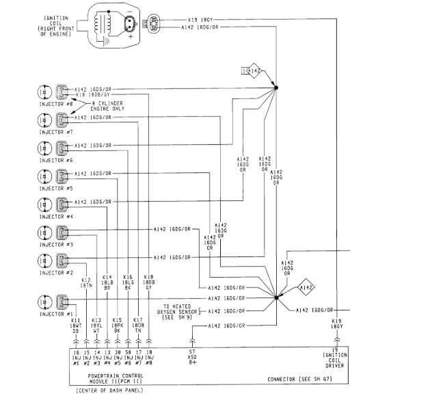
Saturday, November 10th, 2018 AT 10:50 AM
After replacing the PCM because it was wet and smoking/replaced auto shut down and fuel pump relay, the van fired right. Taney line was leaking so I move it over to the gorge. Fixed it And here we go again turns over, fuel pump working. Fuel to the rail no spark. I have power to the coil, disturber and crankshaft position sensor. But no spark auto shut down and fuel pump relay not working now, and is is not a fuse. Replaced them again. PCM go out again. You cannot pull up any codes. I have read everyone else's problems and double check every thing again. Did I not give the PCM time to read everything twenty minutes tops run time? Thank you, Rex

