Sunday, March 27th, 2022 AT 11:34 AM
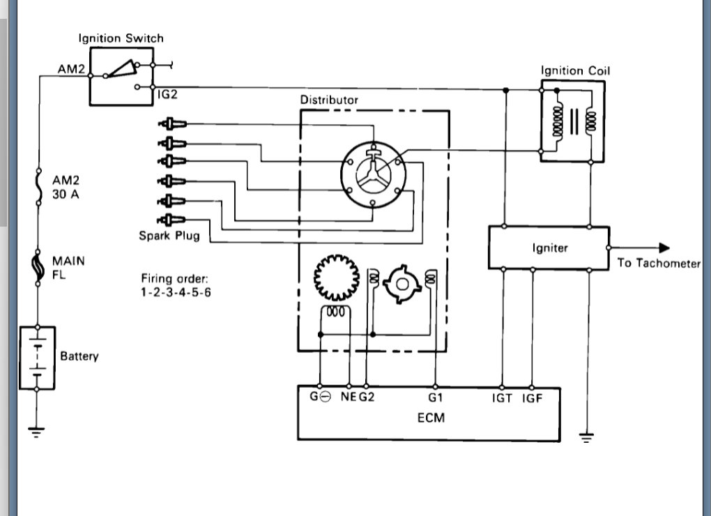
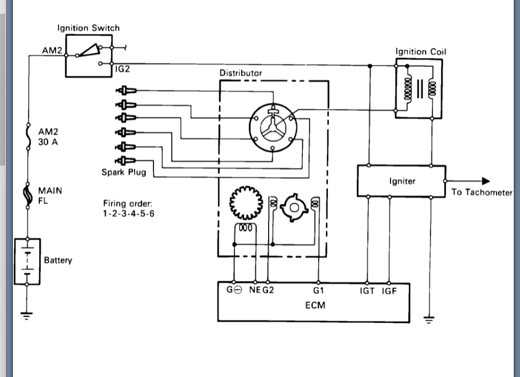
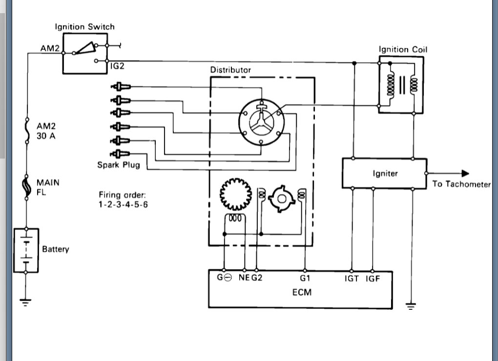
Was driving the car, shut off, went to restart it cranks but will not start, checked it out no spark. Check all fuses and relays, replace coil, igniter, cap, and rotor, still nothing. I was told this car didn't have a crank pos sensor. Is that true? If not, where is it located and how can I test it? Any other ideas on what it might be? Thanks for your help.









