No spark

Tiny
WESLIE DAVIS
  • MEMBER
  • 1983 DODGE ROYAL
  • 5.2L
  • V8
  • 2WD
  • AUTOMATIC
  • 89,000 MILES
I have a new coil, a new ignition module, new plugs, new distributor I'm still not getting any fire. The ignition was bypassed with a push start after the key is turned on. It will crank just not good enough.
Wednesday, May 25th, 2022 AT 6:07 PM

7 Replies

Tiny
KASEKENNY
  • MECHANIC
  • 18,907 POSTS
When you say you are not getting any fire, how did you check for spark? It sounds like when you say it is not cranking good enough to start, that means it is cranking slowly.

https://www.2carpros.com/articles/how-to-check-for-ignition-spark

Basically, we need to find out if you have zero spark or weak spark. Pull a plug wire and hold it against a bolt and see if there is a blue spark.

If not, then we can go down this route. However, if it is cranking slowly then that would be why we are not getting it to start.

Maybe get a video of the engine trying to crank and please tell us if you have spark control or not. Also, do you have a 4 or 2 barrel carburetor?

Thanks
Was this
answer
helpful?
Yes
No
Thursday, May 26th, 2022 AT 10:14 AM
Tiny
WESLIE DAVIS
  • MEMBER
  • 5 POSTS
It does crank slow yes, never have seen a spark and I've tried every method to test for spark. I'm buying a new ignition switch today. It's only me doing all of this. I have to stand outside the truck to try and start it and check for spark. I'm praying you can help me. I've spent so much money trying to fix this truck.
Was this
answer
helpful?
Yes
No
Thursday, May 26th, 2022 AT 12:52 PM
Tiny
WESLIE DAVIS
  • MEMBER
  • 5 POSTS
I can try to get a video of it trying to crank.
Was this
answer
helpful?
Yes
No
Thursday, May 26th, 2022 AT 12:54 PM
Tiny
WESLIE DAVIS
  • MEMBER
  • 5 POSTS
2 barrel carburetor.
Was this
answer
helpful?
Yes
No
Thursday, May 26th, 2022 AT 12:57 PM
Tiny
KASEKENNY
  • MECHANIC
  • 18,907 POSTS
Okay. That is good. Before we go too far let's get that video of it cranking.

If it is cranking slow enough then that is the cause of the no spark. You need a minimum speed of the distributor to create the voltage spike in order to generate the high voltage needed.

You're not alone anymore. If you are able to get these tests, then we should be able to figure this out.

Let's do the video first and go from there.

Thanks
Was this
answer
helpful?
Yes
No
+1
Thursday, May 26th, 2022 AT 1:25 PM
Tiny
WESLIE DAVIS
  • MEMBER
  • 5 POSTS
Here's a video.
Was this
answer
helpful?
Yes
No
-1
Friday, May 27th, 2022 AT 6:44 AM
Tiny
KASEKENNY
  • MECHANIC
  • 18,907 POSTS
It is cranking slightly slower than normal but that is enough to fire the engine.

If we are getting no spark, then we need to check power through the system.

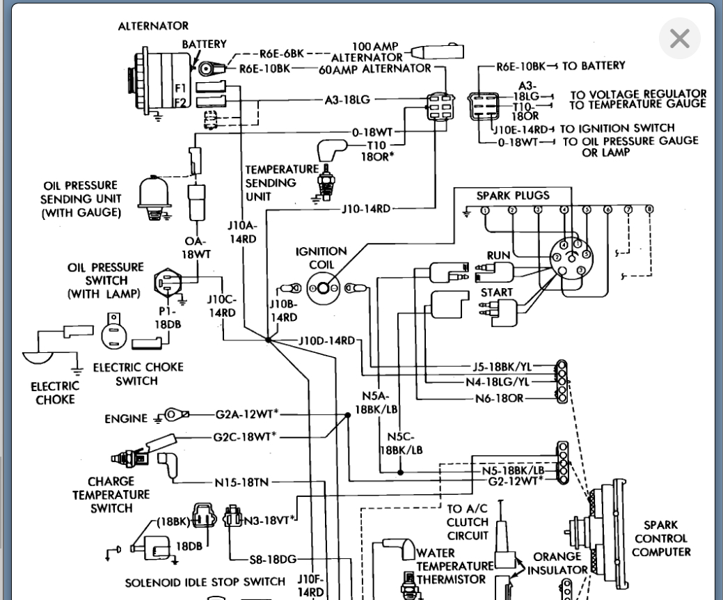
I understand that you have changed the coil and the distributor, but we need to find out if we are even getting power to the coil.

https://www.2carpros.com/articles/how-to-check-wiring

https://www.2carpros.com/articles/how-to-use-a-voltmeter

We should have 12 volts on the positive side and then ground on the other. This is going to tell us if the issue is before or after the coil.
Was this
answer
helpful?
Yes
No
-1
Friday, May 27th, 2022 AT 8:59 AM

Please login or register to post a reply.