No spark

Tiny
DONOZZY
  • MEMBER
  • 1977 FORD F-250
  • 0.7L
  • V8
  • 2WD
  • MANUAL
  • 2,000 MILES
I have replaced ignition coil and, control module pick up coil.
Friday, October 20th, 2017 AT 1:39 PM

2 Replies

Tiny
PATENTED_REPAIR_PRO
  • MECHANIC
  • 1,853 POSTS
There is no 0.7l engine. What engine is this and also check that you do have voltage available to the ignition coil when the key is on both run and start.
Was this
answer
helpful?
Yes
No
Friday, October 20th, 2017 AT 2:18 PM
Tiny
PATENTED_REPAIR_PRO
  • MECHANIC
  • 1,853 POSTS
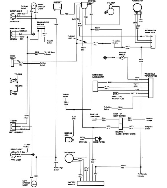
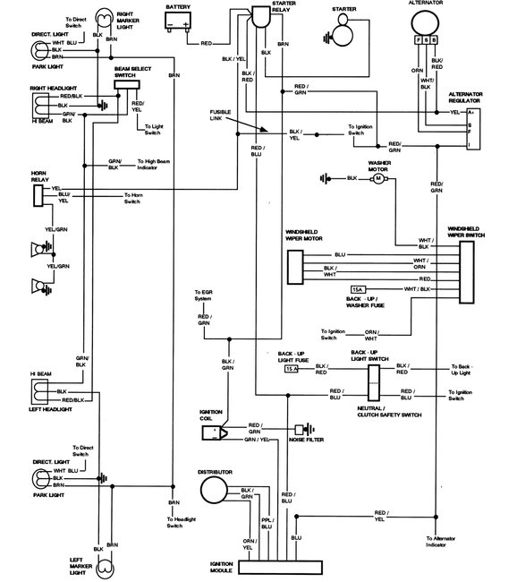
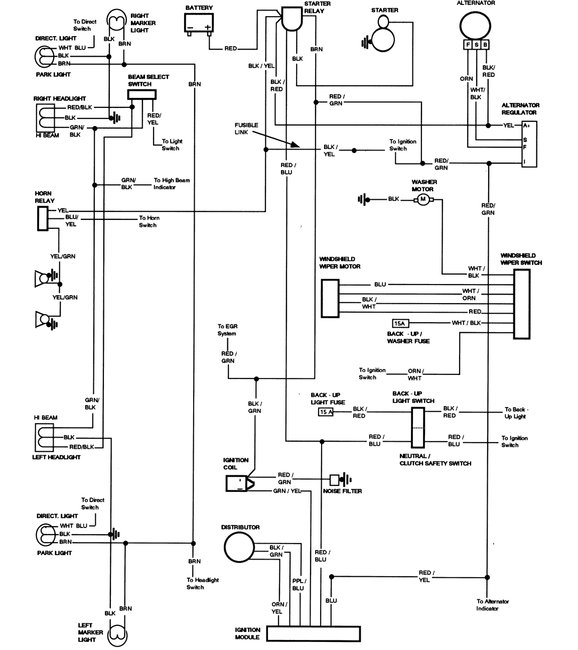
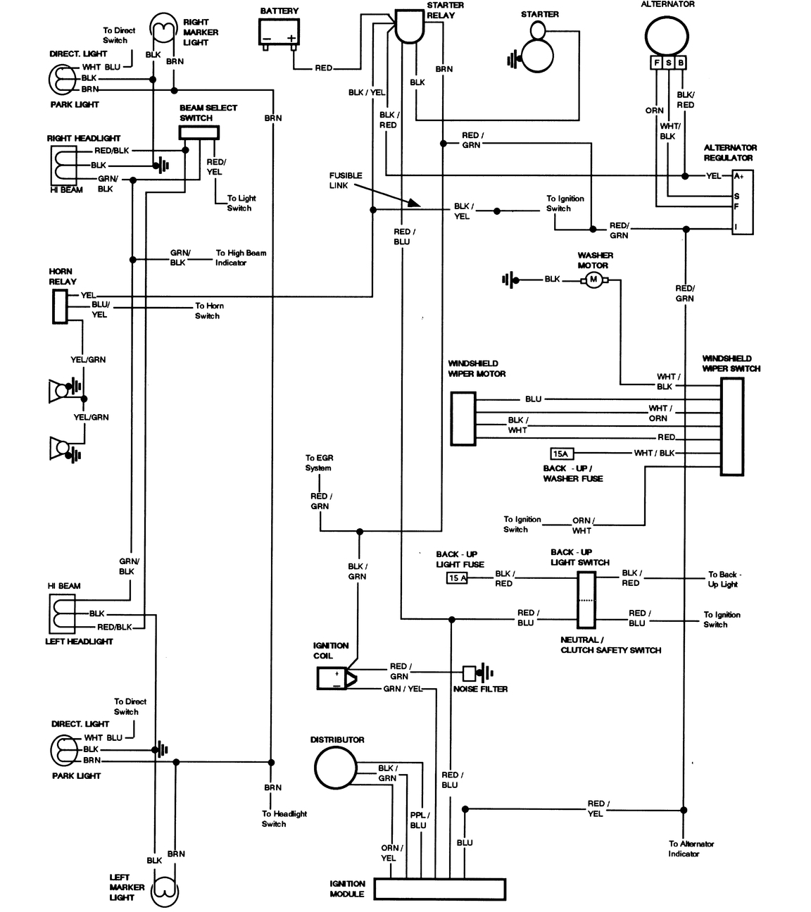
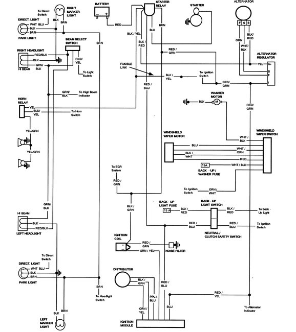
This should be the wiring diagram and the wire color to the ignition coil positive side is black/green and comes from the starter relay.
Was this
answer
helpful?
Yes
No
+1
Friday, October 20th, 2017 AT 2:23 PM

Please login or register to post a reply.