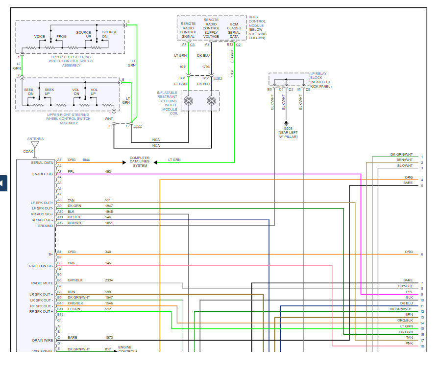
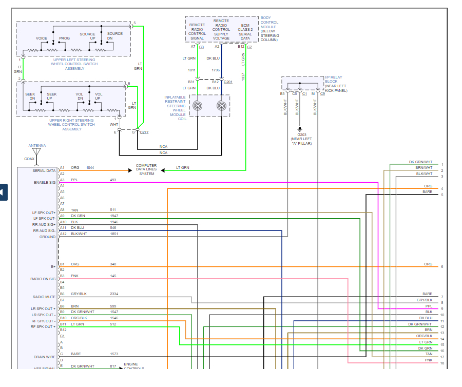
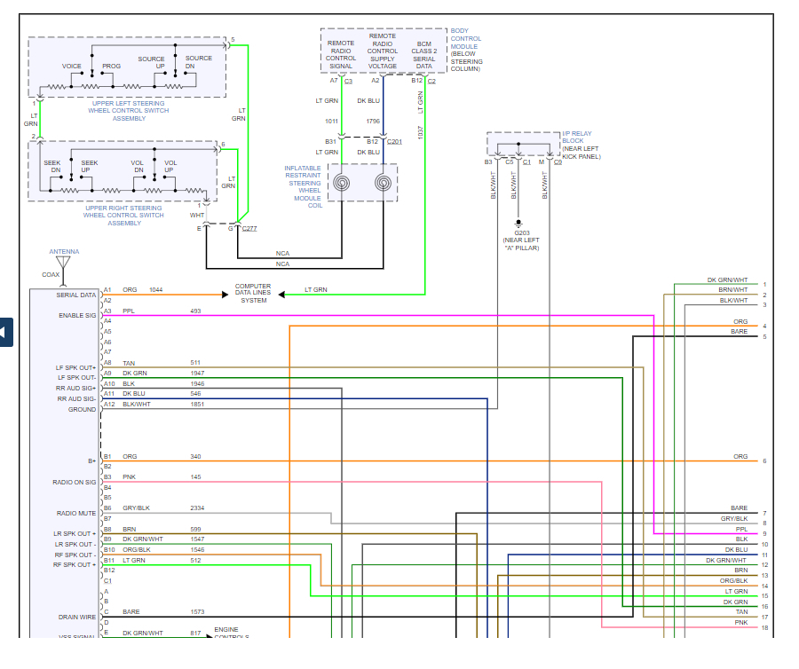
Wednesday, April 18th, 2018 AT 4:08 AM
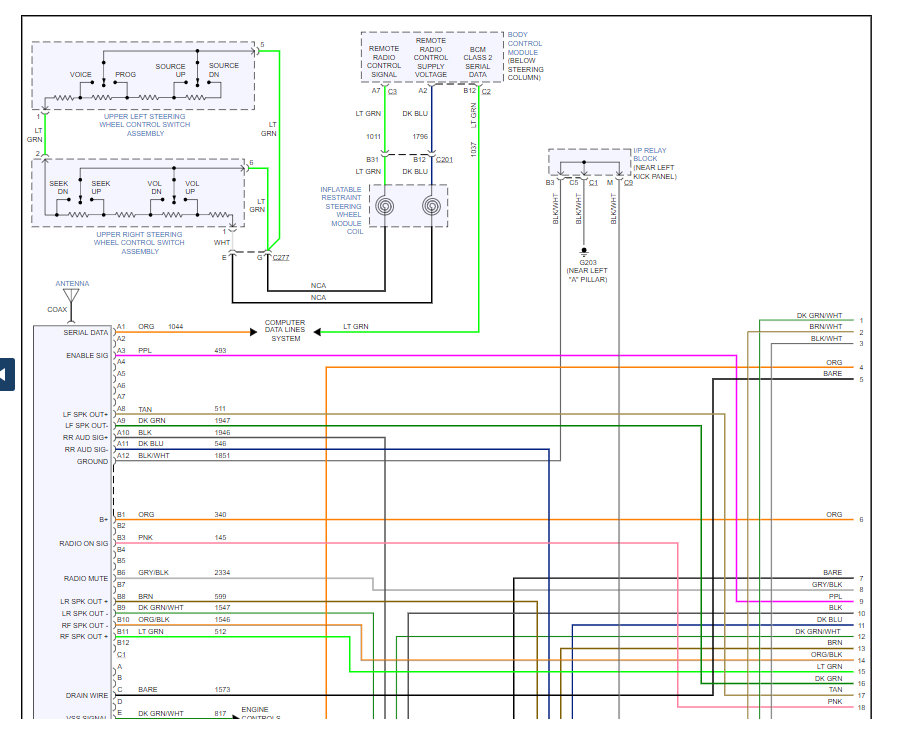
I have the factory six CD stereo Bose XM radio in my vehicle. I have sound from my speakers with the radio and the CD player but when I switch the band to XM I have no sound from my speakers except some static. All features are working on the radio saying that XM is working but I still have no sound. I have looked for a mute button but cannot find one.



















