Thursday, November 18th, 2021 AT 7:44 AM
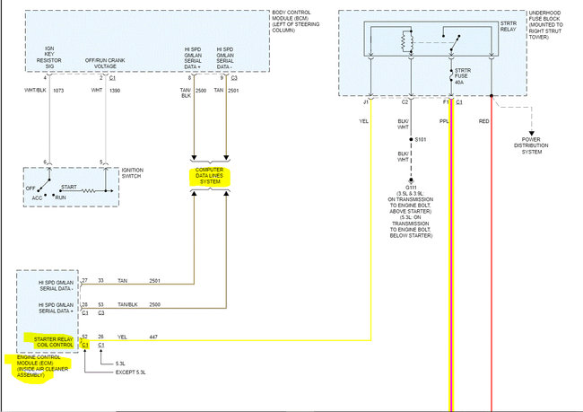
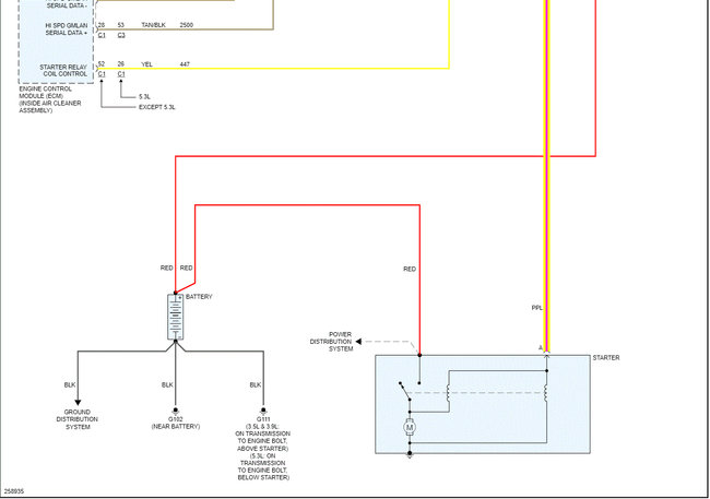
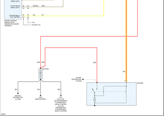
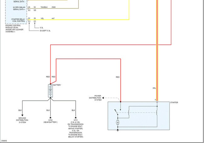
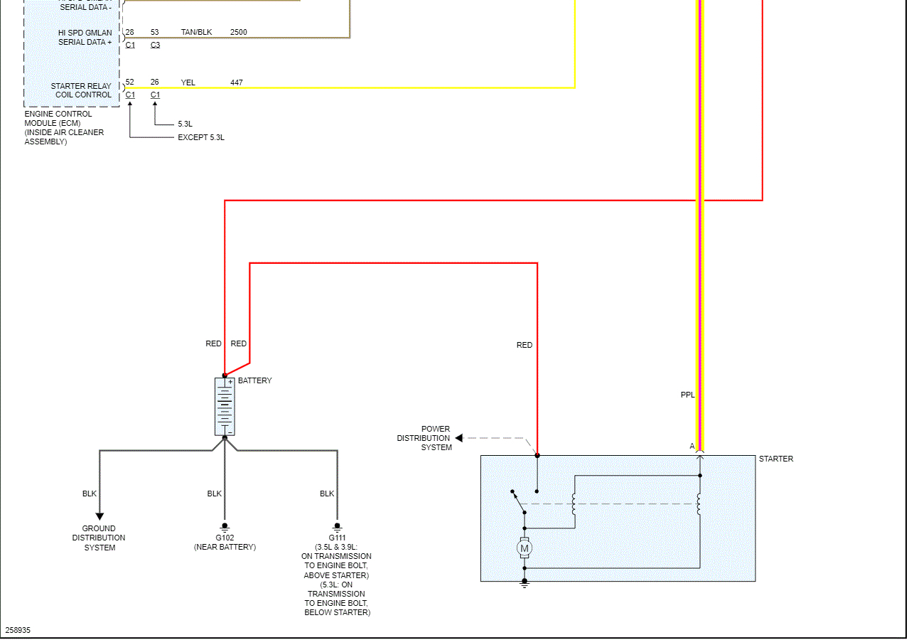
Had a rodent issue got all wiring repaired but now I have no signal power to the relay for the fuel pump and no signal power to the starter relay but I have power to the other side of both relays and I have no crank no start but everything else works I'm trying to track down possibilities of what it could be or if they are linked together anywhere any help or wire diagrams would be very helpful.




