Tuesday, August 29th, 2023 AT 3:47 AM
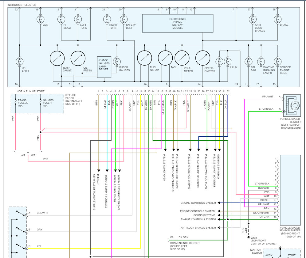
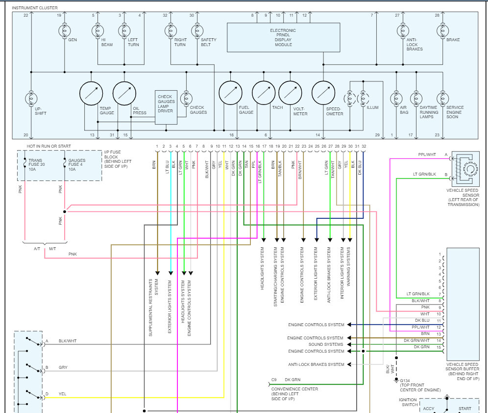
No rpm, speedometer, odometer, gear indicator and struggles to get engaged into first gear. It is intermittent. I changed the ignition switch which worked for a minute.






