HOME
ASK A QUESTION
REPAIR GUIDES
BECOME A MEMBER
LOG IN
Login with Facebook
OR
Remember me
NOT A MEMBER?
FORGOT PASSWORD?
CONTACT US
PRIVACY POLICY
TERMS AND CONDITIONS
☰
Home
Toyota
RAV4
Drivetrain
Transmission
Reverse
Reverse not working?
PACIFICISLANDER
MEMBER
2002 TOYOTA RAV4
2.4L
4 CYL
2WD
AUTOMATIC
100,000 MILES
Need to know out of the 5 solenoids which solenoid involves the reverse gear.
Friday, April 16th, 2021 AT 3:34 AM
7 Replies
ASEMASTER6371
MECHANIC
52,796 POSTS
Good morning,
None of the solenoids control reverse operation. This is mechanical and there is no electronic control for engagement.
I attached a chart below for no reverse for you. It is an internal failure in the transmission itself.
https://www.2carpros.com/articles/automatic-transmission-problems
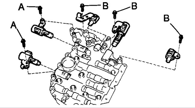
I attached a picture of the location of the solenoids in the valve body for you as well but again, none of them control reverse operation.
Roy
Images (Click to make bigger)
Was this
answer
helpful?
Yes
No
Friday, April 16th, 2021 AT 4:16 AM
PACIFICISLANDER
MEMBER
240 POSTS
Roy,
Sorry my bad its a 2.0 l not a 2.4 l is it the same transmission liter.
Was this
answer
helpful?
Yes
No
Friday, April 16th, 2021 AT 6:52 AM
ASEMASTER6371
MECHANIC
52,796 POSTS
It is the same.
Roy
Was this
answer
helpful?
Yes
No
Friday, April 16th, 2021 AT 8:24 AM
PACIFICISLANDER
MEMBER
240 POSTS
Might as well buy second hand transmission, but I need to know what's interchangeable. Can you assist on the year?
Was this
answer
helpful?
Yes
No
Saturday, April 24th, 2021 AT 12:49 PM
ASEMASTER6371
MECHANIC
52,796 POSTS
I attached a website for getting a transmission. Enter your information and zip code and it will list all the yards with transmissions for you.
WWW. Car-part. Com
I attached the procedure for you below.
Roy
Images (Click to make bigger)
Was this
answer
helpful?
Yes
No
Saturday, April 24th, 2021 AT 1:45 PM
PACIFICISLANDER
MEMBER
240 POSTS
Thank you very much Roy sure appreciated. Stay safe and family.
Was this
answer
helpful?
Yes
No
Sunday, April 25th, 2021 AT 3:06 PM
ASEMASTER6371
MECHANIC
52,796 POSTS
You are welcome.
Always glad to help.
Roy
Was this
answer
helpful?
Yes
No
Sunday, April 25th, 2021 AT 5:48 PM
Please
login
or
register
to post a reply.
Related Transmission Reverse Content
2002 Toyota Rav4
2002 Toyota Rav 4. It Acts Like It Shifts Back And Forth Between 1st And 2nd Gears. I Changed Tranny Fluid And Filter. Now It Acts The Same...
Asked by
johnargo
·
1 ANSWER
2 IMAGES
2002
TOYOTA RAV4
My Clutch Is Shaking And Vibrating When I Get Going In...
Getting A Shuddering When I Take Off In First Gear After First Start For The Day ( When Cold ) I'm Thinking Its The Clutch Or Could It Be...
Asked by
eddie1997rav4cruiser
·
6 ANSWERS
1997
TOYOTA RAV4
Transmission Fluid Is Black. Is There A Problem I...
Transmission Fluid Is Black. Is There A Problem I Should Be Aware Of When I Take The Car To The Dealership Tomorrow?
Asked by
ed stretch
·
5 ANSWERS
2011
TOYOTA RAV4
Rubbing Noise During Turning To The Right Only
Hi, I Have A 2001 Toyota Rav4 2wd With 71k. My Husband Replaced The Front Brake Pads 4 Days Ago. Today It Started To Make A Rubbing Noise...
Asked by
jackierav
·
1 ANSWER
TOYOTA RAV4
1998 Toyota Rav4 Gearbox
Noise When Idling And Putting Clutch Down. Sounds Like Thrust Bearing May Be Gone And I Cannot Get 5th Gear At All. Should I Buy A Full...
Asked by
teenymac
·
9 ANSWERS
1998
TOYOTA RAV4
VIEW MORE
Ask a Car Question. It's Free!