Rear taillights not working

Tiny
BELEMONTANA
  • MEMBER
  • 2008 PONTIAC MONTANA
  • 3.9L
  • V6
  • 2WD
  • AUTOMATIC
  • 200,000 MILES
I have no rear taillights but have front park lights.
I have changed the relay and the bulbs. I went to the wreckers and got exact same harness for the rear lights from the same vehicle in fact got 5 harness and still have the same problem.
Monday, November 25th, 2019 AT 11:33 AM

38 Replies

Tiny
KEN L
  • MASTER CERTIFIED MECHANIC
  • 55,535 POSTS
Hello,

It sounds like the BCM is out and needs to be replaced here are the instructions on how to do so in the diagrams below.

Body Control Module Programming and Setup

A new body control module (BCM) must be programmed with the proper RPO configurations. The BCM stores the information regarding the vehicle options and if the BCM is not properly configured with the correct RPO codes, the BCM will not control all of the features properly. The Tech 2 software will automatically prompt you with the possible RPO's available for the vehicle. Ensure that the following conditions exist and are met in order to prepare for BCM programming:

1. Understand this entire procedure.
2. The battery is fully charged.
3. The ignition switch is in the ON position.
4. The data link connector (DLC) is accessible.
5. All disconnected modules and devices are reconnected before programming.
6. Follow all Scan Tool on screen directions.
7. Take time to verify the VIN on the Scan Tool is correct, failure to do this could result in the service part being made unprogrammable.

BCM Setup

1. To setup a new BCM, navigate to the Module Setup menu in Computer Integrating Systems on the scan tool, select Body Control Module.
2. Run the BCM Setup, BPP Calibration and Program Key Fobs procedures.
3. If the BCM fails to accept the program, perform the following steps:

* Inspect all BCM connections.
* Verify that the scan tool has the latest software version.

Remote Start Programming

The Remote Start option can only be programmed with an SPS terminal and a Scan tool configured in the Pass Thru programming arrangement. Use this arrangement and select Remote Start setup on the SPS terminal once the programming options appear. Choose the appropriate settings when prompted for engaging or disengaging the Remote Start option. Refer to Service Programming System (SPS) (See: Vehicle > Programming and Relearning).

BPP Sensor Calibration

Important: If the BCM, electronic brake control module (EBCM) or the brake apply sensor (BAS) is replaced a brake pedal position (BPP) sensor calibration must be preformed.

Perform the BPP Sensor Calibration using a scan tool if the BCM, EBCM or the brake apply sensing system (BASS) sensor has been replaced.

Using a scan tool preform the following:

1. Navigate to the Module Setup menu in Computer Integrating Systems on the scan tool, select Body Control Module.
2. Select BPP Sensor Calibration.
3. Follow the on-screen directions.

Passkey 3 Programming Procedures

Important: If any module or device listed is replaced, programming of the module must be done prior to performing the Passkey 3 Programming procedure.

Perform the Immobilizer System Component Programming (North America except Canada) (See: Vehicle > Programming and Relearning)Immobilizer System Component Programming (Canada) (See: Vehicle > Programming and Relearning) procedure if any of the following components have been replaced:

* The BCM
* The powertrain control module (PCM)

Refer to Immobilizer System Component Programming (North America except Canada) (See: Vehicle > Programming and Relearning)Immobilizer System Component Programming (Canada) (See: Vehicle > Programming and Relearning)

Important: After programming, perform the following to avoid future misdiagnosis:

1. Turn the ignition OFF for 10 seconds.
2. Connect the scan tool to the data link connector.
3. Turn the ignition ON with the engine OFF.
4. Use the scan tool in order to retrieve history DTCs from all modules.
5. Clear all history DTCs.

Check out the diagrams (Below). Please let us know what happens.
Was this
answer
helpful?
Yes
No
Tuesday, November 26th, 2019 AT 5:57 PM
Tiny
ETERNITY
  • MEMBER
  • 1 POST
  • 2003 PONTIAC MONTANA
  • 6 CYL
  • FWD
  • AUTOMATIC
  • 129,000 MILES
Taillights went out and the bell keeps ringing even when the key is not in. What is the solution?
Was this
answer
helpful?
Yes
No
-1
Wednesday, July 29th, 2020 AT 9:55 AM (Merged)
Tiny
GMITCHELL50
  • MEMBER
  • 4 POSTS
I had a similar thing happen in my 2000 and it turned out to be a fuse in the panel under the hood. There is also a panel inside the door on the passenger side so make sure you check them both.
Was this
answer
helpful?
Yes
No
+1
Wednesday, July 29th, 2020 AT 9:55 AM (Merged)
Tiny
ROBERTP45
  • MEMBER
  • 1 POST
Try location 37 (a 20 amp fuse) in the fuse box under the hood before checking other fuses. You can find a diagram of fuse locations in your owner's book and perhaps on the underside of the fuse box top that comes off when you open the box. A fuse removal tool should be in the fuse box to help you extract the fuse.

This information may be specific to certain years but is a good place to start.
Was this
answer
helpful?
Yes
No
+3
Wednesday, July 29th, 2020 AT 9:55 AM (Merged)
Tiny
THE UNLUCKY DUCK1
  • MEMBER
  • 1 POST
We just got a 2003 Montana 1 1/2 months ago at a buy here pay here. Oh yes buy here pay here is literally cheating us. Anyway, we have the exact problem. I put a new 37 fuse in and pow it blew. I put a 25 instead of a 20 and it did work for the front parking lights but that 25 blew on the way home. The dinger is sounding with no key in and the taillights are out "parking lights" it is the same problem as you had, did you ever figure out what caused the problem and what was the problem? I never all anyone for help but I'm now desperate. I have my grand-kids living with me and we almost cannot use our van and we still owe close to three thousand. It's not worth it at all but we needed a vehicle fast in order for the kids to live with us so any advice will be greatly appreciated. Thank you God bless.
Was this
answer
helpful?
Yes
No
Wednesday, July 29th, 2020 AT 9:55 AM (Merged)
Tiny
KEN L
  • MASTER CERTIFIED MECHANIC
  • 55,535 POSTS
Hello,

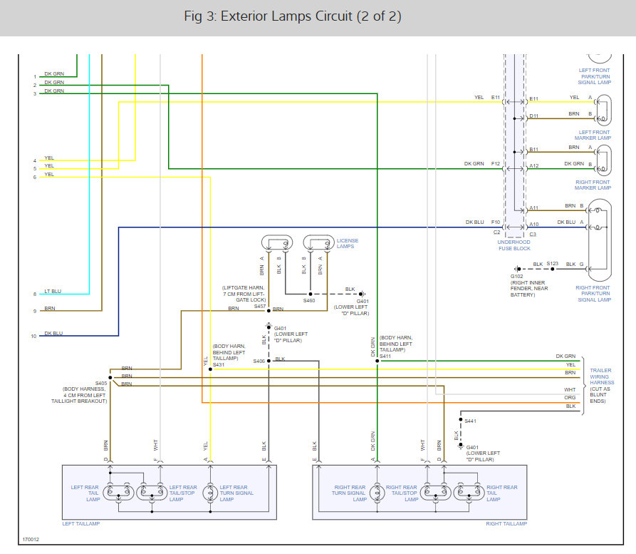
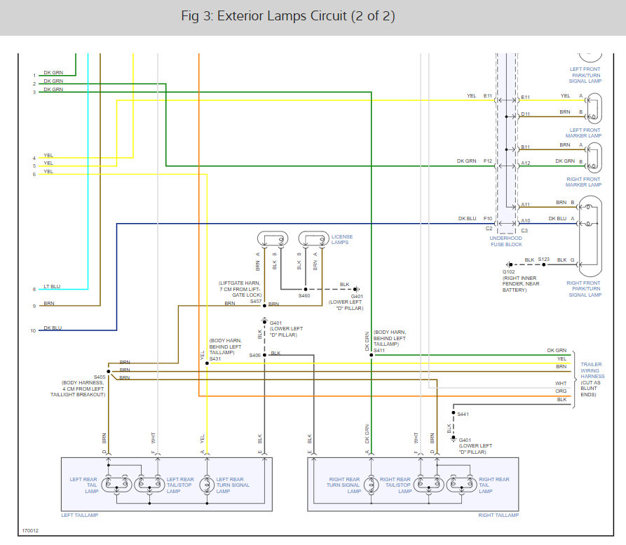
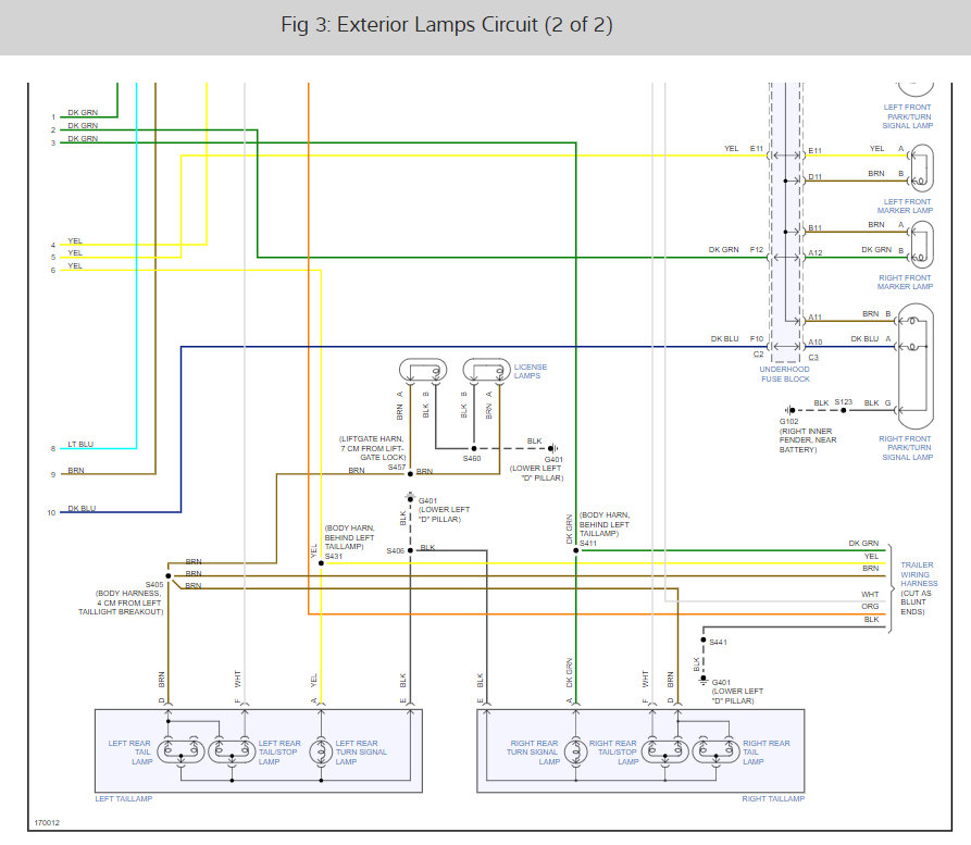
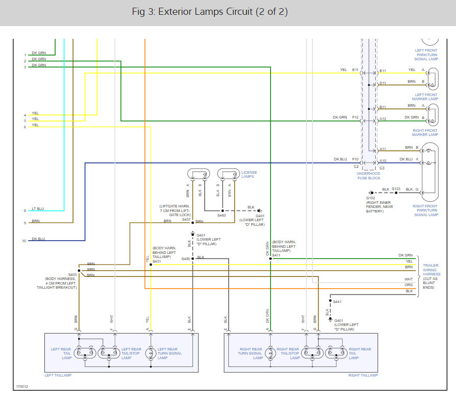
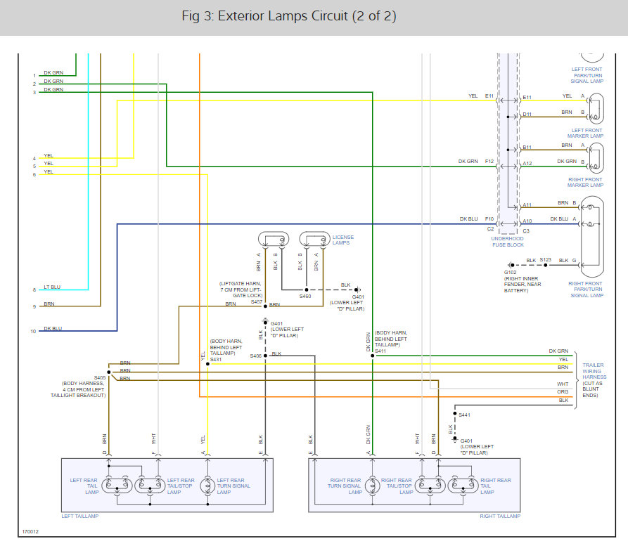
I would start by removing the rear taillight sockets and removing the bulbs while looking for a burned connector. Check out this guide which can help walk you through the problem. I have also included the wiring diagrams so you can see how the system works.

https://www.2carpros.com/articles/no-tail-lights-exterior-running-lights-tail-lights-out

Check out the diagrams (below). Please let us know what you find. We are interested to see what it is.
Was this
answer
helpful?
Yes
No
Wednesday, July 29th, 2020 AT 9:55 AM (Merged)
Tiny
CHRISTINA WILLIAMS
  • MEMBER
  • 3 POSTS
  • 2001 PONTIAC MONTANA
  • 6 CYL
  • 2WD
  • AUTOMATIC
  • 200,000 MILES
Here is the history started with a few minor electrical glitches.

*Display on radio blanked out CD player quit working.
*Side auto door does not close and lock into place unless I put it into gear right away. That works about 75% of the time
*Left blinker functions normally when it chooses, other times it is rapid. Replaced the bulb--no change.
*Power windows work for the most part. Once in a while they do not (either side).

One day the van decided to have no "get up and go", hesitation going to a hill (lolly gagging giving it gas was pointless), rpm's would be at three times while sitting still, at times will but four times let of the gas then it shifts. It happens most days, but not all the time and not every time it's driven. Going to the store it could be normal but returning a different story. Unsure if it is electrical or the throttle position sensor
Both fog lights on the bottom will blink like a turn signal when it is time to use the blinker.
Driving home and going in reverse I noticed it was dark back there. Thought it was just a cold winter night. Drop a friend off find out I have zero lights. No tail, no, reverse. (I am not sure about the license plate light however).

Now, I have (and two others) visually checked the fuses, look fine.
Used a test light. The fuse is good, the place it fits into. Not good. This is for the following:

Mini fuses
#4 PCM, ignition crank.
#14 heated mirror.
#19 interior lamp and multi function switch (power vent switch).

Under the hood Maxi fuses:

#4 BATT MAIN 2: circuit breaker : pwr seat/psd. Fuses (instrument panel) : ELC and RR DEFOG

#31 TCC automatic trans-axle (torque converter clutch solenoids). Stop lamp switch to PCM

#29 RADIO driver information display, heater a/c control, radio, rear side door actuator control motor, remote control door lock receiver (RCDLR), security indicator lamp and theft-deterrent shock sensor

I have taken it to have an OBD scan and I am mortified to admit. 28 alerts were found. Now, ever since our family had the vehicle the check engine light is on for the most part. Even after putting in a new engine, it comes on, goes off, all when it wants to. Yes, sure were duplicates, but not all. Some I remember were the O2 sensor, EGR, evaporation emissions, throttle position, stop lamp switch, DRL control module, even the fuel pump sensor (for the age we do not think it hogs gas). It was like every sensor that could chime in, did.

So the question is this in a nut shell: Big time electrical issues, BCM or just a really fed up old van that is not worth the time and energy?

I have a test light and multi-meter and that is pretty much it. I am kind of in my own with it. Cannot afford a garage to take it to, even to diagnose is over $100.00. My husband is a vet so the VSO can pay for the repair but first, we need two estimates from shops. Which means paying out of pocket for the did diagnostics. Cannot do that while living on just SS.

Any insight?
Thanks much,
Christina
Was this
answer
helpful?
Yes
No
Wednesday, July 29th, 2020 AT 9:55 AM (Merged)
Tiny
KEN L
  • MASTER CERTIFIED MECHANIC
  • 55,535 POSTS
Hello,

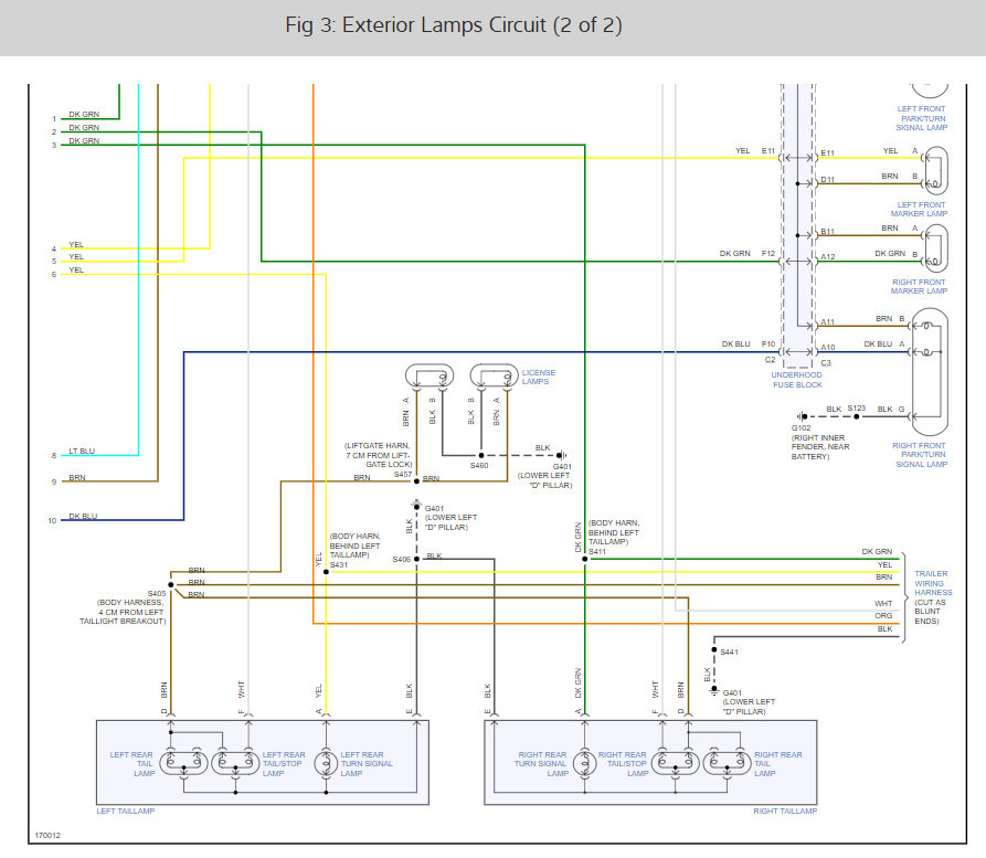
Sorry to hear about your troubles. Can I ask did these problems start right after having the new engine put in? And when you say where the fuses plug into not so good why is that can you upload a picture? The reverse lights do not run through the BCM so it cannot be all of it if it was the problem. Has the car had any water problems like in a flood?

Here are the exterior light wiring diagrams so we can get started and see how the system works. (Below)

Please let us know what you find. We are interested to see what it is.

Cheers, Ken
Was this
answer
helpful?
Yes
No
Wednesday, July 29th, 2020 AT 9:55 AM (Merged)
Tiny
CHRISTINA WILLIAMS
  • MEMBER
  • 3 POSTS
It has not been in a flood but I now remember that the top of the left tail light has a small broken piece near the top in a couple places. Fairly sure that there's been snow, rain and condensation getting into it. I know how to check and replace the pigtail and the assembly already thankfully. I wasn't sure that IF the left light Melts and shorts out would it effect the right as well?

The check engine light has been on and off since I think 2014. When my mom bought the van they had to replace the engine. It actually came from my van and I never had the light on. But the issues all started up about a year ago. The CD player and display quit. Then the automatic door. But the shaking, windows, hesitation, shifting and blinkers and fog lights all within a few weeks apart, IF THAT long. Could be a week apart, but it was really fast. The final straw was the dark end. Haven't driven it since.

Regarding the fuses. The test light didn't light up in either of certain fuses. I pulled them, placed them in a new slot that had a same amp working fuse, test light light right up. Used the light then to check the slot (along with another piece ever the other blade would go) no light. Tried again and again. Nothing. No light.

A friend of my husbands actually just left. He bought a car for us (to pay him for now). But I have a couple days that I can tinker with it before the "mystery Van" is not my problem any more. But I am still very curious as to the cause and solution.

Thanks for any help thoughts, ideas and basic knowledge.
Christina
Was this
answer
helpful?
Yes
No
Wednesday, July 29th, 2020 AT 9:55 AM (Merged)
Tiny
KEN L
  • MASTER CERTIFIED MECHANIC
  • 55,535 POSTS
I am leaning toward the BCM causing all of your problems because most of the things you mention are ties to it.

Here is the location you might be able to get a used one without having to program the unit to the car

Here is its location so you can check it out.

Check out the diagrams (below).

Please let us know what you find.

Cheers, Ken
Was this
answer
helpful?
Yes
No
Wednesday, July 29th, 2020 AT 9:55 AM (Merged)
Tiny
CHRISTINA WILLIAMS
  • MEMBER
  • 3 POSTS
Total agreement. I think the BCM is bad, plus more than likely a few other things separately. But it is just too much if a coincidence for all these electrical issues to come up if a rather short time. Just my thinking.

Side note: the man that cashed me out at the parts store explained that I should tell my husband to take a Tylenol/Motrin type before climbing under the brake pedal to replace the brake switch.

Now, I understand that he does not know who I am, nor my husband. But to assume that I do not or cannot do vehicle repairs. In this day and age no less. I simply said " Sir, honestly, my husband is just clueless when it comes to cars anymore. He does not even pump my gas. Just because I am a woman you think I need him to do this for me?". The man was shocked I spoke up about it or that I do this and my man does not. I apologized for being short with him and I explained that I used to work in a body shop and was an assistant to the teacher for auto shop for three years.
Then I said thank you, and was walking away.
This man actually says "huh! Well look at that, she is old and can fix a car." LoL I do not know if he wanted me to hear him or not, but I stopped and laughed so hard and giggled all the way home.

Now mind you, I am almost forty five. I am not old by any means, nor do I look it. (Aging gracefully, look about thirty eight to forty)

Thank you for treating women posting here with respect!

Must appreciated.
Christina
Was this
answer
helpful?
Yes
No
Wednesday, July 29th, 2020 AT 9:55 AM (Merged)
Tiny
KEN L
  • MASTER CERTIFIED MECHANIC
  • 55,535 POSTS
Hi Christina,

It is good to hear that you have picked up the ball and are running with it. Forty five is not old and if you keep your great attitude no age ever will be. I am running up on fifty seven and I still feel thirteen. Call it immature but I do not mind, I try to see the good side of life and help people the best I can. I found the more I give myself the more unhappy I became. The wise say less is more, they are right. Help people and you will always be happy. That is why we created this site.

Great getting to know you, let us know what happens with the car take care of your husband as I know you do.

Your friend, Ken
Was this
answer
helpful?
Yes
No
Wednesday, July 29th, 2020 AT 9:55 AM (Merged)
Tiny
MATT_MANITOWABI
  • MEMBER
  • 2 POSTS
  • 2000 PONTIAC MONTANA
Rear night time running lights are only working 10% of the time. All other light work like signal lights, brake lights, headlights, but when the lights arnt working the head light dinger goes off even when they are not on and the dash lights go out when the head lamp switch is on. We have taken it to a mechanic and they couldnt find the problem. Checked fuses, cruise control doesnt work, changed tail lamps, checked wiring. But nothing seems to be wrong.
Was this
answer
helpful?
Yes
No
Wednesday, July 29th, 2020 AT 9:55 AM (Merged)
Tiny
JACOBANDNICKOLAS
  • MECHANIC
  • 110,194 POSTS
Check the light sockets to make sure they are not damaged. Check to make sure the ground to them is good.
Was this
answer
helpful?
Yes
No
Wednesday, July 29th, 2020 AT 9:55 AM (Merged)
Tiny
MATT_MANITOWABI
  • MEMBER
  • 2 POSTS
Alright I checked the light sockets and they were damaged but these are the new ones we just put in 3 weeks ago so there must be something wrong and our new lamp posts the middle top metal pin (not realy sure what its called) is burnt on each lamp, wasnt able to check the ground yet because I had to go out of town but I will post on monday with what I find
Was this
answer
helpful?
Yes
No
Wednesday, July 29th, 2020 AT 9:55 AM (Merged)
Tiny
RON1976
  • MEMBER
  • 1 POST
  • 2000 PONTIAC MONTANA
  • 6 CYL
  • FWD
  • AUTOMATIC
  • 145,602 MILES
My tail lights will not come on, I changed all the bulbs and they still won't come on, I don't know what the problem is could it be a fuse or a switch or what please get back to me as soon as possible Thank You
Was this
answer
helpful?
Yes
No
Wednesday, July 29th, 2020 AT 9:55 AM (Merged)
Tiny
GMITCHELL50
  • MEMBER
  • 4 POSTS
I recently had a similar problem where my lower break lights would not work. Apparently it is common for the circuit boards to go bad in these vans. You can order new ones on ebay for about $30 a piece and you basicly just unplug the old one and put in the new. I'm not sure if your problem is the same but I know that these boards are a very common issue.
Was this
answer
helpful?
Yes
No
Wednesday, July 29th, 2020 AT 9:55 AM (Merged)
Tiny
PSILVA8
  • MEMBER
  • 6 POSTS
  • 2003 PONTIAC MONTANA
  • 110,000 MILES
My dash lights, automatic running lights and tail lights are all out on my 2003 Pontiac Montana. I can manually turn the headlights on, but the tail lights do not come on. The 20amp Park Lamp fuse was blown. I replace it and it blows everytime I start the vehicle. Please help.
Was this
answer
helpful?
Yes
No
Wednesday, July 29th, 2020 AT 9:56 AM (Merged)
Tiny
JACOBANDNICKOLAS
  • MECHANIC
  • 110,194 POSTS
Check for bad / melted light sockets that are shorted. Also, check wiring to lights.
Was this
answer
helpful?
Yes
No
-1
Wednesday, July 29th, 2020 AT 9:56 AM (Merged)
Tiny
PSILVA8
  • MEMBER
  • 6 POSTS
Thanks for the reponse.

I have to change the brake lights every few months because they burn out. I have replaced the circuit boards but it didn't help. I may need to change the pigtails.

The wiring to the lights may be hard to trace.
Was this
answer
helpful?
Yes
No
Wednesday, July 29th, 2020 AT 9:56 AM (Merged)

Please login or register to post a reply.