After having the truck jumped the radio, wipers and HVAC do not work

Tiny
EMILYF.
  • MEMBER
  • 1992 TOYOTA PICKUP
  • 3.0L
  • V6
  • 4WD
  • MANUAL
  • 200,000 MILES
I got my truck jumped, I don't know if it's related? My wipers, radio and AC/heat will not work? Check the fuse? And the lighter never worked.
Wednesday, August 12th, 2020 AT 8:26 AM

1 Reply

Tiny
KASEKENNY
  • MECHANIC
  • 18,907 POSTS
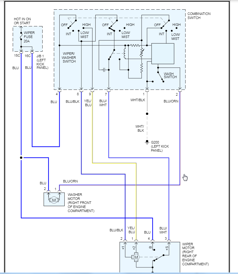
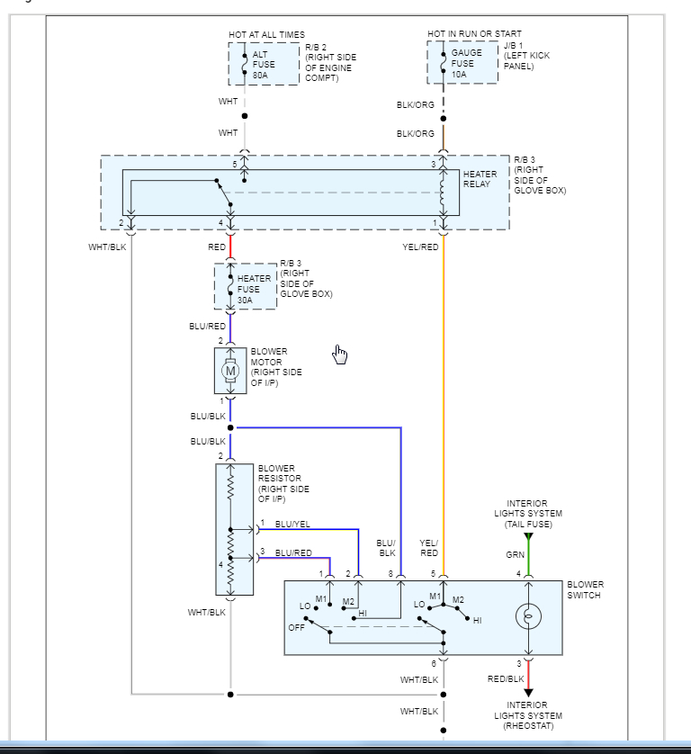
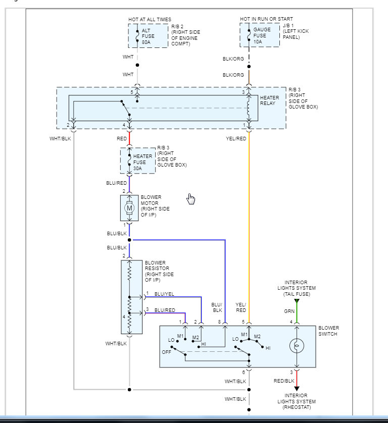
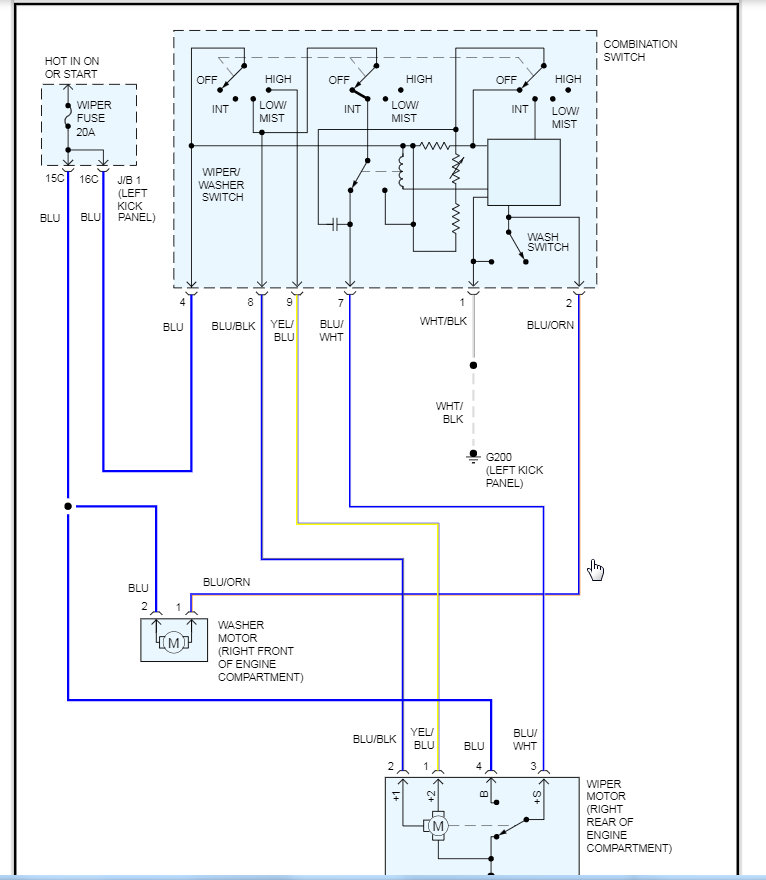
Looks like you may have a couple fuse issues. These systems have separate fuses so we need to check them and make sure they are okay. They are all located in the junction box 1 so let's check there first.

Since you had the vehicle jumped have you replaced the battery? More then likely your battery is weak so we need to check that and make sure it is okay. Here is a guide that helps with this:

https://www.2carpros.com/articles/car-battery-load-test

Let me know what you find and we can go from there. Thanks
Was this
answer
helpful?
Yes
No
Wednesday, August 12th, 2020 AT 4:31 PM

Please login or register to post a reply.