No power train DTC message

Tiny
TRAY1200
  • MEMBER
  • 1999 KIA SPORTAGE
  • 4 CYL
  • 4WD
  • AUTOMATIC
  • 180,000 MILES
The car at a stop keeps shutting off on me and the lights will sporadically come on and off at night. The car seems to have no power. I replaced the battery but the OBD scanner keeps saying no powertrain DTC. What does that mean? Thank you very much.
Thursday, October 29th, 2020 AT 4:43 PM

1 Reply

Tiny
JACOBANDNICKOLAS
  • MECHANIC
  • 110,192 POSTS
Hi,

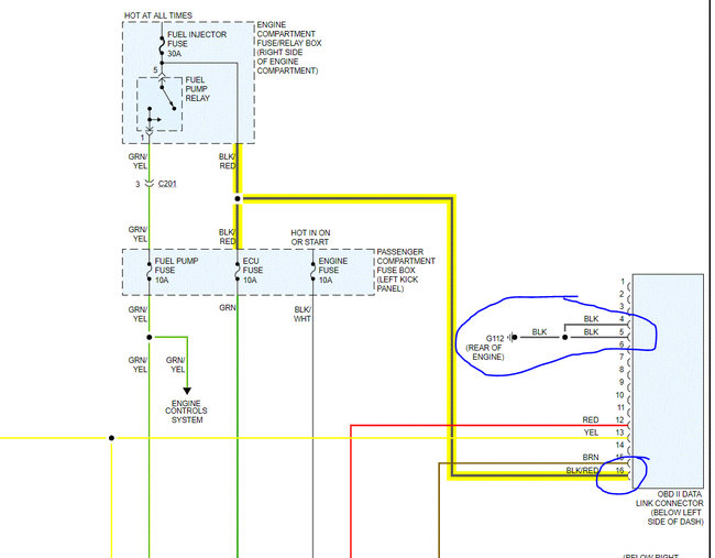
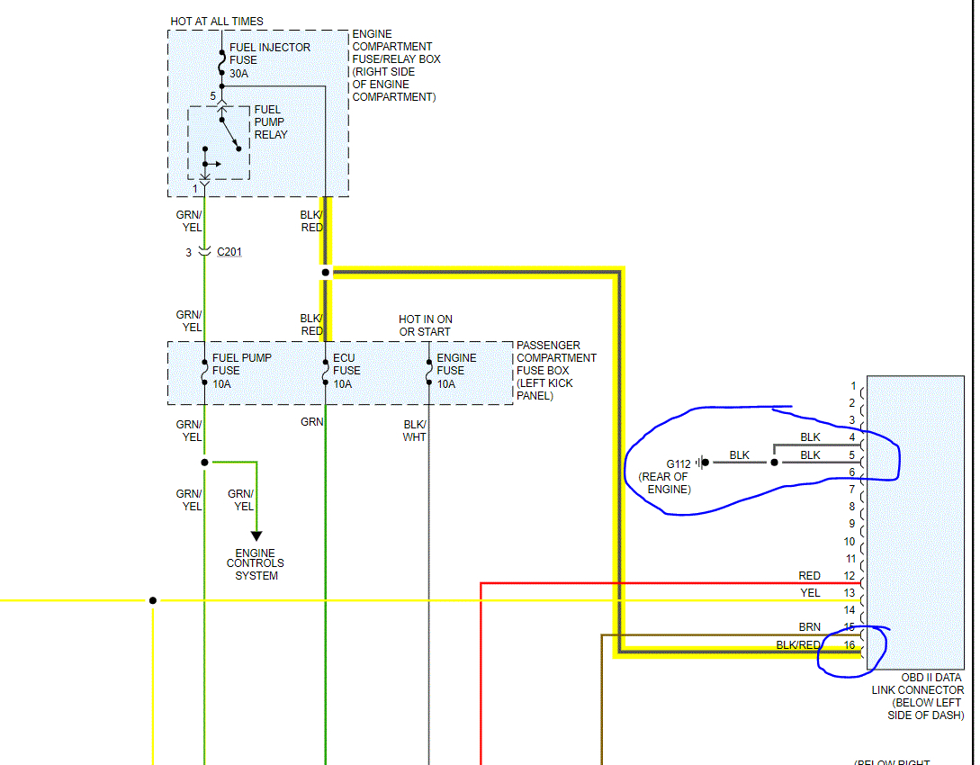
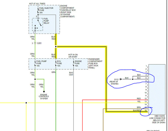
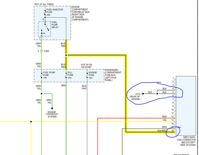
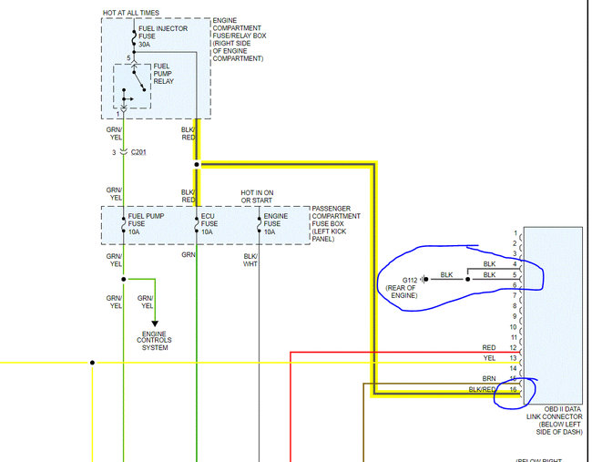
I'm not familiar with your scan tool, but based on what you said, it sounds like there are no diagnostic trouble codes stored in the system. Is the scan tool turning on? If it doesn't, check and confirm there is power the pin 16 in the data link connector. Also, confirm continuity to ground. See pic 1 below.

I need to know which lights are coming on and off at night. Are you referring the headlamps? If you are, do me a favor. Check to confirm there isn't a bad connection at the battery (terminals). Make sure they are clean and tight. Also, check the ground from the battery to the engine block and the body. If you follow the negative battery terminals from the battery, it will lead you to the points to check.

If that checks good, I want you to check the alternator output. If it isn't keeping the battery properly charged, it can cause these issues. Here is a link showing how that is done:

https://www.2carpros.com/articles/how-to-check-a-car-alternator

Let me know anything other you can think of that may help me diagnose the issue. For example, are there any strange noises or are there any smells that are different from normal?

Let me know.
Joe
Was this
answer
helpful?
Yes
No
Friday, October 30th, 2020 AT 12:50 PM

Please login or register to post a reply.

Related Engine Stall While Driving Content