No power to starter control wire

Tiny
VINCENTFALATO
  • MEMBER
  • 2002 CHEVROLET SILVERADO
  • 4.8L
  • V8
  • 2WD
  • AUTOMATIC
  • 169,000 MILES
There is no power to my control wire for my starter, all of the relays and fuses are good. I replaced the park safety switch, and the battery is good when I go to start the truck all the dash lights go out.
Tuesday, July 5th, 2022 AT 11:23 AM

1 Reply

Tiny
JACOBANDNICKOLAS
  • MECHANIC
  • 110,194 POSTS
Hi,

When you say the lights go out, that sounds like a weak connection. Are the battery terminals clean and tight?

Also, there are three fuses to check. In addition to checking the fuse, confirm there is power to and from them. Here is a link that you may find helpful:

https://www.2carpros.com/articles/how-to-check-a-car-fuse

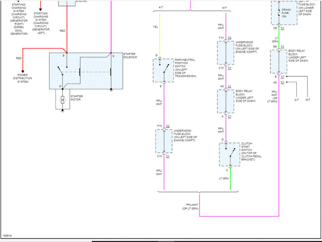
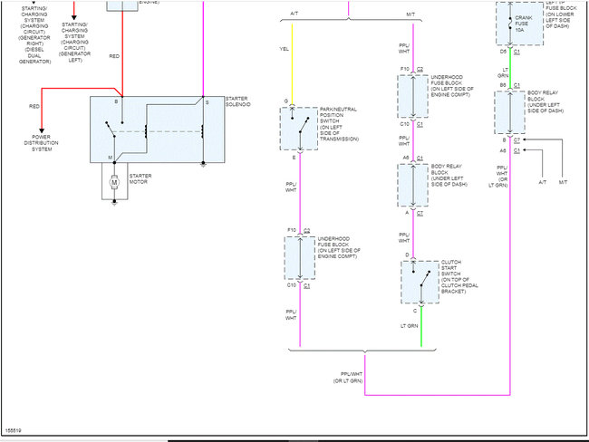
Next, if the fuses and relay are good, then we need to check if the relay is getting power to the primary side. If you look below, I attached the wiring schematic for the starting system. Note there is a purple wire from the neutral safety switch. That wire powers the coil on the primary side of the relay. When that happens, an electromagnetic field is created, and the secondary side is closed allowing power to go to the starter (S terminal).

So, remove the relay and check for power. One terminal will have power at all times and there will be another pin that only has power with the key in the start position.

Check that and let me know the results.

Take care,

Joe
Was this
answer
helpful?
Yes
No
Tuesday, July 5th, 2022 AT 11:21 PM

Please login or register to post a reply.