Saturday, January 25th, 2020 AT 7:17 AM
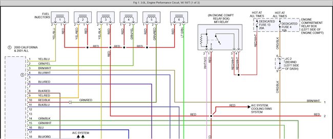
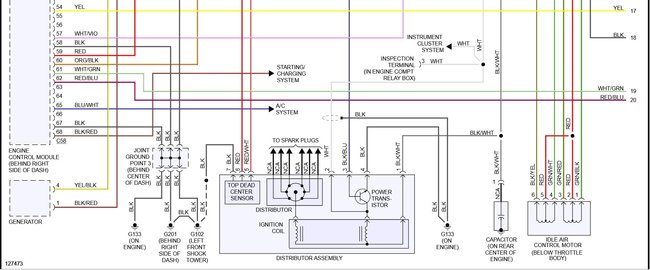
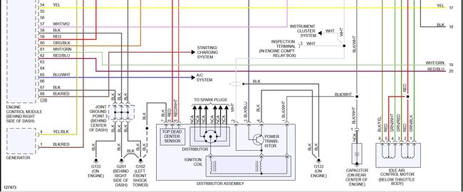
I have a Spyder gt and It’s the 3.0 6g72 SOHC. It randomly stalled out in my driveway about two weeks ago and I cannot figure out what’s wrong with it. It’s not getting spark or fuel. I first replaced the fuel pump, Then distributor cap and rotor and almost every relay, and then replaced the crank sensor. Yesterday I just discovered I have no power going to my ignition switch but I do to my alarm system. I’m stumped.






