No power to fuel injector connector cylinder number two

Tiny
HESTERMAN
  • MEMBER
  • 2001 JEEP GRAND CHEROKEE
  • 4.7L
  • V8
  • AUTOMATIC
  • 130,000 MILES
I have pulse but no power feed to just one injector when testing the connector. Are there any diagrams available showing an exploded view of just the route the injector follows to power? A regular wiring diagram isn't working for me. I'm not familiar on how to read them exactly. It would be helpful to actually see the route so I could look for areas that might cause a break in the circuit without opening up all the different ones feeding off of each other going in every direction.
Thanks
Saturday, May 11th, 2019 AT 6:32 PM

3 Replies

Tiny
DANNY L
  • MECHANIC
  • 5,648 POSTS
Hello,I'm Danny.

Here is a tutorial showing how to test wiring:

https://www.2carpros.com/articles/how-to-check-wiring

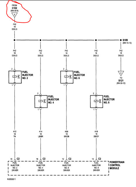
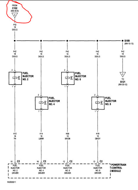
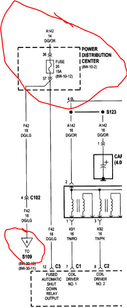
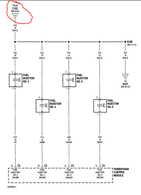
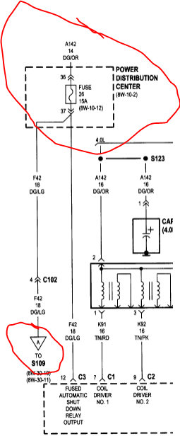
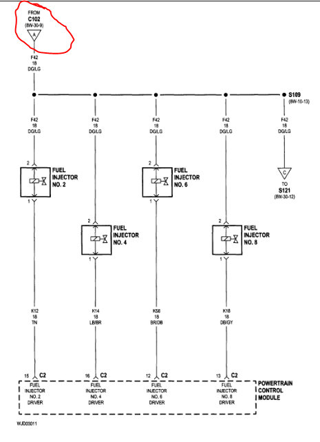
I've attached a picture of your Jeeps injector wiring diagram. At the top circled in red # C102 is fed by the Power Distribution Center. Hope this helps and thanks for using 2CarPros.
Danny-
Was this
answer
helpful?
Yes
No
+1
Saturday, May 11th, 2019 AT 7:07 PM
Tiny
HESTERMAN
  • MEMBER
  • 3 POSTS
Thank you Danny.
Was this
answer
helpful?
Yes
No
Saturday, May 11th, 2019 AT 10:56 PM
Tiny
DANNY L
  • MECHANIC
  • 5,648 POSTS
Hello again,

You're welcome ! However, You did not state which injector. I can provide more diagrams/answers if needed. I'm here to help. Let me know.
Danny-
Was this
answer
helpful?
Yes
No
Sunday, May 12th, 2019 AT 12:00 AM

Please login or register to post a reply.