No crank, no start and no power to the dash

Tiny
TBFC
  • MEMBER
  • 1999 CHEVROLET CAVALIER
  • 2.2L
  • 4 CYL
  • 2WD
  • AUTOMATIC
  • 185,000 MILES
New alternator, good battery, checked all fuses/relays and bench tested a
new ignition switch, scan tool says cannot link. Getting power to port. So, why no crank no start or power to dash? Also cleaned grounds
Sunday, May 1st, 2022 AT 10:07 AM

1 Reply

Tiny
KASEKENNY
  • MECHANIC
  • 18,907 POSTS
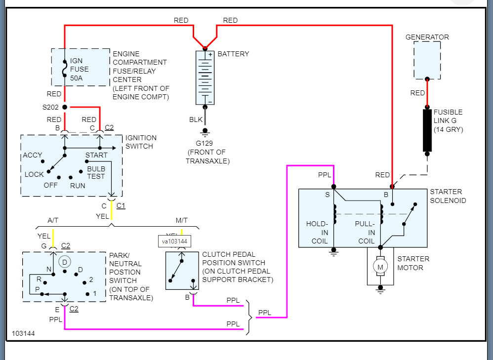
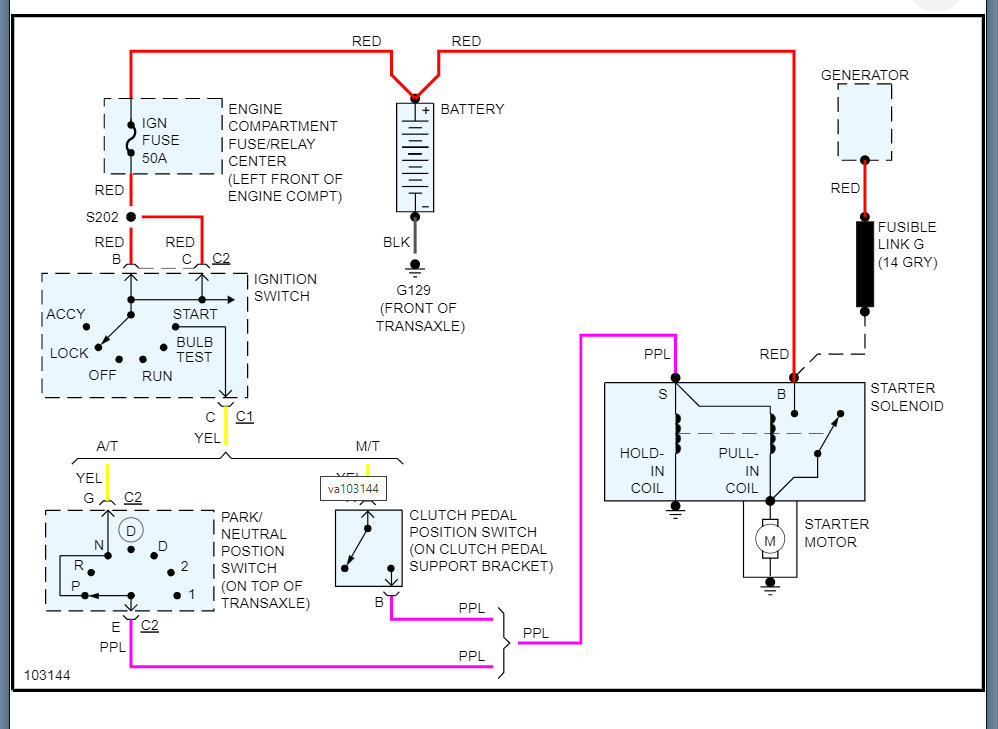
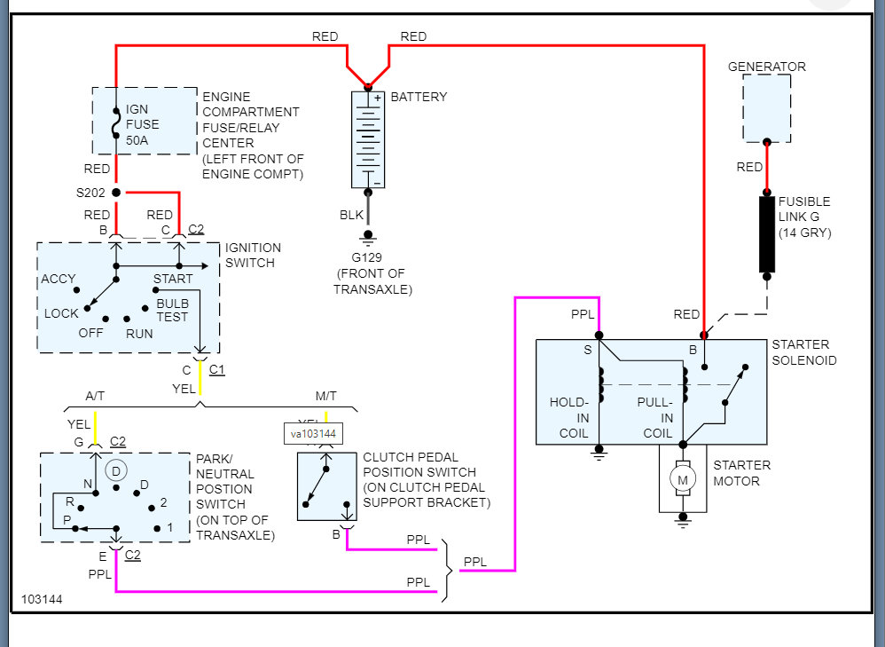
I would suggest we start at the basics by going to the starter and check for 12 volts.

I suspect you are not going to have it on the trigger wire. Which means we are going to have to go back to the park neutral switch.

Clearly you should have 12 volts on the red wire all the time but assuming you do then the issue is going to be the park neutral switch.

https://www.2carpros.com/articles/how-to-check-wiring

However, if you have no voltage at the red wire then more the likely the ignition fuse is the issue.

This is unlikely if you checked the fuses but unless you missed this one, it is most likely fine.

I attached the wiring diagram below which will illustrate what is happening. Unfortunately, I don't think the scan tool is related to this.

Please see the wiring diagram below and let me know what you find.

Thanks
Was this
answer
helpful?
Yes
No
Monday, May 2nd, 2022 AT 12:29 PM

Please login or register to post a reply.