No power to CAB after installing the battery backwards

Tiny
PAULOARNIE
  • MEMBER
  • 1997 NISSAN HARDBODY
  • 2.4L
  • 4 CYL
  • 2WD
  • MANUAL
  • 160,000 MILES
No power to cab at all only the headlights and wipers work. I made mistake installed battery backwards it smoked. Truck still starts up though.
Thursday, May 6th, 2021 AT 7:05 PM

2 Replies

Tiny
JACOBANDNICKOLAS
  • MECHANIC
  • 110,194 POSTS
Hi,

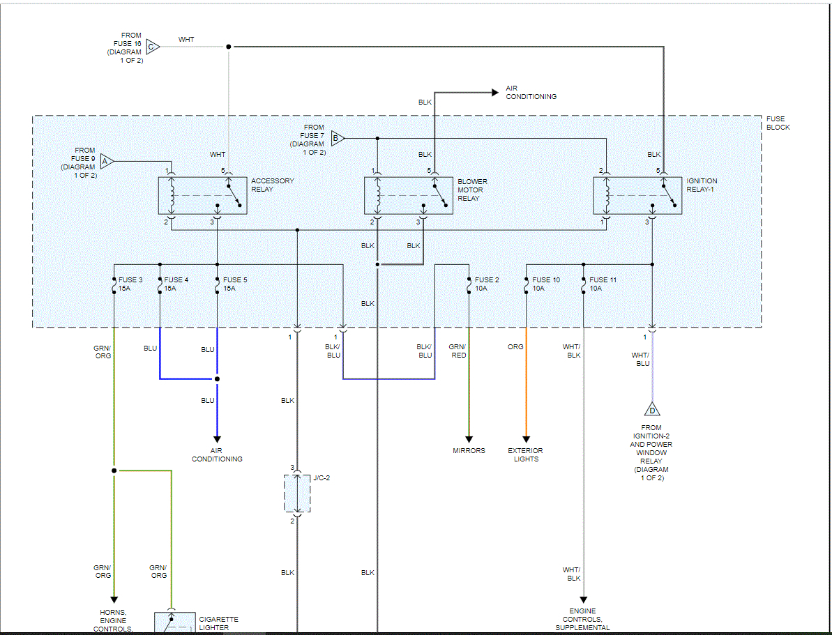
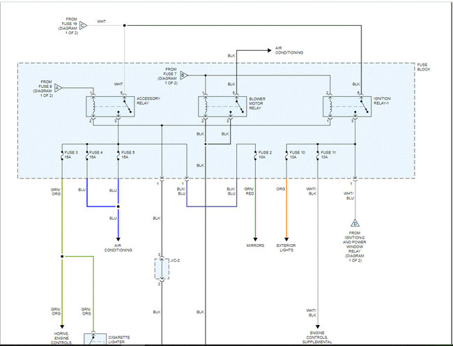
I looked through the power distribution schematics and there is nothing that just shuts off the interior. Do me a favor. Take a look through the schematics and let me know if you notice anything that correlates with what is not working. It's odd because I was thinking the ignition two relay may have been the issue, but you said the truck runs, and that powers not only several interior components but also the engine controls. I can't seem to find a break where things that are presently working break away from the non-working components.

Here is a link you may find helpful:

https://www.2carpros.com/articles/how-to-check-wiring

Also, let me know where you saw smoke. Could you tell what it was coming from?

Let me know.

Joe

See pics below.

Was this
answer
helpful?
Yes
No
Friday, May 7th, 2021 AT 8:55 PM
Tiny
DANNY L
  • MECHANIC
  • 5,648 POSTS
Hello, I'm Danny.

Due to hooking the battery incorrectly it sounds like you may have burnt the fusible link. This fusible link is protect all the electrical components any electrical circuitry in event of something like this happening. The fusible links are located near the positive battery cable. I've attached picture steps below of their location and replacement steps below for your truck and circled in red. Hope this helps and thanks for using 2CarPros.
Was this
answer
helpful?
Yes
No
Friday, May 7th, 2021 AT 9:00 PM

Please login or register to post a reply.