No power to anything

Tiny
BIGTEX0875
  • MEMBER
  • 2015 DODGE JOURNEY
  • 3.4L
  • 6 CYL
  • 2WD
  • AUTOMATIC
  • 23,000 MILES
My car was running fine yesterday, I go to get in it and there is no power to anything. I charge the battery and still nothing. I try to jump still nothing.
Wednesday, April 6th, 2022 AT 6:00 AM

1 Reply

Tiny
KASEKENNY
  • MECHANIC
  • 18,907 POSTS
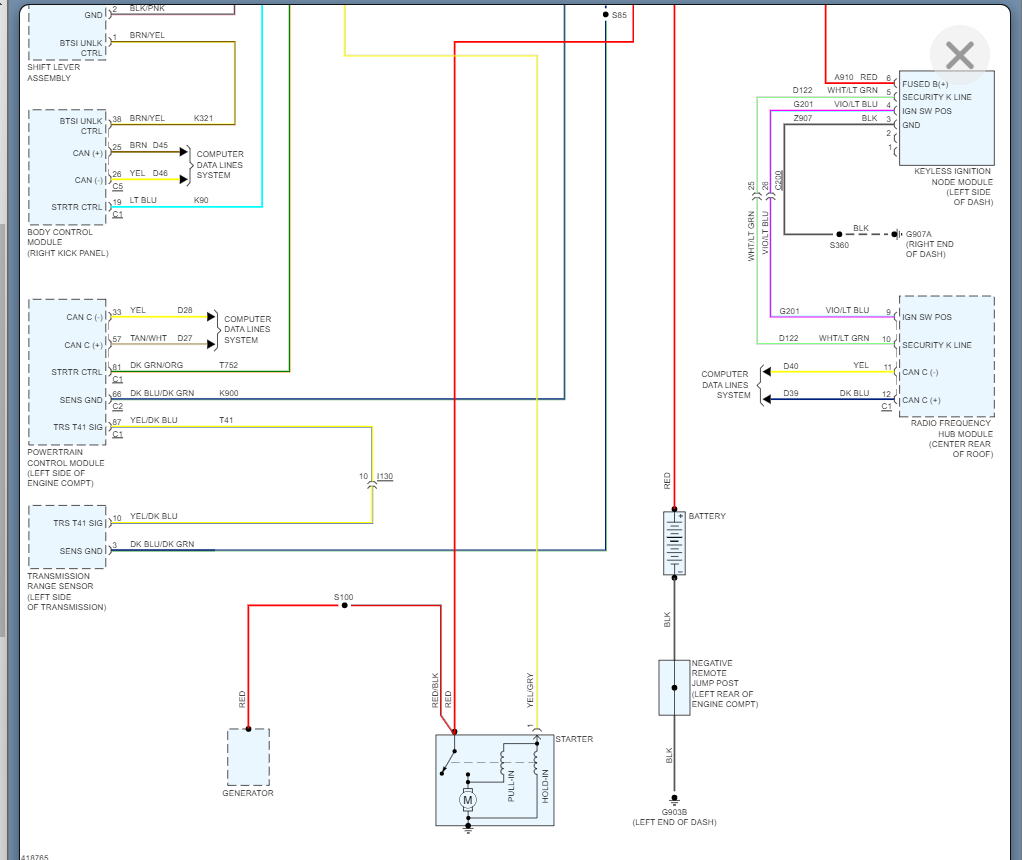
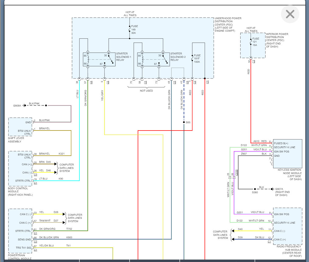
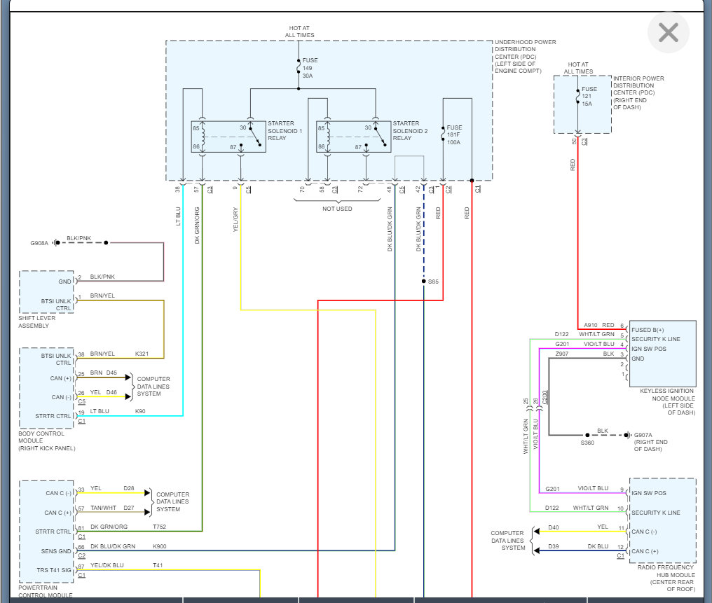
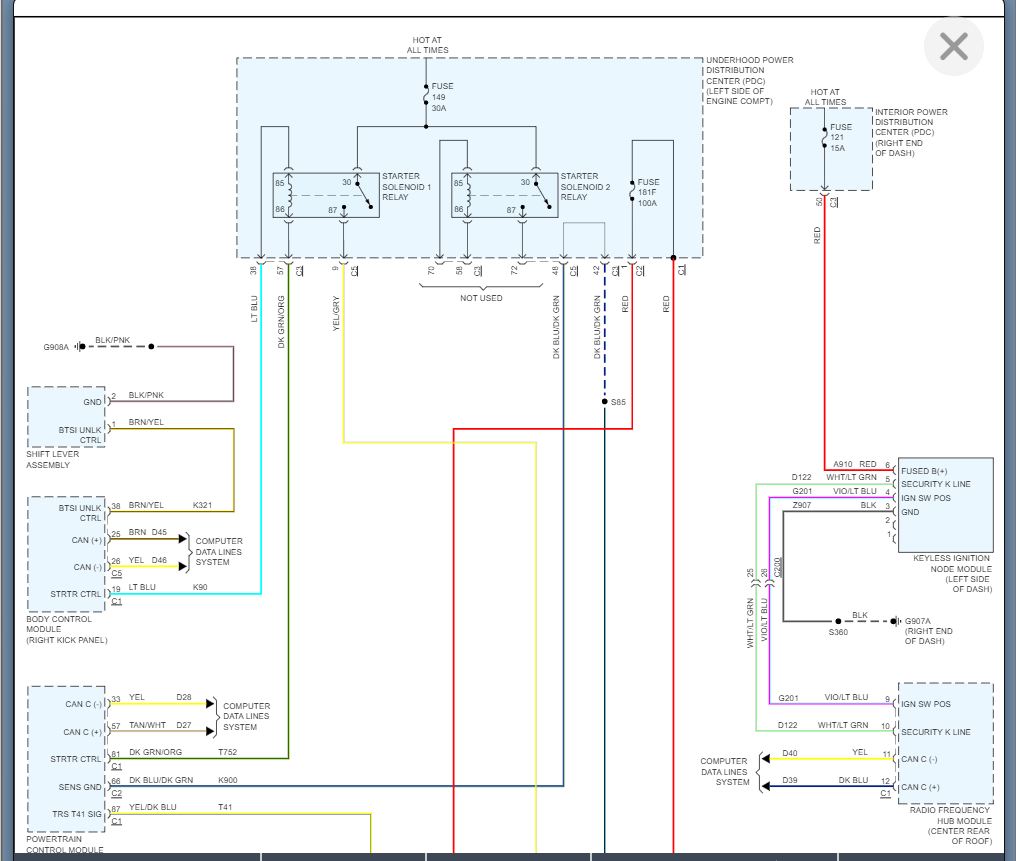
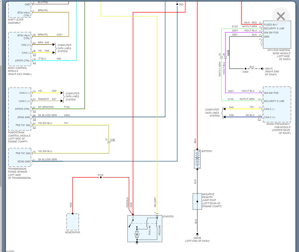
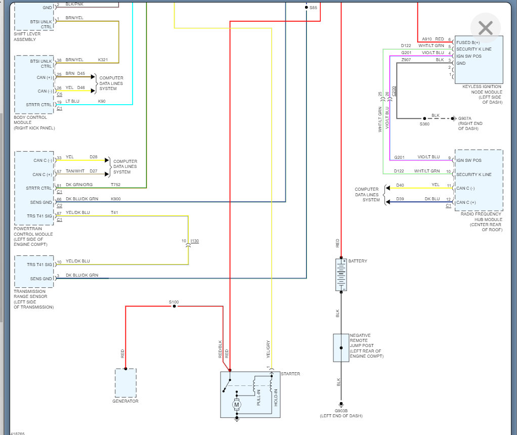
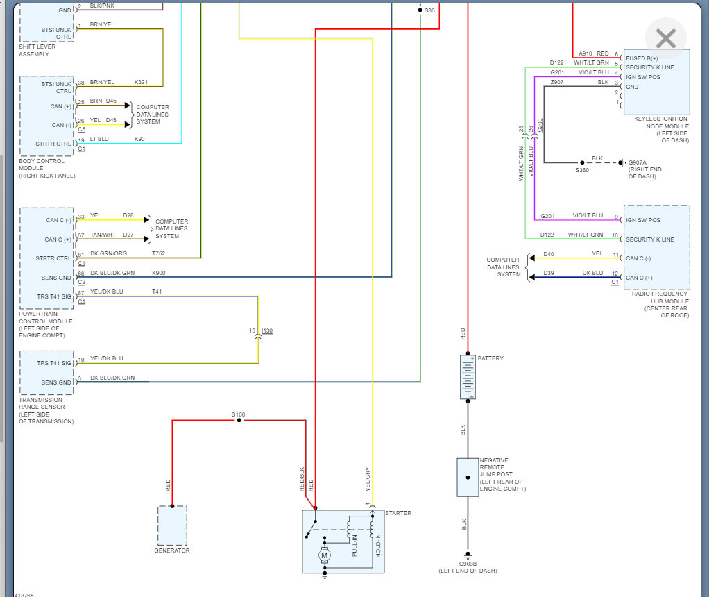
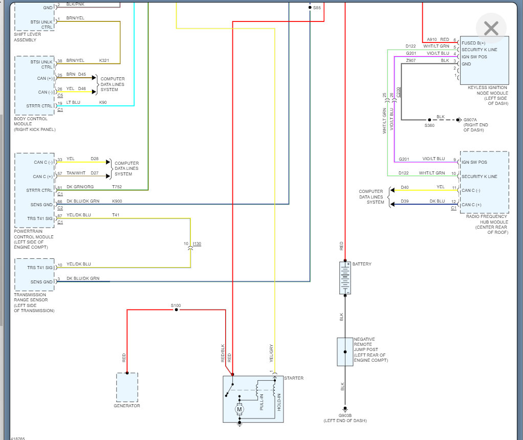
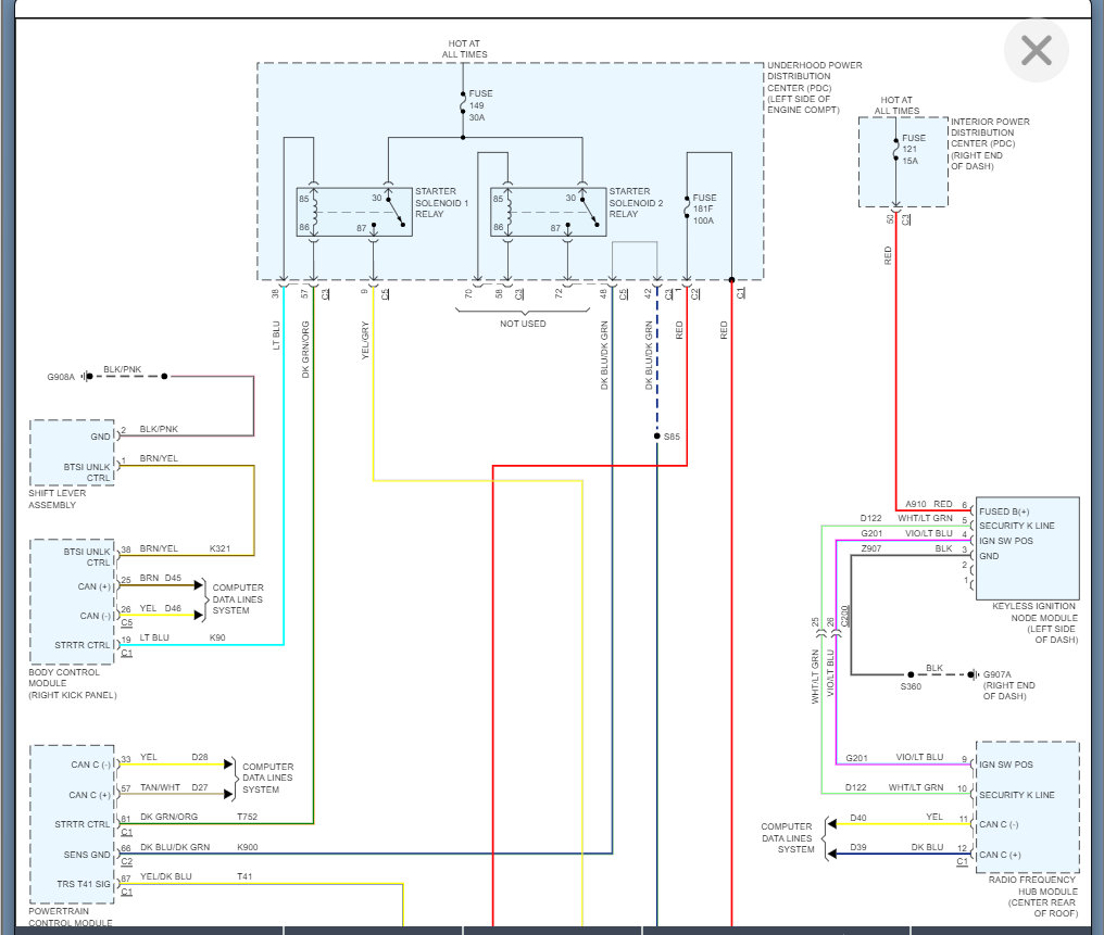
More than likely this is one of two things. First this could be an RF hub issue. This could be due to the right front hub not sending the wake-up signal to the rest of the vehicle via the BCM.

The way this works is the place that you put your key (KIN module) sends a signal to the right front hub that you put the key in and then this tells the BCM to wake up and start the vehicle. If the BCM never gets this signal, then it will not do anything like you never even turned the key.

The best way to check this is to use a scan tool and monitor the ignition status in the BCM and see if when you turn the key that it shows it being turned.

Otherwise, we are going to have to monitor the voltage from the KIN to the right front hub on the violet and blue wire to see if this is telling the right front hub that the key is being turned.

https://www.2carpros.com/articles/how-to-check-wiring

If it is not, then we need to move onto the next possible issue. That is checking power going to the KIN. You have a red wire which is fed from fuse 121. If this fuse is blown, then this issue will happen.

Let's start with this and see what we can turn up. I am sure we can figure this out because it is common enough to be able to reach a solution.

Thanks
Was this
answer
helpful?
Yes
No
Wednesday, April 6th, 2022 AT 3:55 PM

Please login or register to post a reply.