Sunday, May 8th, 2016 AT 4:39 AM
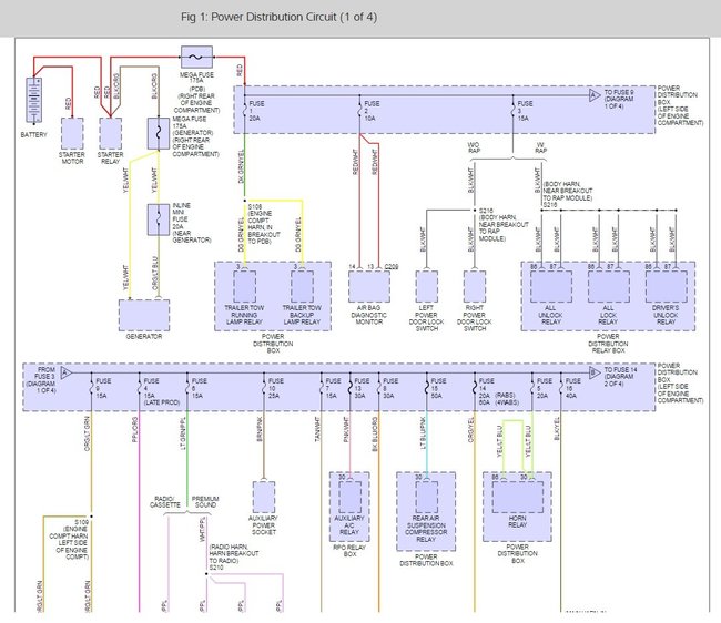
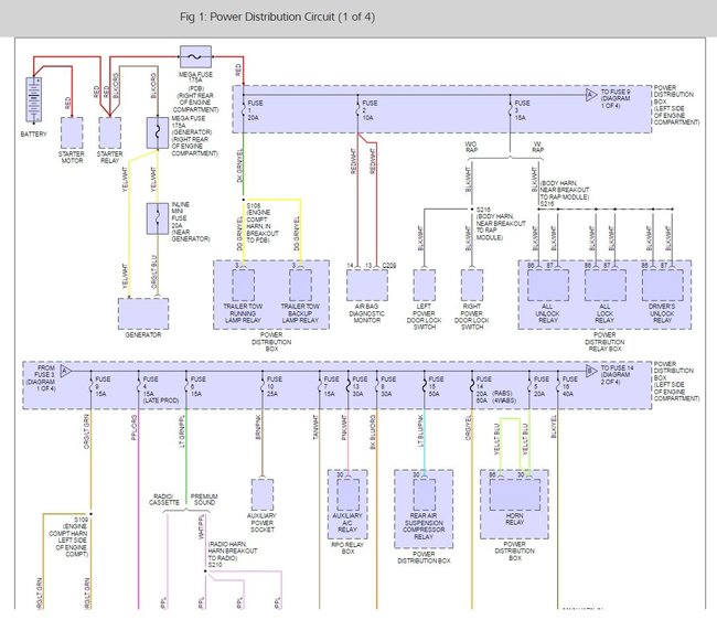
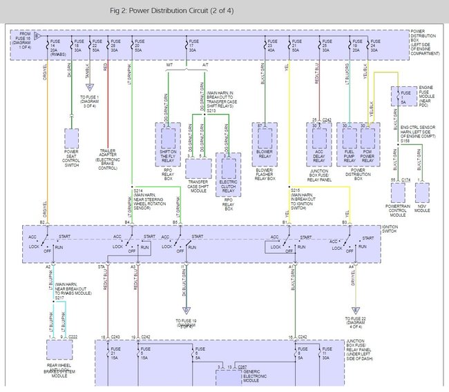
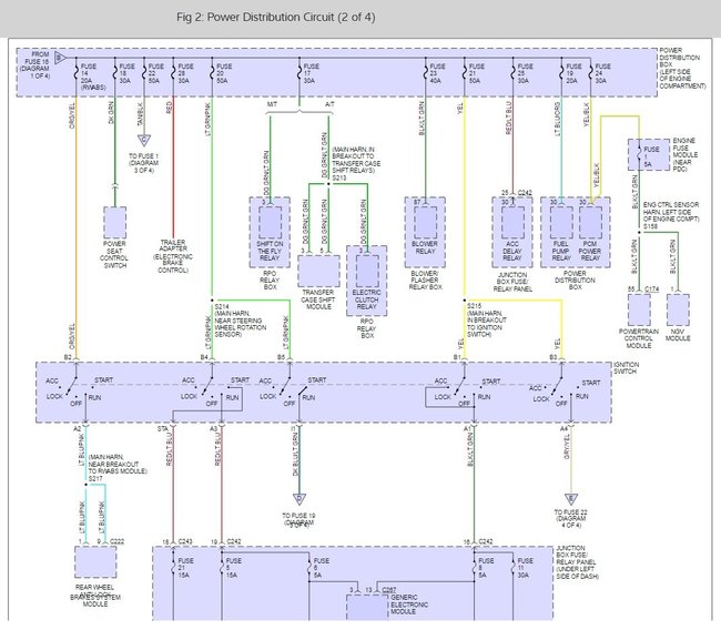
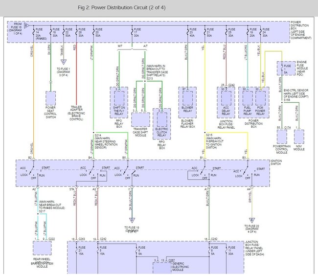
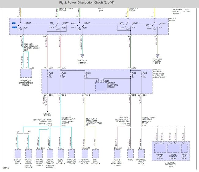
A couple days ago my friend borrowed my truck and filled it up with gas and started driving, down the street and lost all electrical power in the cab, everywhere, this happened after he hit a bump. He says that the battery hit the underside of the hood and arced. He decided that they were going to change the terminal mounts and upon trying to reconnect the negative it would spark, this blew the link between the starter solenoid and the positive battery cable. I replaced that cable and I still have no power to anything not even to engine bay fuse box. The batteries testing at 12.54 volts.














