Everything worked fine until I replaced the battery the other day. After replacing it, have no power to any of the buttons located on the HVAC control panel (panel located immediately below the main center all in one screen). On the screen itself the climate control is off, and I cannot turn it on.
The check engine light was not illuminated.
I scanned all the modules with my Bluedriver scanner. The first scan revealed numerous errors as follows:
Scan Report Mar 09, 2023 02:21 PM
© BlueDriver 2019
2015 Ram 1500
Odometer: 39,118 km
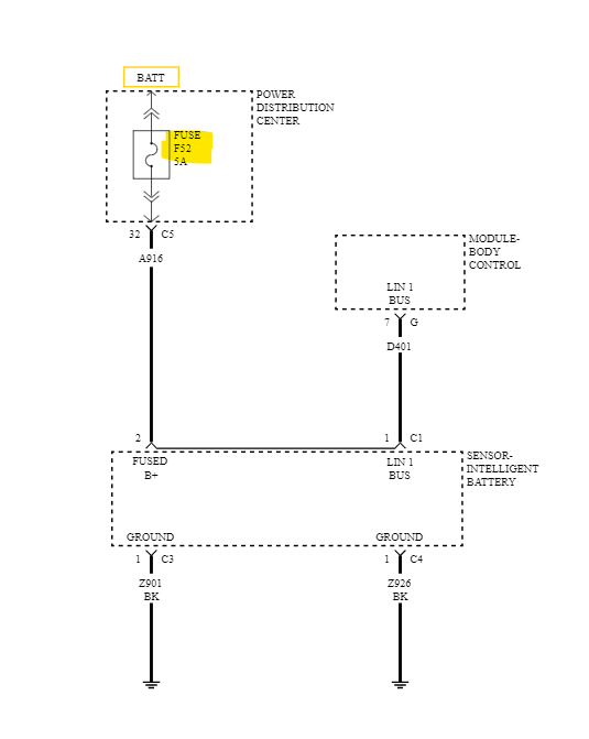
3 Front Control Module (Central Gateway) Codes -
P1009-00
CONFIRMED
Humidity Sensor LIN Bus Assembly Internal : No Sub Type Information
B2183- 11
CONFIRMED
Ignition Unlock Run/Start Control Circuit : Circuit Short To Ground
U0164-00
CONFIRMED
Lost Communication With HVAC Control Module : No Sub Type Information.
1 Radio Frequency Hub Code
C0077- 00
CONFIRMED
Low Tire Pressure : No Sub Type Information
2 Electric Power Steering Codes
C2129-16
CONFIRMED
Battery Voltage : Circuit Voltage Below Threshold
C2128-00
CONFIRMED
ECU Reset/Recovery Occurred : No Sub Type Information
1 Parktronics Code
128F-25
CONFIRMED
PTS Sensor 2 : Signal Shape / Waveform Failure
With the ignition switch in run position (not started) I cleared the first scan, I stared the engine, turned it off, set the ignition to run position and re-scanned The results of the second scan are as follows -
P1009-00
Humidity Sensor LIN Bus Assembly Internal
U0164-00
Lost Communication With HVAC Control Module
I note that when placing the new battery into the vehicle, the battery inadvertently impacted the control panel that sits immediately behind the battery well next to the firewall. This was not a hard hit by any means, but I did mutter something to myself when it happened.
When removing the battery I removed the negative first then then positive. I folded the battery harness back and placed the protective battery cover between the harness and the battery to protect against the terminals touching the battery posts. I was concerned at the time as the harness wanted to maintain a positional state of connecting to the battery.
I replaced the battery with positive cable first, then negative.
What I've done so far.
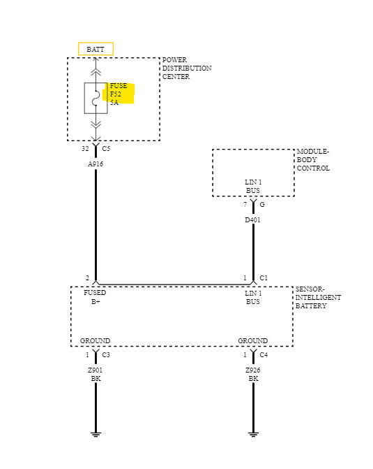
I've checked Fuse F99 visibly and with a multi-meter. It is ok. This is the fuse for the climate control.
I would be very appreciate of any help you can offer. If you need pictures of anything, please let me know.
Thanks
Friday, March 10th, 2023 AT 9:47 AM




















