No electrical power?

Tiny
DEEBUNNY
  • MEMBER
  • 2008 CHEVROLET IMPALA
  • 160,000 MILES
I have no power at all can we fix it please?
Tuesday, April 20th, 2021 AT 11:15 PM

17 Replies

Tiny
STEVE W.
  • MECHANIC
  • 15,676 POSTS
Which power are you referring to? Loss of engine power, loss of electrical power? this guide can help:

https://www.2carpros.com/articles/everything-goes-dead-when-engine-is-cranked

Please run down this guide and report back.

Was this
answer
helpful?
Yes
No
Wednesday, April 21st, 2021 AT 1:45 AM
Tiny
DEEBUNNY
  • MEMBER
  • 2 POSTS
Yes both.
Was this
answer
helpful?
Yes
No
-1
Wednesday, April 21st, 2021 AT 2:55 AM
Tiny
STEVE W.
  • MECHANIC
  • 15,676 POSTS
Okay, so you mean you hit the key and nothing happens? If you turn on the lights do they work? What have you tried to do already? Need more information about what the car is or isn't doing?
Was this
answer
helpful?
Yes
No
Wednesday, April 21st, 2021 AT 3:25 AM
Tiny
STEVE W.
  • MECHANIC
  • 15,676 POSTS
Hello, just checking to see if you already repaired it or what happened.
Was this
answer
helpful?
Yes
No
-1
Friday, April 23rd, 2021 AT 6:59 PM
Tiny
LEONARDBENNETT
  • MEMBER
  • 1 POST
  • 2008 CHEVROLET IMPALA
  • 6 CYL
  • FWD
  • AUTOMATIC
  • 70,000 MILES
Battery is fully charged but no electricity is getting to the car
Was this
answer
helpful?
Yes
No
Tuesday, May 11th, 2021 AT 12:36 PM (Merged)
Tiny
MMPRINCE4000
  • MECHANIC
  • 8,548 POSTS
Make sure battery connections to battery, starter and ground are clean and tight. this guide can help

https://www.2carpros.com/articles/everything-goes-dead-when-engine-is-cranked

If problem persists, a fuse is blown, check all fuses and fusable links in fuse box in engine compartment.
Was this
answer
helpful?
Yes
No
-1
Tuesday, May 11th, 2021 AT 12:36 PM (Merged)
Tiny
WILLIAM PATE
  • MEMBER
  • 2 POSTS
  • 2005 CHEVROLET IMPALA
  • 3.8L
  • 6 CYL
  • 2WD
  • AUTOMATIC
  • 100,000 MILES
Installed brand new battery. It crank and ran 2 different times. Went out the next morning and no electrical power. I can hook jumper cables from another car and I get all electrical power but still not turning over.
Was this
answer
helpful?
Yes
No
Tuesday, May 11th, 2021 AT 12:36 PM (Merged)
Tiny
STEVE W.
  • MECHANIC
  • 15,676 POSTS
I would check that the battery connections are clean and tight with no dirt or grease in them, I would also use a meter to see if the battery has any charge at all, it should be at least 12 volts if it has a charge. 12.6 if it's a full charge. What was the reason for battery replacement? This guide can help you

https://www.2carpros.com/articles/everything-goes-dead-when-engine-is-cranked

Please run down this guide and report back.
Was this
answer
helpful?
Yes
No
Tuesday, May 11th, 2021 AT 12:36 PM (Merged)
Tiny
WILLIAM PATE
  • MEMBER
  • 2 POSTS
I just bought the car and it didn't have a battery in it at the time of purchase. It has a homemade shut off switch in it as well. Just a lighted toggle flip. Can I just connect the wires from the toggle together and bypass the toggle switch? Or should I trace it back and disconnect it all together? Thank you for your help in this matter.
Was this
answer
helpful?
Yes
No
Tuesday, May 11th, 2021 AT 12:36 PM (Merged)
Tiny
STEVE W.
  • MECHANIC
  • 15,676 POSTS
I would trace it back and see what it is connected to. Then check to see if there is a parasitic drain or other reason why the battery stopped working. How does the switch work at the moment? Flip it on to start and off the stop or do you still have a key and the switch is supposed to do something else?
Was this
answer
helpful?
Yes
No
Tuesday, May 11th, 2021 AT 12:36 PM (Merged)
Tiny
WANDA ANDREWS
  • MEMBER
  • 1 POST
  • 2004 CHEVROLET IMPALA
  • 237,000 MILES
My positive battery cable was burnt in half by the belt. I replaced the positive cable and checked all the fuses. The car has no power. When connecting the cables back the cables arced twice.
Was this
answer
helpful?
Yes
No
-1
Tuesday, May 11th, 2021 AT 12:36 PM (Merged)
Tiny
JOHNNY G.JR
  • MECHANIC
  • 320 POSTS
Check voltage on battery, should around 12.8 volts, If not charge battery fully "slowly" overnight or eight hours and have a load test run at auto parts store or local garage. Anti theft system might need to be reprogramed to start vehicle.
Was this
answer
helpful?
Yes
No
Tuesday, May 11th, 2021 AT 12:36 PM (Merged)
Tiny
JOHNNY G.JR
  • MECHANIC
  • 320 POSTS
There could be burnt wires that need attention first in wiring harnesses.
Was this
answer
helpful?
Yes
No
Tuesday, May 11th, 2021 AT 12:36 PM (Merged)
Tiny
KEN L
  • MASTER CERTIFIED MECHANIC
  • 55,301 POSTS
Hey WANDA.

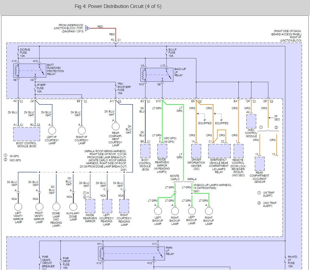
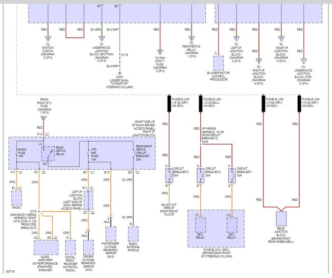
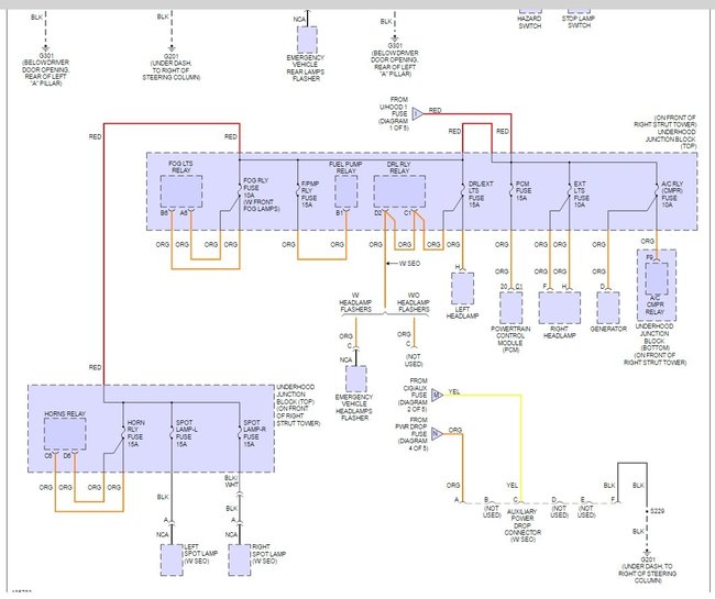
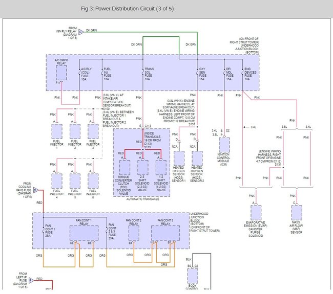
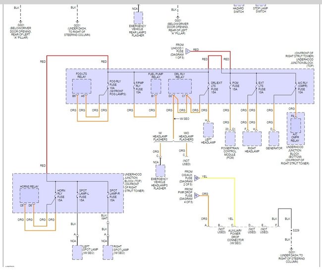
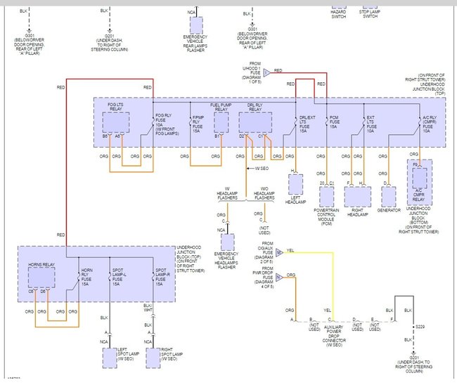
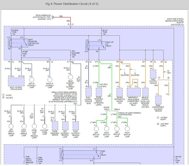
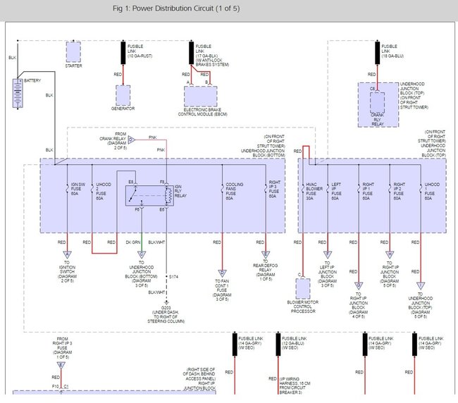
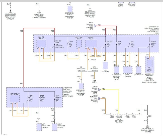
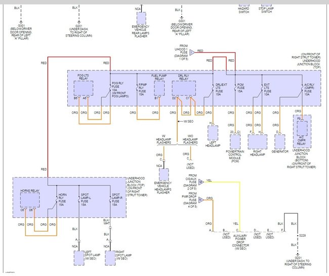
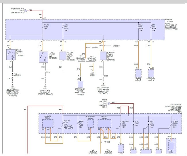
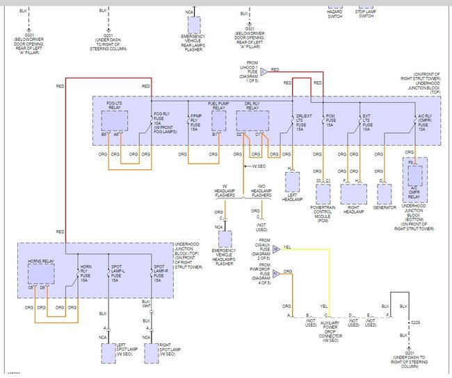
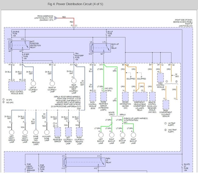
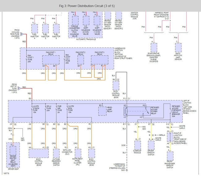
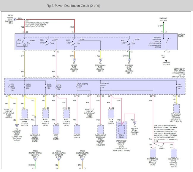
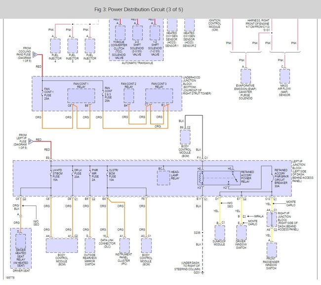
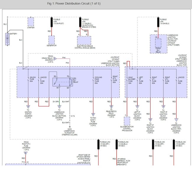
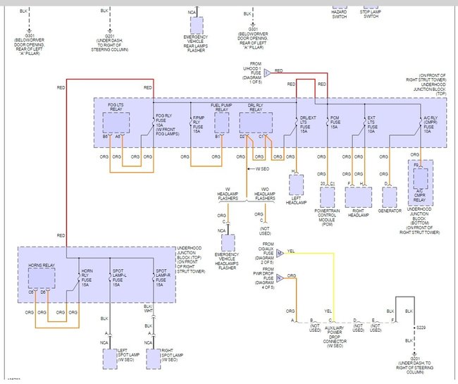
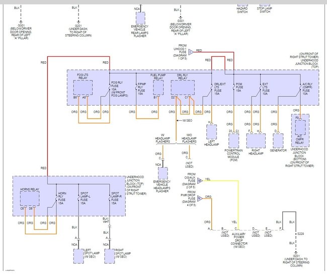
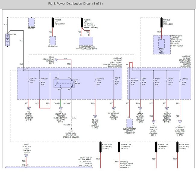
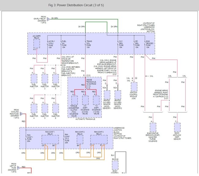
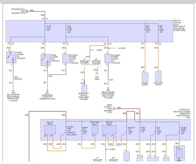
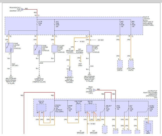
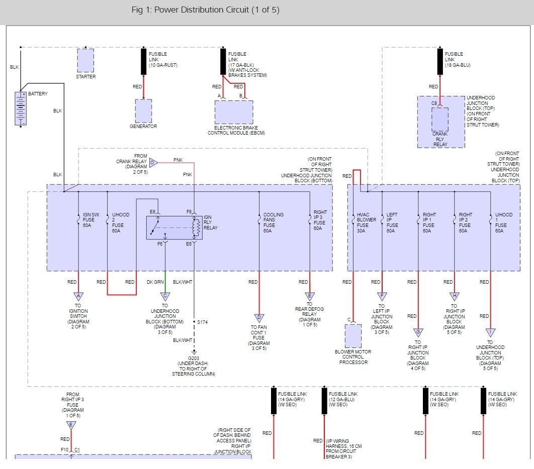
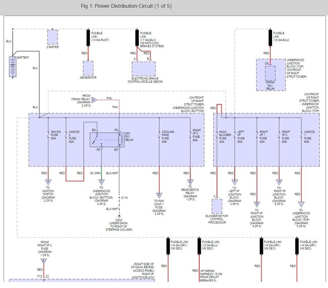
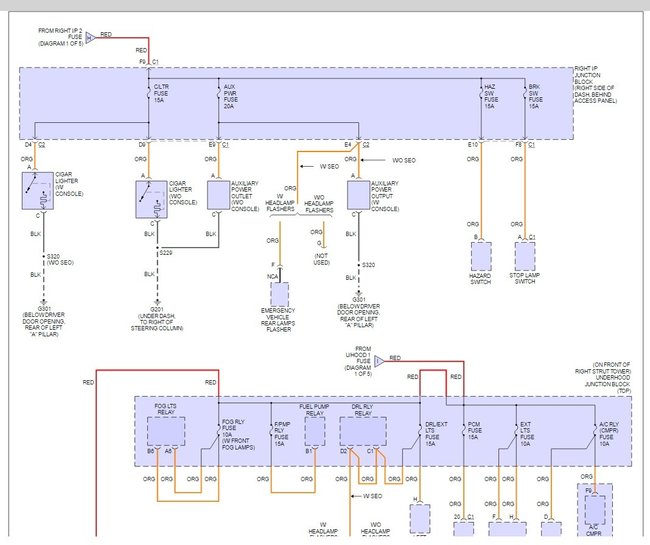
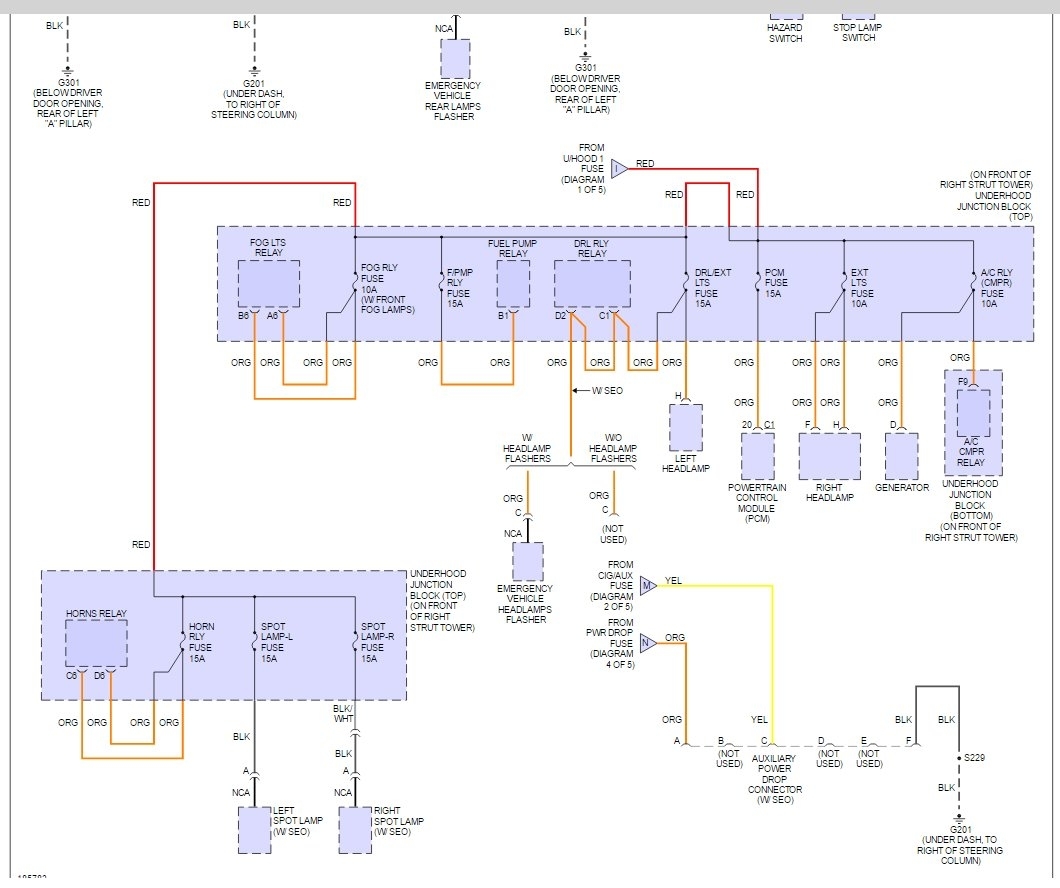
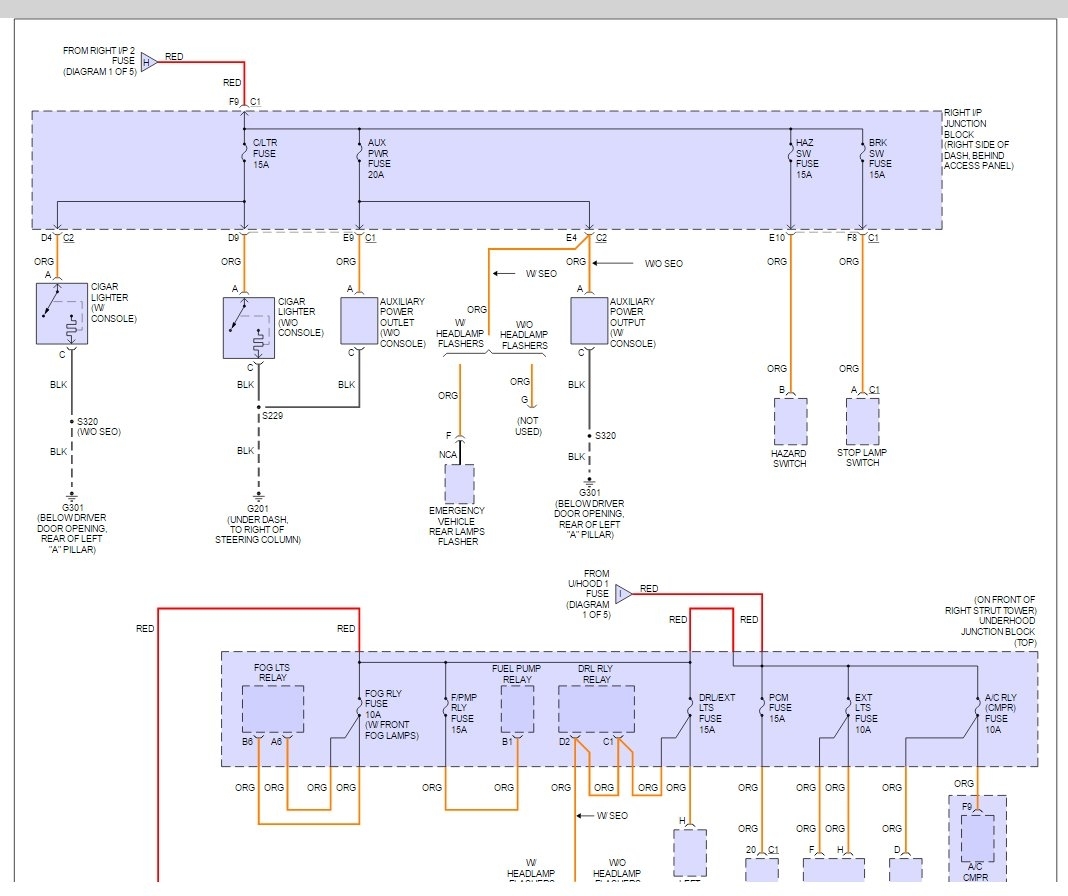
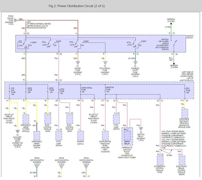
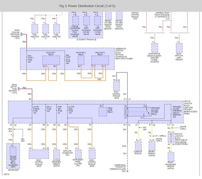
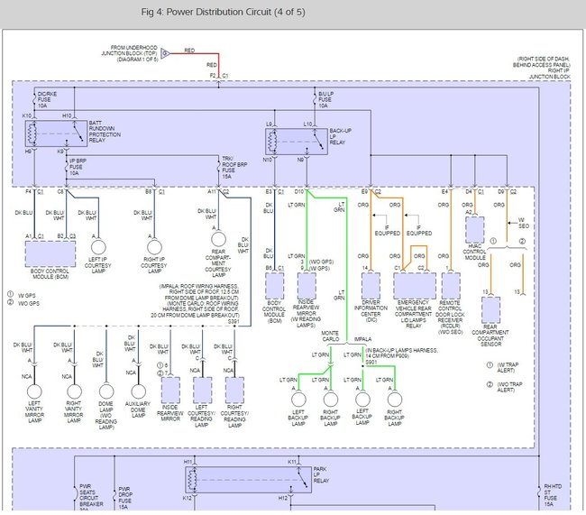
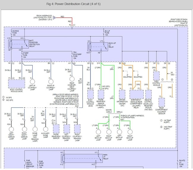
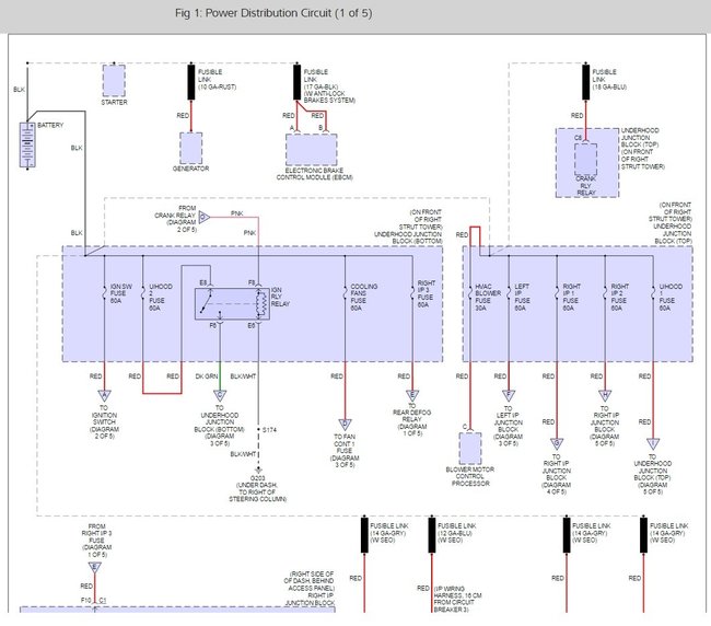
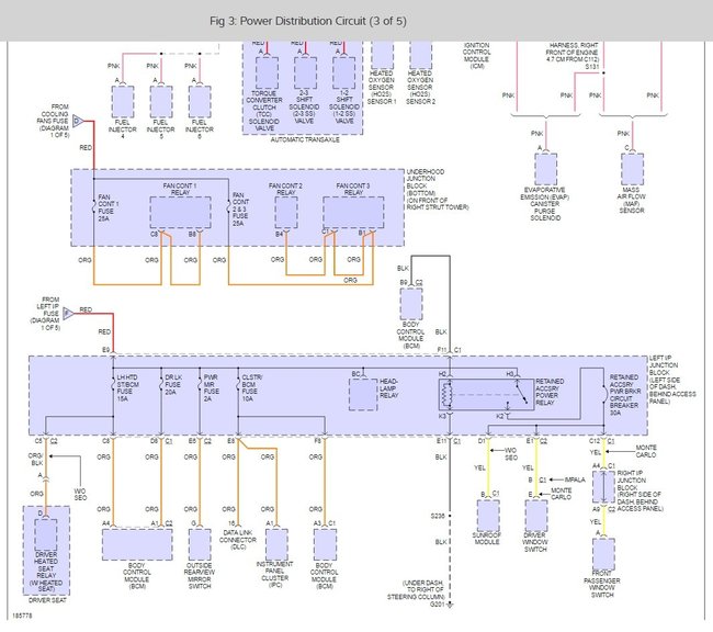
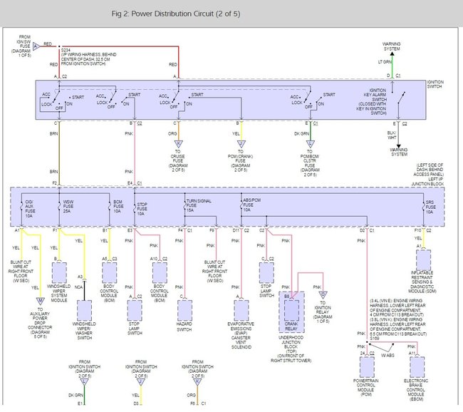
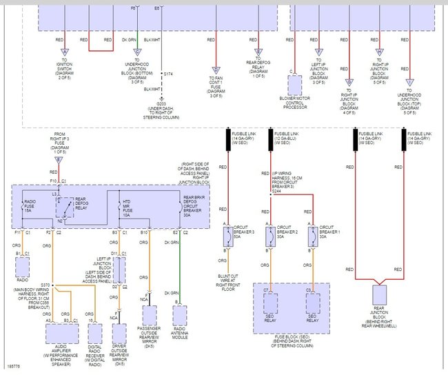
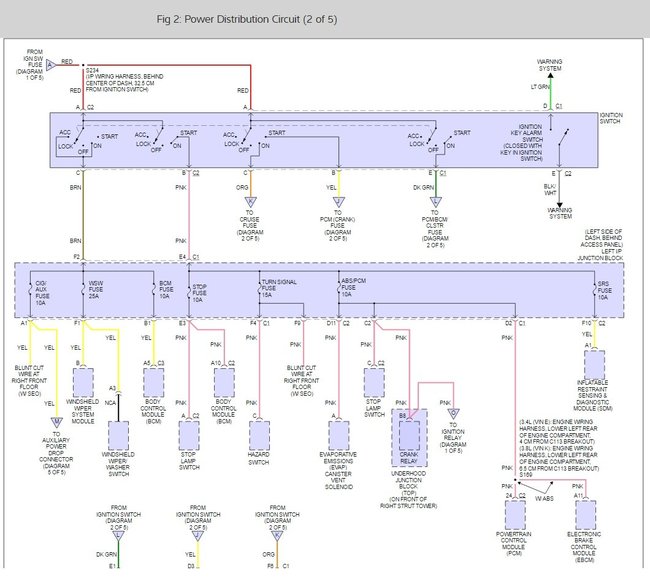
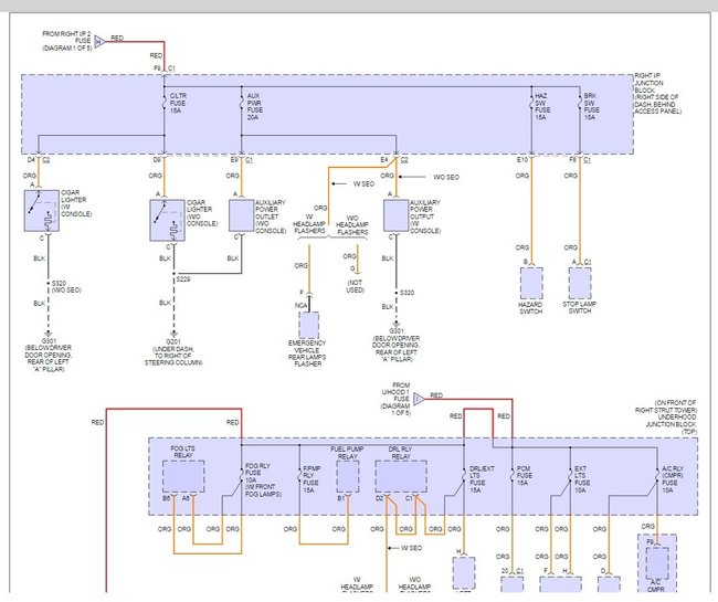
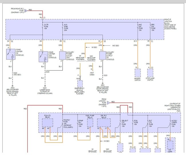
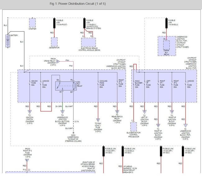
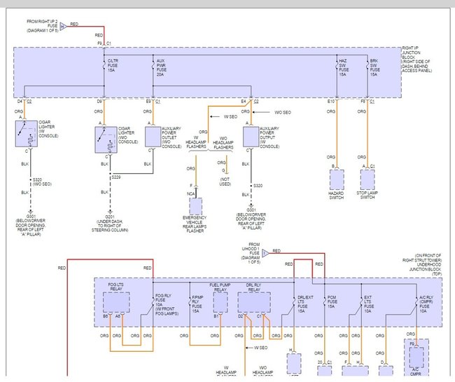
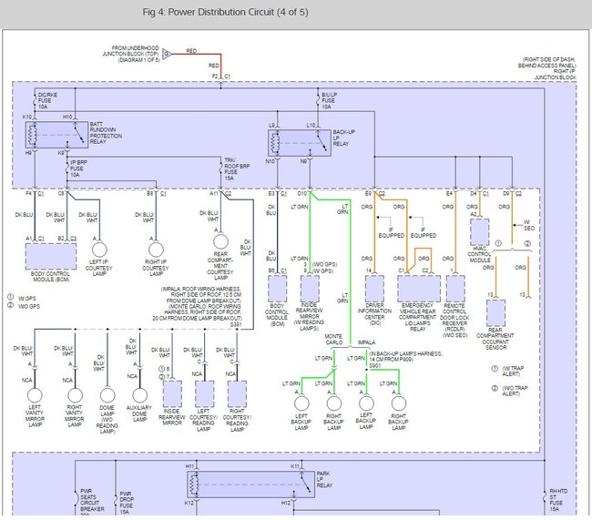
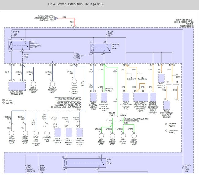
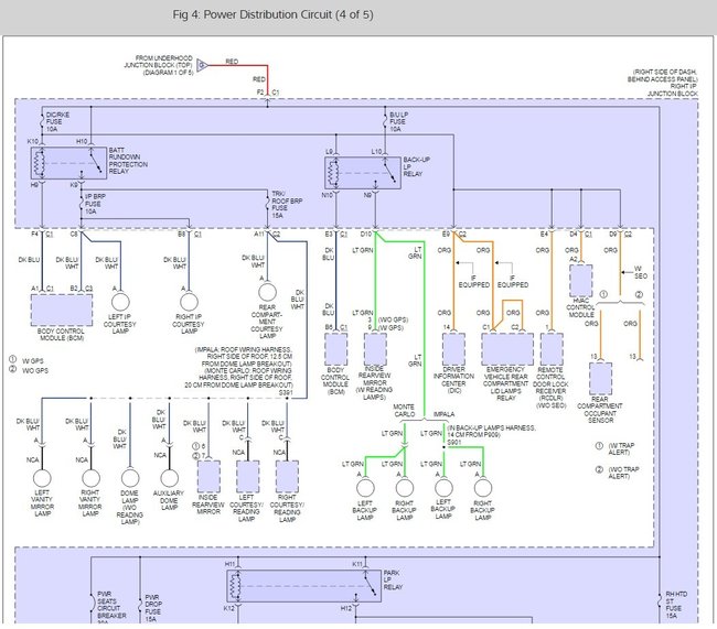
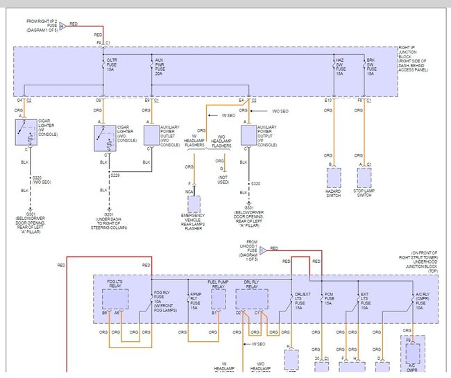
It sounds like you you might have blown a fusible link. Here are some wiring diagrams and a guide to help you do some testing to see if you can find the problem.

https://www.2carpros.com/articles/how-to-use-a-test-light-circuit-tester

Please run some tests and get back to us so we can continue helping you.

Best, Ken
Was this
answer
helpful?
Yes
No
Tuesday, May 11th, 2021 AT 12:36 PM (Merged)
Tiny
BRYAN WARD
  • MEMBER
  • 2 POSTS
  • 2000 CHEVROLET IMPALA
  • 3.8L
  • 6 CYL
  • 2WD
  • AUTOMATIC
  • 135,000 MILES
My car has no power to locks, radio, lights or anything else. The only thing that comes on when I turn the key is the check engine light. I just bought my battery, new, a month ago and have been driving around fine except just replaced the mass airflow sensor right when this happened. I tried jumping the battery with no luck. I've looked everywhere but can't find anything that is exactly my problem. I'm at my wits end so if anyone can help it would be much appreciated. Thank you
Was this
answer
helpful?
Yes
No
Tuesday, May 11th, 2021 AT 12:37 PM (Merged)
Tiny
BRYAN WARD
  • MEMBER
  • 2 POSTS
Whatever this is, is ticking every 7 seconds or so when I wiggled the writing attached to/around my battery. Until I disconnected the clip. Not the MAF sensor but the one beside it a little higher.
Was this
answer
helpful?
Yes
No
Tuesday, May 11th, 2021 AT 12:37 PM (Merged)
Tiny
SCGRANTURISMO
  • MECHANIC
  • 4,897 POSTS
Hello,

In the diagrams down below I have included a diagram showing the locations of all the input sensors for vehicle. Please use this guide to match up the problemed sensor and get back to us with what you are able to find out.

Thanks,
Alex
2CarPros
Was this
answer
helpful?
Yes
No
Tuesday, May 11th, 2021 AT 12:37 PM (Merged)

Please login or register to post a reply.