No power after the truck was stolen and the ignition on column was torn out?

Tiny
JOSHEDMONDSON84
  • MEMBER
  • 1986 FORD F-150
  • 3.2L
  • V8
  • 2WD
  • AUTOMATIC
  • 100,000 MILES
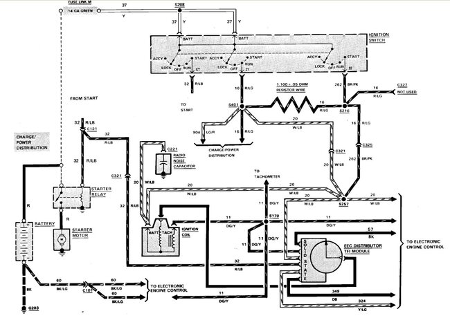
My truck was stolen, and I got it back but the ignition on column was torn out. I have a start stop switch wired up so I could at least start it, but I have no power anywhere to the truck.
Sunday, November 10th, 2024 AT 9:55 PM

1 Reply

Tiny
STEVE W.
  • MECHANIC
  • 15,671 POSTS
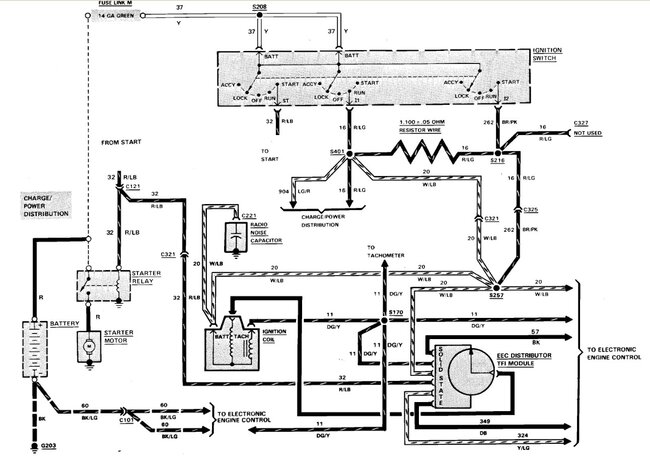
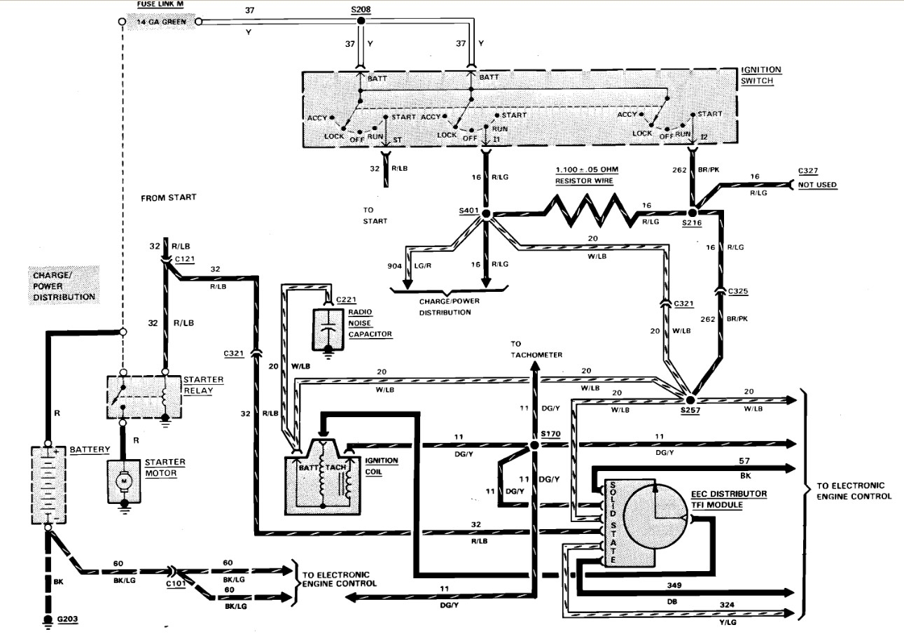
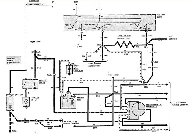
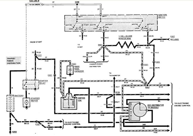
The easiest way to repair it would be to swap out the column to get the OE key cylinder mounting and control back. That is because the switch controls multiple items along with the starting and stopping and having them on simple switches could cause problems by sending voltage to the wrong spots. Getting the cylinder back in controls where the switch slides to avoid those issues. For instance, it is likely that your bypass switch bypasses the factory resistance wiring that helps protect the coil and ignition module by dropping the voltage to them while the engine is running. If you go to www. Car-part. Com and enter your info it should give you a few options and most of the places will ship as well. Usually, the thieves only bother with the lock cylinder on those because of the steering lock. The actual ignition switch isn't inside the column.
Was this
answer
helpful?
Yes
No
Monday, November 11th, 2024 AT 11:33 AM

Please login or register to post a reply.