Saturday, September 11th, 2021 AT 11:30 AM
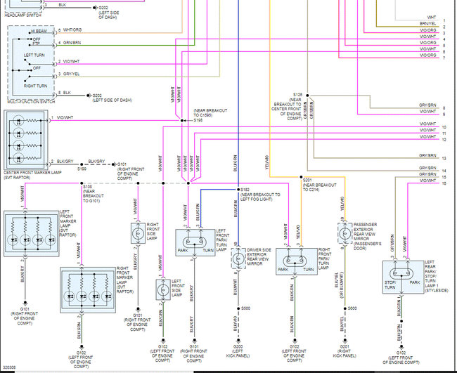
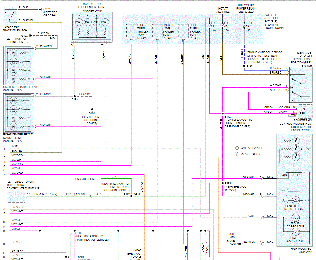
I noticed I have no park lamps, side marker lamps and no running lamps, but brake lights, head lights and turn signals all work. Fuse 22 blows immediately and replacing every time. I'm not sure where to start, I installed a raptor grille with lights built in and T tapped into passenger side marker lamps circuits, and I removed the T taps and retested with a new fuse to see if the grille lights were the cause and the fuse still popped when I tried to turn the lights on. Any ideas?





