No negative power to the distributor

1995 TOYOTA COROLLA
266,270 MILES • 1.5L • 4 CYL • 2WD • MANUAL
Avatar
JAYBEESQUABBLES
  • MEMBER
  • 1 POST
When testing with a bulb, if i switch on the ignition and put the distributor positive wire and battery negative terminal, it's lighting on but if i connect the distributor negative wire and battery positive terminal, there is no power.

I also need to know which wires run through the fuse box, positive or negative or both.
Jan 11, 2022 at 4:23 AM
Repair Safety Notice: This information is for general instructional purposes only. Vehicle repair can be dangerous. Verify all information, follow manufacturer service procedures, use proper tools and safety equipment, and consult a qualified repair shop when needed.
Advertisement
Avatar
AL514
  • CAR REPAIR CONTRIBUTOR
  • 5,484 POSTS
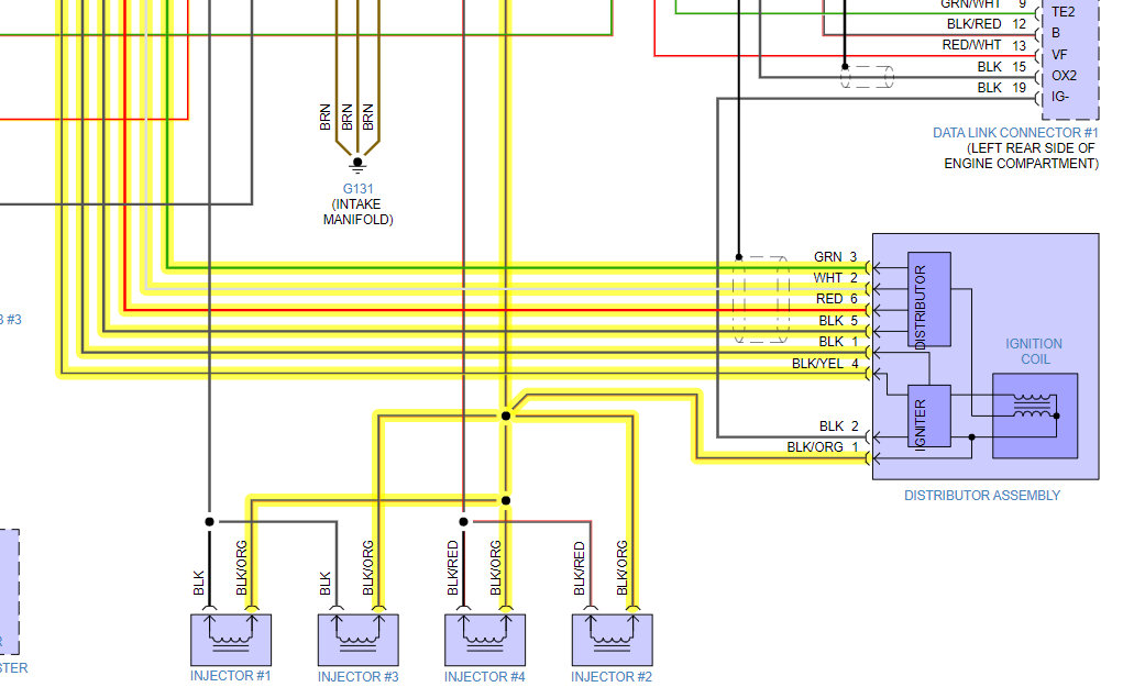
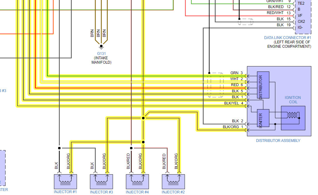
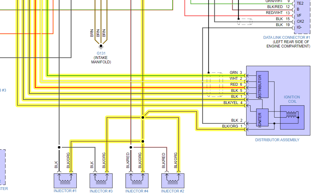
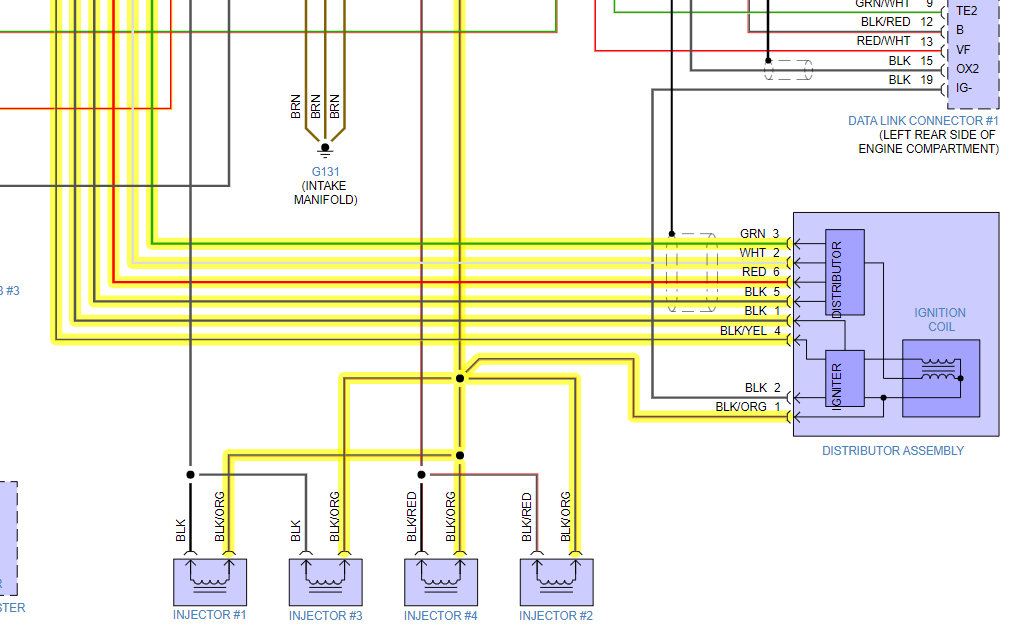
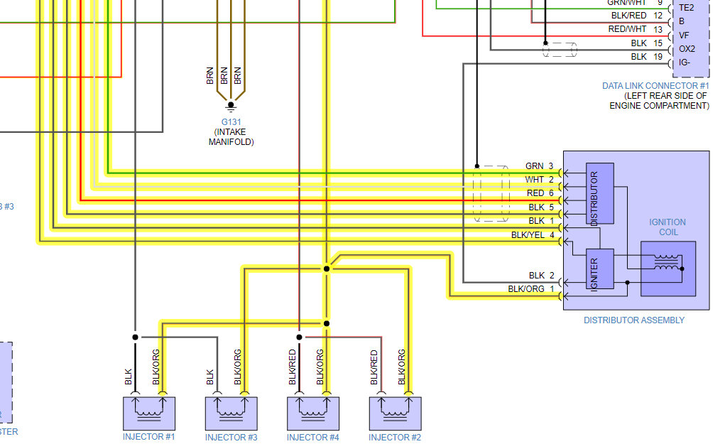
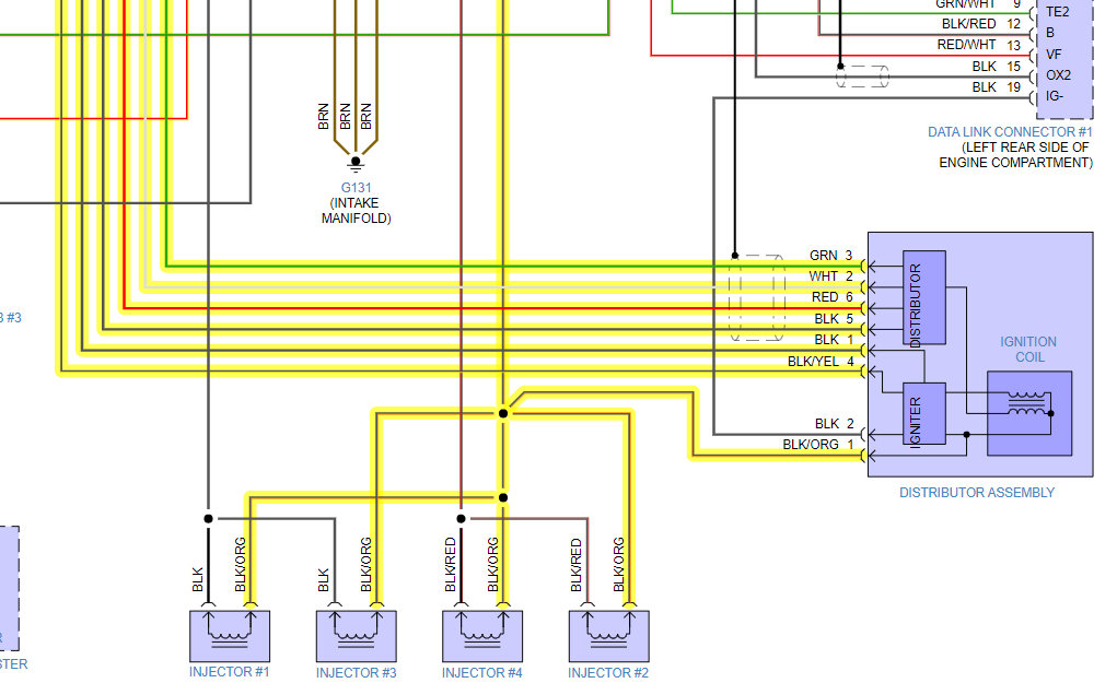
Hello, what color wire are you referring to? The brown wire? I will put up a wiring diagram for the whole distributor. Almost all of the wires run through the engine computer. The black/orange wire is the power wire from the Ignition switch which also powers the Fuel Injectors, the brown wire is actually a shielded ground, meaning it's a braided wire that covers over wires to shield them from/or producing interference. Are you missing spark?
And im assuming this is the 1.6L engine..there is only a 1.6 and 1.8 listed for that year.

https://www.2carpros.com/articles/how-a-car-electrical-system-works
Jan 11, 2022 at 11:28 AM
Advertisement