Wednesday, May 3rd, 2023 AT 2:58 AM
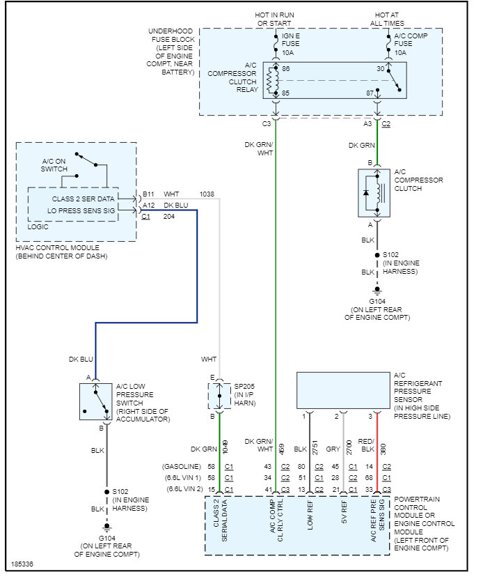
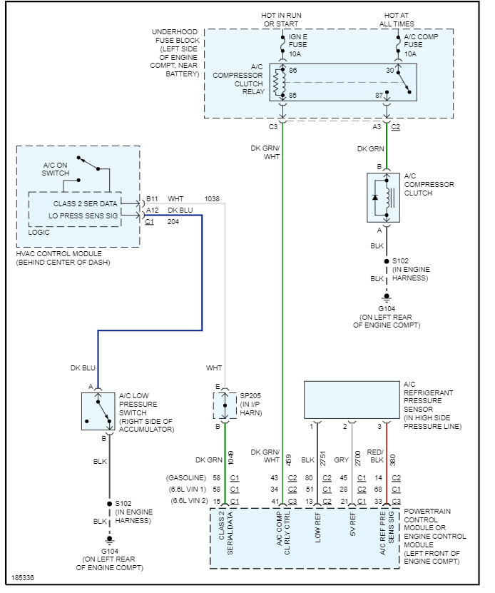
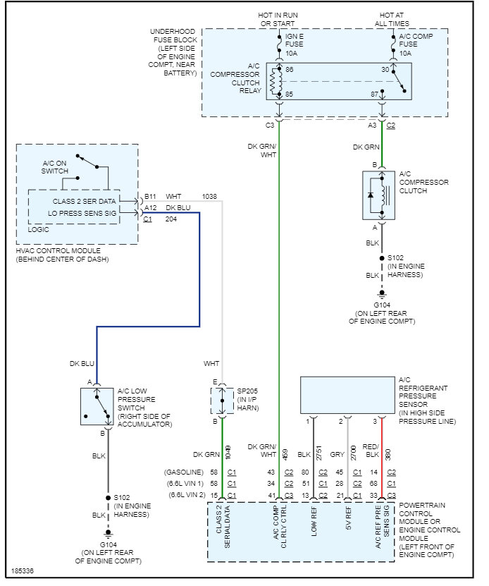
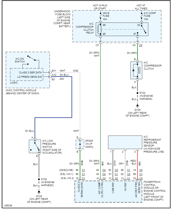
I have the truck listed above diesel. I've replaced compressor, accumulator as well as a h/p line. Old components worked but compressor has a body leak and as well as h/p line. Replaced sucked down went to start and no power to compressor. Checked fuses and relays all seem to be working and in good shape. Went to module checking power and lost lights to module. I did some more checking with for power and decided the module was bad. Replaced module and still no lights or compressor? I'm not sure where to go from this point. Any help would be greatly appreciated. Thanks in advance.






