Left turn signals keeps blowing the fuse

Tiny
BDONE2014
  • MEMBER
  • 2011 CHEVROLET SILVERADO
  • 5.3L
  • V8
  • 4WD
  • AUTOMATIC
  • 200,000 MILES
Okay. So, I have no left turn signals, as soon as I replace a fuse and try to use the left turn it instantly pops the fuse. Searched 98% of the harness with no wires rubbing or damaged. Obviously has power since it pops the fuse.
Thursday, October 28th, 2021 AT 3:39 PM

1 Reply

Tiny
JACOBANDNICKOLAS
  • MECHANIC
  • 110,189 POSTS
Hi,

Have you checked the light sockets to make sure the connectors aren't touching due to it melting?

Try this. Remove all bulbs associated with the left signals. Replace the fuse and actuate the left signals. Does the fuse still blow? If it does, have helpers watch both the front and rear sockets to note if there is a spark when it blows. Also, does this vehicle have a factory tow package including trailer lighting?

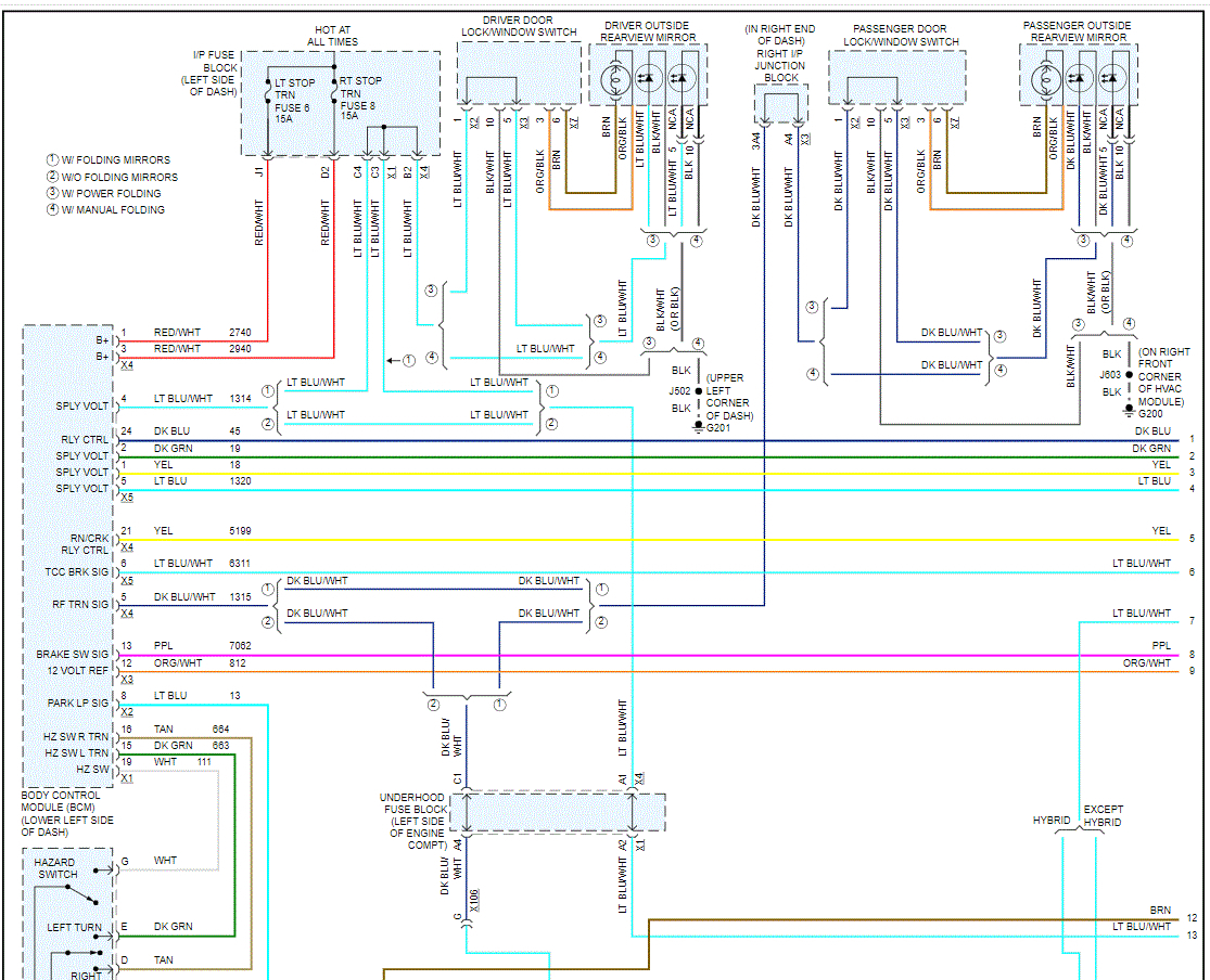
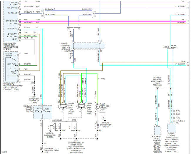
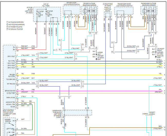
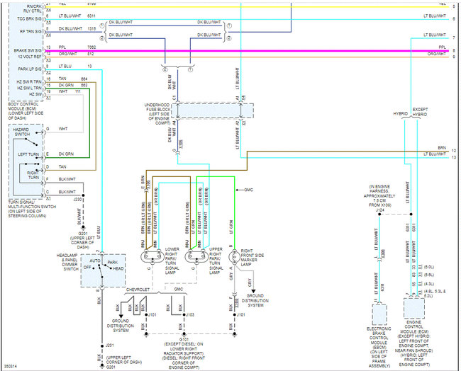
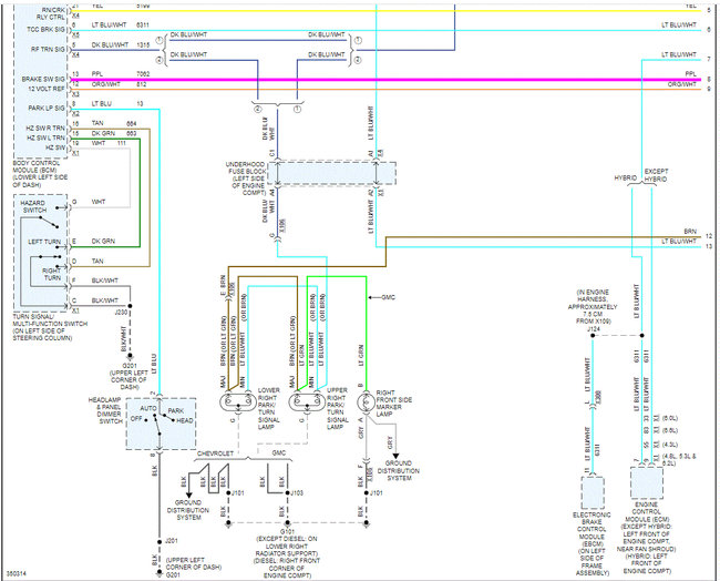
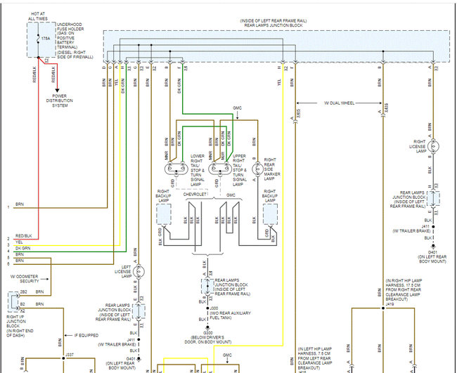
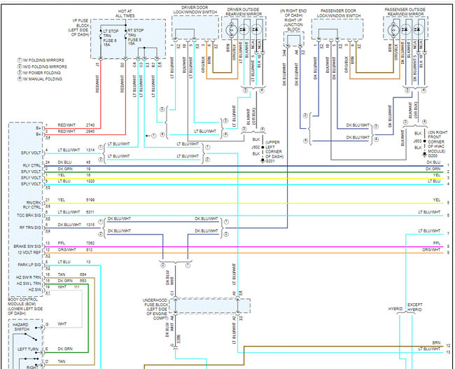
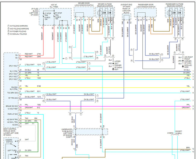
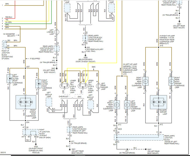
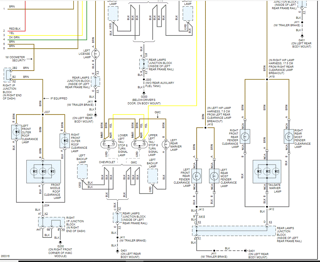
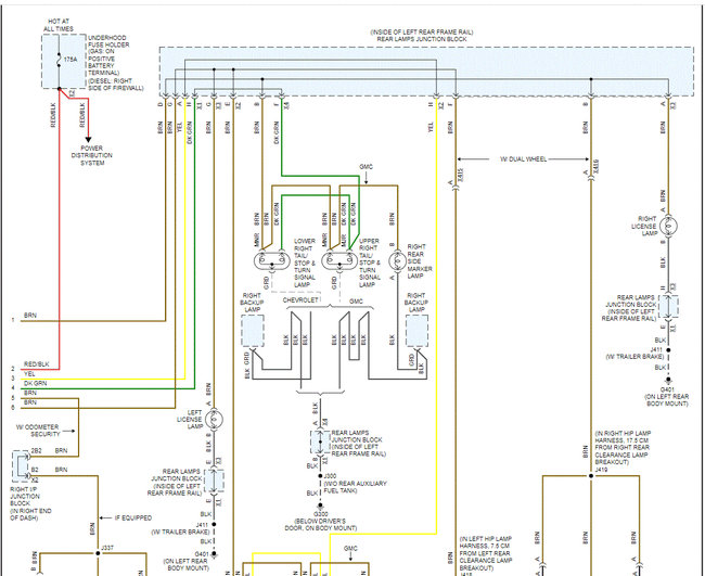
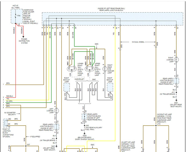
I attached the wiring schematics below for the exterior lighting. I'm adding it so you have a reference.

Let me know. Here is a link you may find helpful:

https://www.2carpros.com/articles/how-to-check-wiring

Let me know what you find or if you have other questions.

Take care,

Joe

See pics below. Note: The schematics were three pages long. I had to cut each in half to make them readable for you. I did overlap them so you can follow from one to the next.
Was this
answer
helpful?
Yes
No
-1
Thursday, October 28th, 2021 AT 8:51 PM

Please login or register to post a reply.