Saturday, April 14th, 2018 AT 2:37 PM
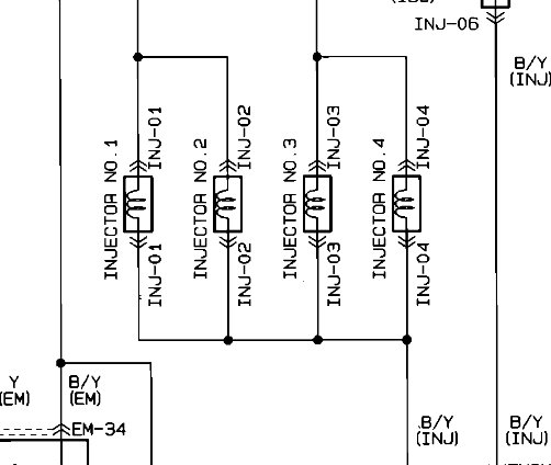
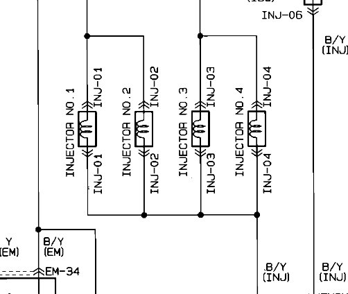
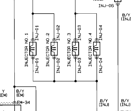
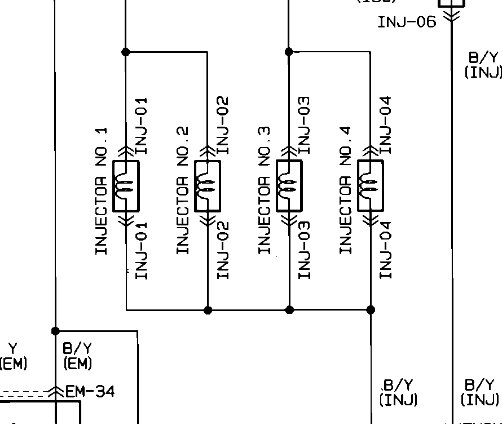
Truck will start if I feed it gas, but the injectors do not pulse. I was wondering if you could start me on what I need to check?


