Gear shift indicator light not working

Tiny
BLESSING EWOBOR
  • MEMBER
  • 2003 MITSUBISHI GALANT
  • 6 CYL
  • 2WD
  • AUTOMATIC
  • 264,432 MILES
Hello, the vehicle will illuminate at P, R and N on the dashboard but it won't on D, 4, 3, 2 and 1. I was suspecting the transmission range switch but I don't know how to diagnose. Please could I have wire diagram for it or what could be the cause?
Could these affect the gear shift because the engine speed has to move to 3krpm before it makes attempt to move forward?
Wednesday, September 15th, 2021 AT 5:55 PM

3 Replies

Tiny
JACOBANDNICKOLAS
  • MECHANIC
  • 110,192 POSTS
Hi,

It could be related to the park/neutral position switch on the transmission. It could be a faulty switch, wiring issue, linkage adjustment issue, and so on. However, it does sound like the switch is bad.

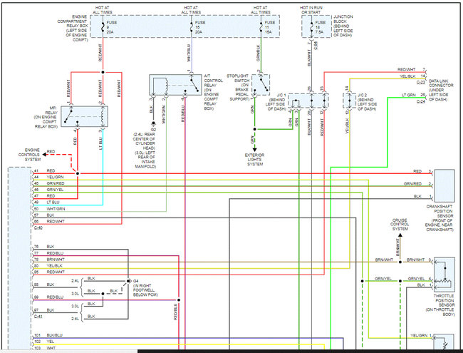
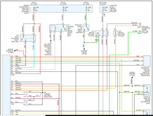
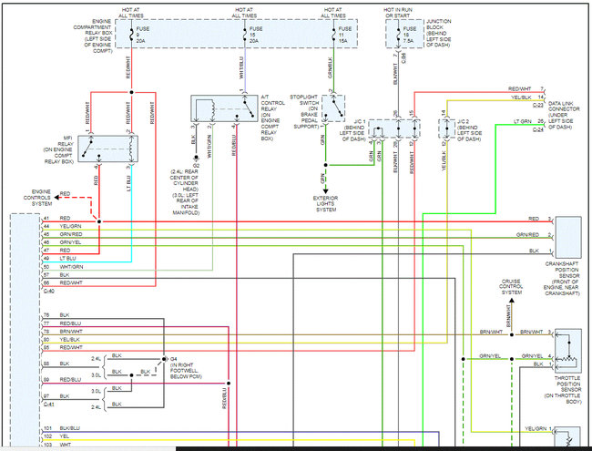
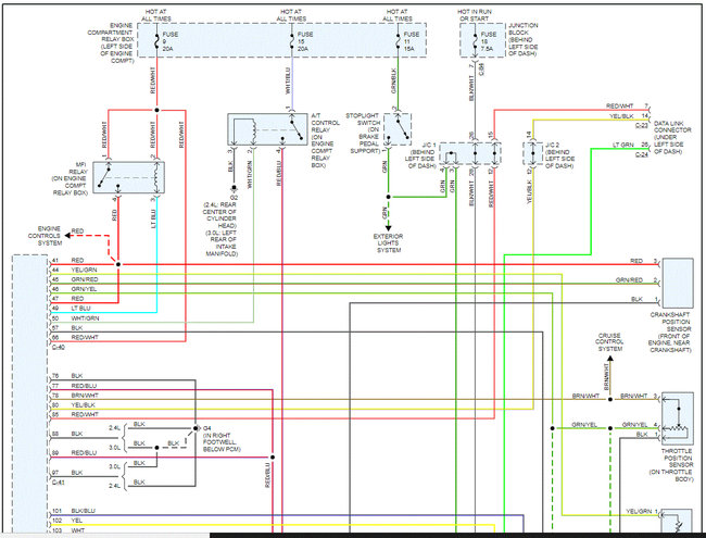
I attached the wiring schematic below. (see pics 1 and 2). I had to cut the pic in half to make it readable. I did overlap them so you can follow from one to the next. If you look at the bottom left of pic 2, you will see the switch.

The remaining pics are a continuity test on the switch. Let me know if you are comfortable doing it. Additionally, here is a link you may find helpful:

https://www.2carpros.com/articles/how-to-check-wiring

Let me know if this helps or if you have other questions

Take care,

Joe

See pics below.
Was this
answer
helpful?
Yes
No
Thursday, September 16th, 2021 AT 9:26 PM
Tiny
BLESSING EWOBOR
  • MEMBER
  • 754 POSTS
Thank you sir.
Was this
answer
helpful?
Yes
No
+1
Friday, September 17th, 2021 AT 12:52 PM
Tiny
JACOBANDNICKOLAS
  • MECHANIC
  • 110,192 POSTS
Hi,

As always, you are very welcome. I'm glad to see you keep returning. We appreciate that.

Let me know if there is anything I can do to help.

Take care,

Joe
Was this
answer
helpful?
Yes
No
Friday, September 17th, 2021 AT 5:02 PM

Please login or register to post a reply.