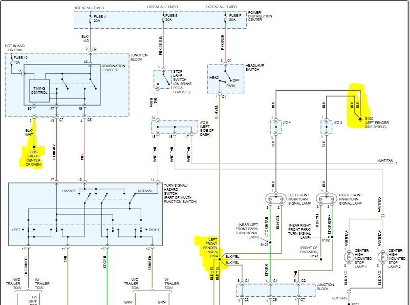
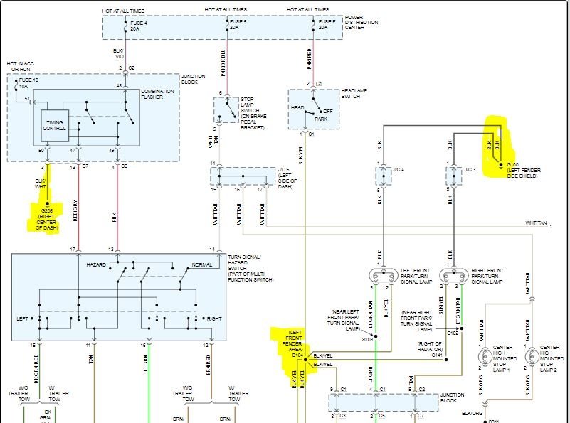
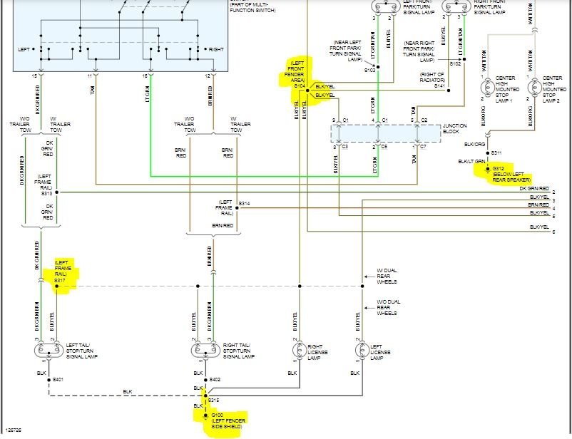
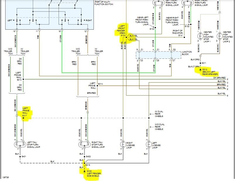
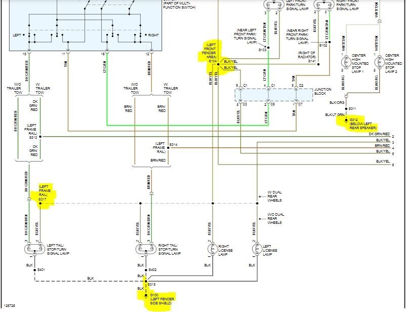
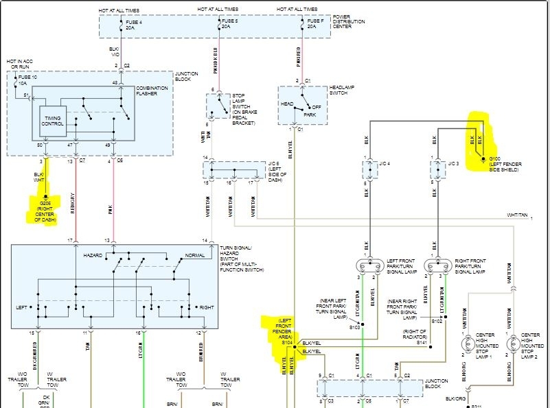
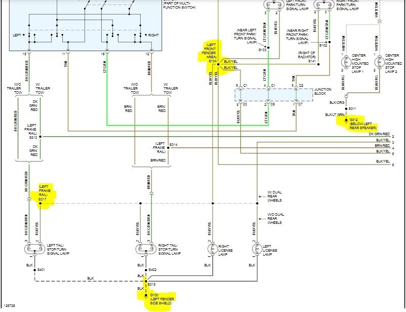
My dash lights and taillights are out, illumination fuse is getting no power, fuse is fine and even swapped the fuse and still no power. Tested the box and where the fuse connects to and it's getting no power to my test light. Any suggestions?
Saturday, September 12th, 2020 AT 11:15 PM







