Saturday, September 10th, 2022 AT 6:46 PM
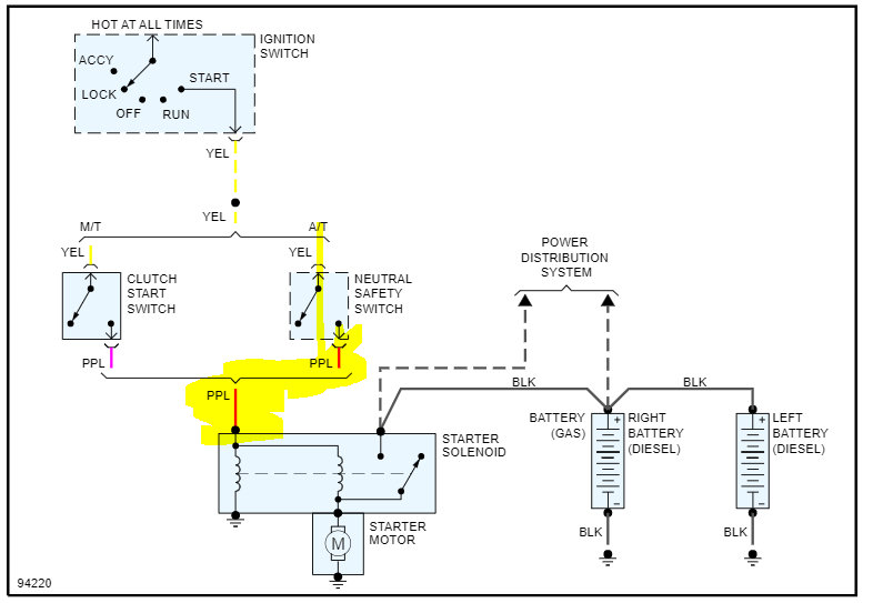
I was replacing the window regulators and motors and was working the windows up and down. I thought I should go ahead and crank the truck to keep the battery from draining. The battery is only a month old. When I tried to start it, the truck started to crank but didn't start so I turned the ignition off, pumped the gas pedal one time to squirt some gas from the accelerator pump into the carburetor. When I tried to crank it again, the battery acted like it was getting weak and then started to click. I went under the hood to reposition the battery cables and tried again this time no click or anything. I thought the battery was drained. I removed the battery and charged it all night. The next day I put the battery back in and tried to crank it again. Did not do anything. Started doing research and came across a video that stated it could possibly be the ignition switch. Okay, I went out and bought a new ignition switch and installed it. Mine in on top of the steering column which was hell to get to and work on. I had to drop the steering column to be able to get to it. Long story short, I got it replaced and still nothing. My headlights work, brake lights work, blinkers work, I even went down to the neutral safety switch which mine only has 2 wires going to it for the reverse lights to activate. That is all it does because the 85 model has a mechanical mechanism in the column that will not allow the truck to start in any position other than park or neutral. I have 12 volts to the starter's big terminal. I have checked all fusible links before and after with all having 12volts. I also went ahead and replaced all the fuses just in case. I am clueless. Somewhere between whatever wire sends 12 volts to the solenoid on the starter is not allowing 12 volts to get there. So many wires I don't even know where to start. I guess I need to check to see if I have the voltage I need to the ignition switch? In the diagrams I have been looking at what appears to be several wires that have 12 volts to them. I guess I would like to know which wire provides the starter solenoid with 12 volts to get it to start so I can start tracing back from there. Also, the pink wire going to the computer behind the glove box does not have 12 volts there. Not sure if that matters. Were just some more videos I was watching trying to figure this out. Thanks for any help I can get on this.


