PARK/NEUTRAL POSITION SWITCH REPLACEMENT/ADJUSTMENT
*Tool Required: J 41364-A Neutral Position Adjustment Tool
*Apply the parking brake.
*Shift the transmission into neutral.

REMOVE OR DISCONNECT
IMPORTANT: The transmission must be positioned into the mechanical neutral position prior to performing this adjustment procedure. The transmission control lever can be positioned to mechanical neutral position by rotating the control lever clockwise until it reaches it's full stop position, and then moving the shift control lever counter-clockwise two detents.
1.Negative battery cable.
2.Shift cable end from the transmission shift control lever by pulling the cable end from the transmission shift control lever stud ball.
3.Nut securing the transmission shift control lever to the manual shaft.
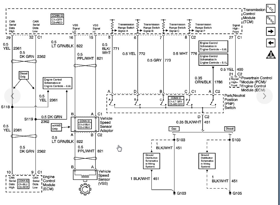
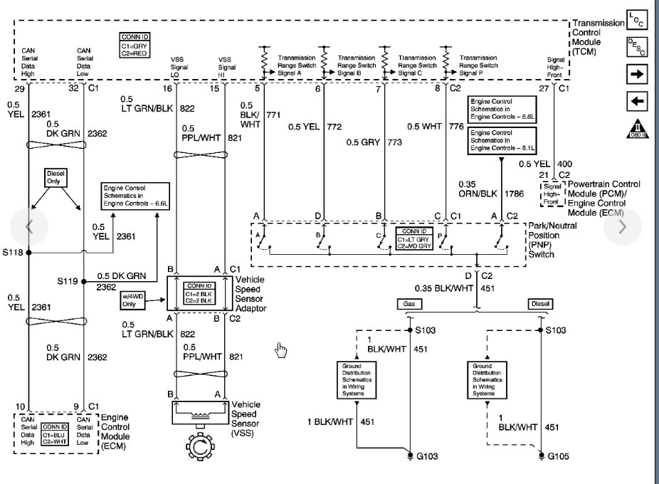
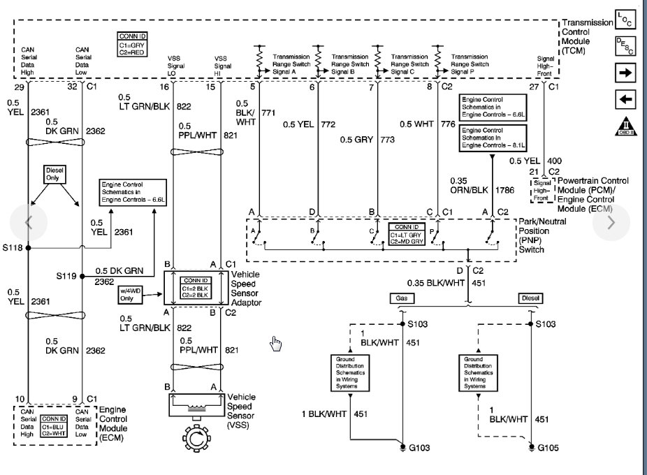
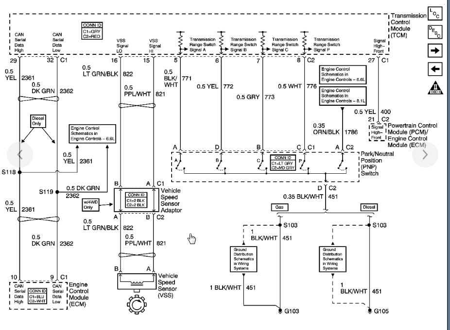
4.Wiring harness connector from the switch.
5.Two bolts securing the switch to the transmission.
6.Switch from the manual shaft.
*If the switch does not slide off of the manual shaft, lightly file the outer edge of the manual shaft to remove any burrs from the shaft.
INSTALL OR CONNECT

ADJUST
1.Position Tool J 41364-A onto the park/neutral position switch. Ensure that the two slots on the switch(where manual shaft is inserted) are lined up with the lower two tabs on the tool. Rotate the tool until the upper locator pin on the tool is lined up with the slot on the top of the switch
2.Switch to the transmission manual shaft.
*Before sliding the switch onto shaft, it may be necessary to lightly file the outer edge of the shaft to remove any burrs from the shaft.
*Align the switch hub flats with the manual shaft flats.
*Slide the switch onto the transmission manual shaft until the switch mounting bracket contacts the mounting bosses on the transmission.
3.Switch to transmission with two bolts. TIGHTEN
*Bolts securing the switch to 28 Nm (21 lb. ft.).
4.Remove Tool J 41364 from the switch.
5.Wiring harness connectors to the switch.
6.Transmission control lever to the manual shaft.
7.Transmission control lever to the manual shaft with the nut. TIGHTEN
*Control lever nut to 28 Nm (21 lb. ft.).
8.Lower vehicle
9.Negative battery cable.
INSPECT
1.Check the switch for proper operation.
*The engine must start in the "P" (Park) or "N" (Neutral) positions only. If adjustments is required, loosening the switch retaining bolts and rotate the switch slightly, then tighten the bolts and check the switch for proper operation.
Thursday, May 6th, 2021 AT 12:21 PM
(Merged)