Where is the horn located?

2011 FORD FUSION
30,000 MILES • 1.4L • 4 CYL • 2WD • MANUAL
Avatar
G C COPE
  • MEMBER
  • 1 POST
No horn. I checked fuses all okay. where can I find the horn?
Jan 3, 2025 at 6:56 AM
Repair Safety Notice: This information is for general instructional purposes only. Vehicle repair can be dangerous. Verify all information, follow manufacturer service procedures, use proper tools and safety equipment, and consult a qualified repair shop when needed.
Advertisement
Avatar
STEVE W.
  • CAR REPAIR CONTRIBUTOR
  • 15,148 POSTS
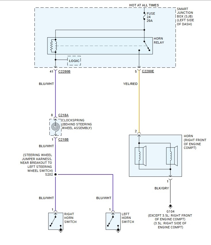
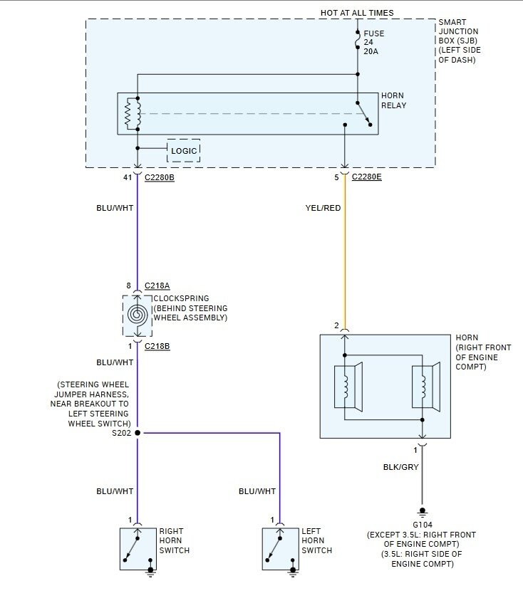
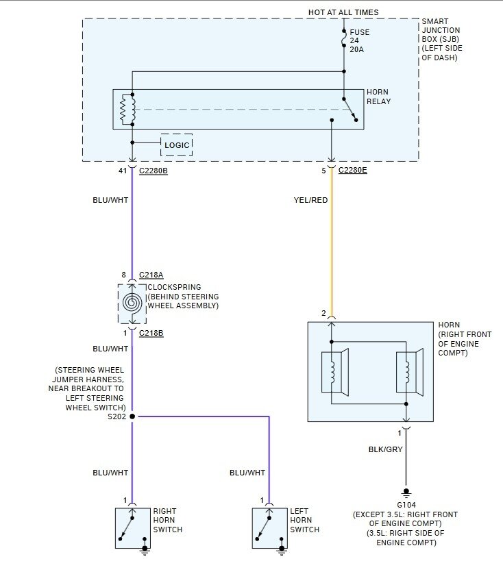
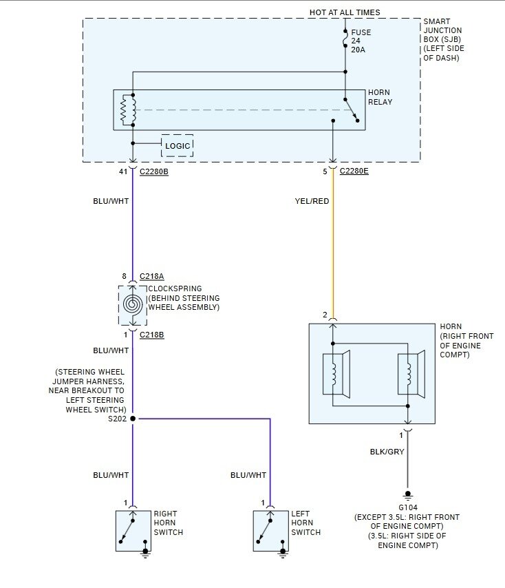
On the US Fusion the horns are hidden behind the fender liner on the passenger side. To get at them you need to remove the 4 screws from under the car and remove the shield. With it off you will see the horn assembly up above bolted to the inner fender. Before you change it though you may want to check that there is power to it. The fuse supplies power to the relay in the body module and then to the horns. The yellow wire on them is the power. With a test light on the yellow wire and the other end grounded it should light when you push the horn button. Then check that the ground is okay by connecting the test light up across the two wires at the horn. If it's bright when you hit the button, the horns are bad. If not and you had power before the ground it likely bad.
Jan 3, 2025 at 9:23 AM
Advertisement