Wednesday, February 6th, 2019 AT 7:57 AM
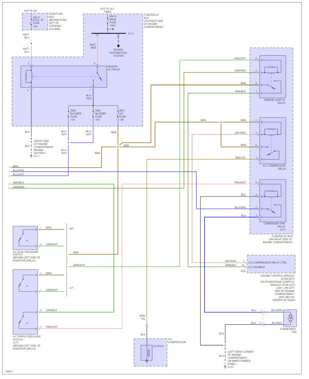
My heater blower or fan would stop blowing the air out of it. I would turn the fan off right away. I would wait five or ten minutes then turn it back on and the fan would work. Well it was extremely cold here in South Dakota and my fan stopped. I shut it off like I have done in the past but the fan still won't turn on. I have heat but no fan. I changed my heater blower resistor and that was not it. So what should I replace to get my fan to work again?







