Saturday, June 13th, 2020 AT 7:34 AM
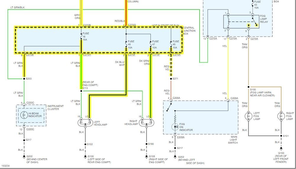
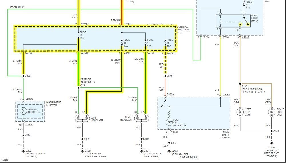
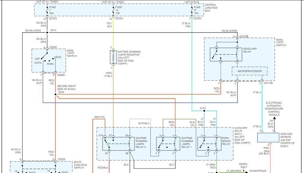
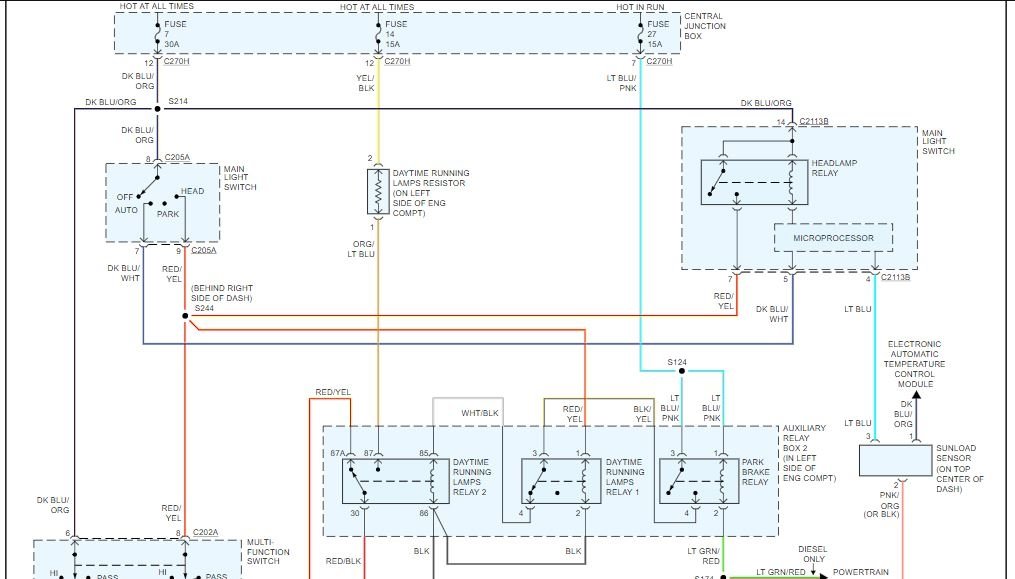
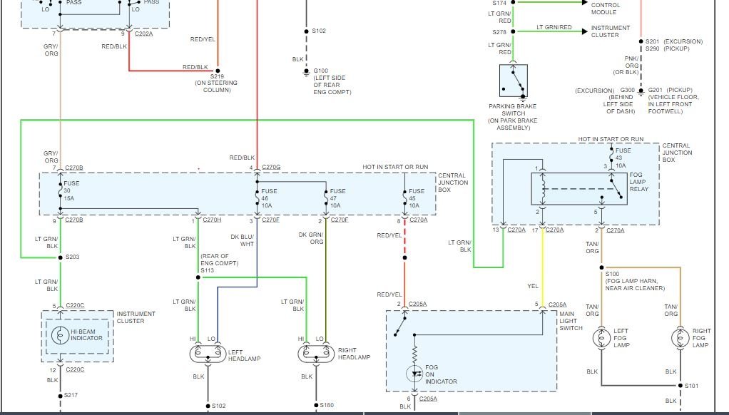
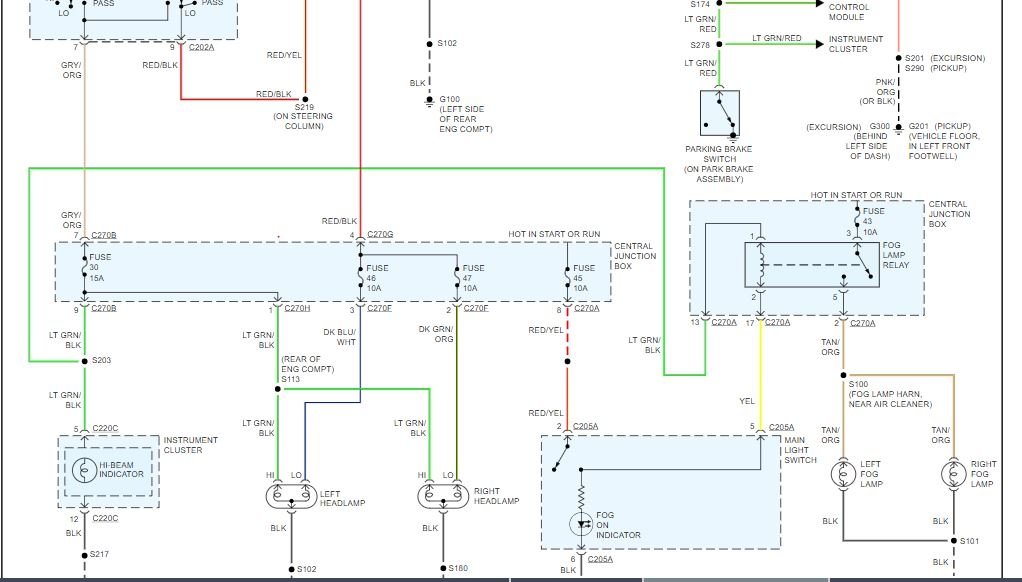
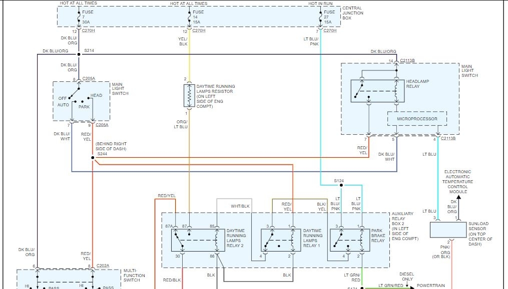
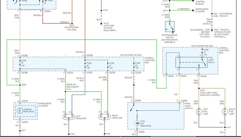
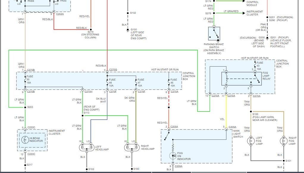
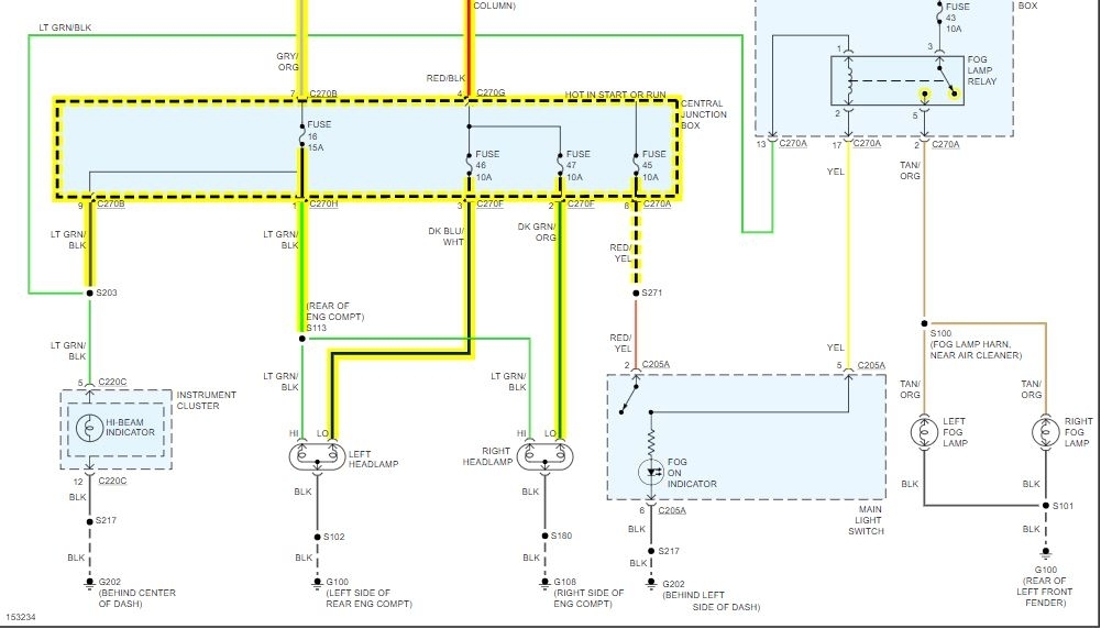
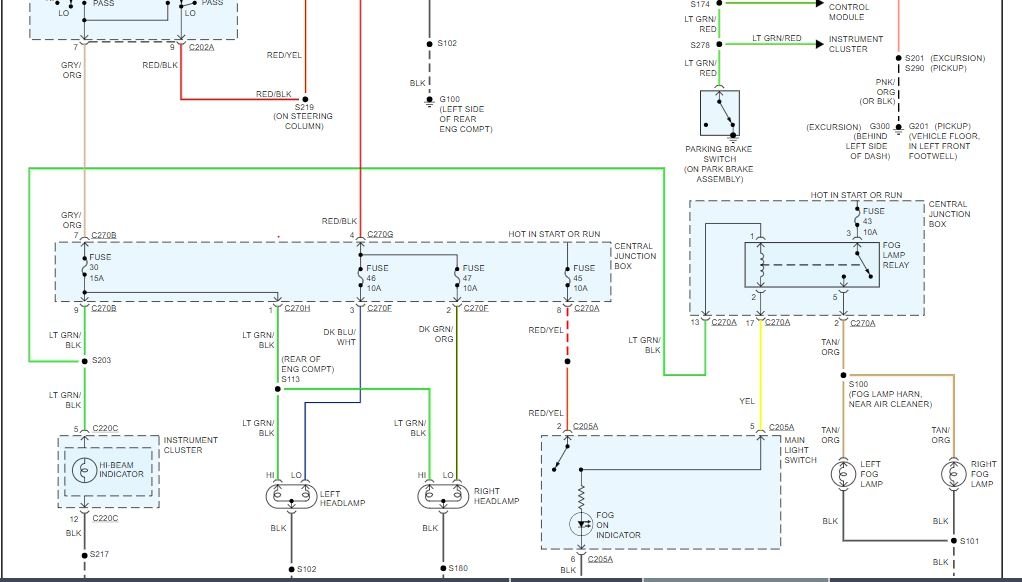
I have recently found a split ground wire from the alternator and the power cable to the starter rubbing through on the chassis. Both issues have been fixed. What I have remaining are the power door locks not working, the key-less entry not working, and the headlights do not work when toggled. I have running lights and high beams but when I switch to headlights, there is nothing. The attached picture shows the position in which the headlights do not turn on. High beams, flash to pass, and fog lights all work.






