Factory 5-digit entry code

Tiny
RV4JESUS
  • MEMBER
  • 2008 FORD F-250
  • V8
  • 4WD
  • AUTOMATIC
  • 121,000 MILES
F250 6.4L diesel. I need the factory 5-digit entry code for the keyless entry keypad which "is marked on the computer module" according to the owners manual. Where is this computer module? Thank you.
Friday, January 21st, 2011 AT 12:01 AM

11 Replies

Tiny
BMRFIXIT
  • MECHANIC
  • 19,053 POSTS
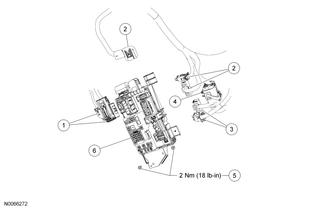
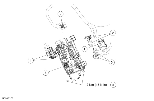
NOTE: The smart junction box (SJB) is also known as the generic electronic module (GEM).

NOTICE: Electronic modules are sensitive to static electrical charges. If exposed to these charges, damage may result.

The SJB controls the power door lock system.
The SJB monitors the door lock/unlock switch inputs from the interior door lock switches.
When the SJB receives an unlock/lock command from any door lock control switch, the module activates the door lock actuators.
The SJB also controls the following remote lock/unlock features:

Remote keyless entry (RKE) transmitter lock/unlock
Panic alarm (button is part of the RKE transmitter)
Keyless entry keypad
The SJB controls the autolamp subsystem.
The autolamp subsystem provides light-sensitive automatic on/off control of the headlamps and parking lamps.
The SJB controls the battery saver, delayed accessory function, exterior and interior lighting and the horn.

The SJB controls the tire pressure monitoring system (TPMS) for the late build vehicles only.

Early build vehicles do not have this feature. Check out the diagrams (Below). Please let us know if you need anything else to get the problem fixed.
Was this
answer
helpful?
Yes
No
+1
Friday, January 21st, 2011 AT 1:07 AM
Tiny
RV4JESUS
  • MEMBER
  • 3 POSTS
Thanks. I pulled the SJB; there are two labels on the back but no single big 5-digit numbers that appear to be the code. Where is it?
Was this
answer
helpful?
Yes
No
-1
Friday, January 21st, 2011 AT 8:37 PM
Tiny
RV4JESUS
  • MEMBER
  • 3 POSTS
Never mind, I figured it out. Thanks for your help.
Was this
answer
helpful?
Yes
No
Friday, January 21st, 2011 AT 9:21 PM
Tiny
BMRFIXIT
  • MECHANIC
  • 19,053 POSTS
Welcome and good luck
Was this
answer
helpful?
Yes
No
Friday, January 21st, 2011 AT 10:36 PM
Tiny
E3MARTINEZEYAHOOCOM
  • MEMBER
  • 1 POST
Rv4jesus,

I have the same exact issue. How did you end up finding the 5-digit code? Can you help? Thanks.
Was this
answer
helpful?
Yes
No
+2
Sunday, December 2nd, 2012 AT 6:17 AM
Tiny
STEVEF250
  • MEMBER
  • 1 POST
  • 2004 FORD F-250
  • V8
  • 4WD
  • AUTOMATIC
  • 75,000 MILES
My door mounted keyless entry system has quit working. Not sure if this other problem is related, but the door locks no longer lock automatically when the truck is in drive and under power. Any suggestions on the fix?
Was this
answer
helpful?
Yes
No
Monday, February 18th, 2019 AT 1:09 PM (Merged)
Tiny
FLEXY5
  • MECHANIC
  • 512 POSTS
I have seen this problem several times before. Most often it is the keypad itself that is bad. One of the buttons is probably sticking and therefore sending a signal to the module. As long as the module is getting the signal, it will not autolock the doors. You can take it to a shop and have them test the system. The dealership can even tell you which button it is based on there computer diagnostics.
Was this
answer
helpful?
Yes
No
Monday, February 18th, 2019 AT 1:09 PM (Merged)
Tiny
JESTERCL65
  • MEMBER
  • 3 POSTS
  • 2000 FORD F-250
  • V8
  • 4WD
  • AUTOMATIC
  • 120,000 MILES
The keyless entry and the power door locks are not working. I can hear the actuators trying to move but the locks don't.
Was this
answer
helpful?
Yes
No
Monday, February 18th, 2019 AT 1:09 PM (Merged)
Tiny
BMRFIXIT
  • MECHANIC
  • 19,053 POSTS
If you hear it trying most likely and very common is the actuators no good need to remove door panel and check
Was this
answer
helpful?
Yes
No
Monday, February 18th, 2019 AT 1:09 PM (Merged)
Tiny
TIM.DEASON
  • MEMBER
  • 1 POST
  • 1999 FORD F-250
  • V8
  • 2WD
  • MANUAL
  • 100,000 MILES
I can hear clicking but the lock will not lock or unlock with hand remote or door lock button.
Was this
answer
helpful?
Yes
No
Monday, February 18th, 2019 AT 1:09 PM (Merged)
Tiny
DAVE H
  • MECHANIC
  • 13,384 POSTS
TEST A: ONE POWER DOOR LOCK INOPERATIVE
Manually operate inoperative door lock and check for binding or sticking lock. If door lock is not binding or sticking, go to next step. If door lock is binding or sticking, repair or replace as necessary and retest system operation.
Ensure ignition is off. Remove door trim panel and disconnect suspect door lock actuator connector. Check voltage between ground and door lock actuator connector Pink/Black wire terminal while pressing door lock switch to LOCK position. If more than 10 volts exists and vehicle is not equipped with remote keyless entry, go to next step. If more than 10 volts exists, left door lock is inoperative and vehicle is equipped with remote keyless entry system, go to step 4). If 10 volts or less exists, repair Pink/Black wire and retest system operation.
Check voltage between ground and door lock actuator connector Pink/Orange wire terminal while pressing door lock switch to UNLOCK position. If more than 10 volts exists, replace door lock actuator and retest system operation. If 10 volts or less exists, repair Pink/Orange wire and retest system operation.
Check voltage between ground and left door lock actuator connector Red/Orange wire terminal while pressing door lock switch to UNLOCK position. If more than 10 volts exists, replace door lock actuator and retest system operation. If 10 volts or less exists, go to next step.
Remove driver unlock relay located behind right side of dash. Measure resistance in Red/Orange wire between driver unlock relay connector terminal No. 30 and left door lock actuator connector. See Fig. 3. If resistance is less than 5 ohms, go to next step. If resistance is 5 ohms or more, repair open in Red/Orange wire and retest system operation.
Check voltage between ground and driver unlock relay connector terminal No. 87A while pressing door lock switch to UNLOCK position. See Fig. 3. If more than 10 volts exists, replace driver unlock relay and retest system operation. If 10 volts or less exists, repair Pink/Orange wire and retest system operation.
Fig. 3: Identifying Door Unlock, All Unlock & Driver Unlock Relay Connector Terminals
Courtesy of FORD MOTOR CO.
TEST B: ALL POWER DOOR LOCKS INOPERATIVE
Check if vehicle is equipped with Remote Anti-Theft Personality (RAP) module. RAP module is located behind left side of dash. If vehicle is not equipped with RAP module, go to next step. If vehicle is equipped with RAP module, go to step 9).
Disconnect right power door lock switch connector. Check voltage between ground and right door lock switch connector Black/White wire terminal. If more than 10 volts exists, go to next step. If 10 volts or less exists, repair Black/White wire and retest system operation.
Measure resistance between ground and right door lock switch connector Pink/Yellow and Pink/Light Green wire terminals. If both resistance readings are less than 5 ohms, go to next step. If either resistance reading is 5 ohms or more, go to step 6).
Check right door lock switch. See DOOR LOCK SWITCH under COMPONENT TESTS. If right door lock switch is okay, go to next step. If right door lock switch is not okay, replace right door lock switch and retest system operation.
Remove door trim panel and disconnect right power door lock actuator connector. Measure resistance in Pink/Black wire between right door lock actuator connector and right door lock switch connector. If resistance is less than 5 ohms, repair Pink/Orange wire and retest system operation. If resistance is 5 ohms or more, repair open in Pink/Black wire and retest system operation.
Disconnect left power door lock switch connector. Measure resistance between ground and left door lock switch connector Black wire terminals. If both resistance readings are less than 5 ohms, go to next step. If either resistance reading is 5 ohms or more, repair open in Black wire(s) and retest system operation.
Check left door lock switch. See DOOR LOCK SWITCH under COMPONENT TESTS. If left door lock switch is okay, go to next step. If left door lock switch is not okay, replace left door lock switch and retest system operation.
Measure resistance in Pink/Yellow wire between left door lock switch connector and right door lock switch connector. If resistance is less than 5 ohms, repair open in Pink/Light Green wire (unlock circuit) and retest system operation. If resistance is 5 ohms or more, repair open in Pink/Yellow wire (lock circuit) and retest system operation.
Lock and unlock doors using remote transmitter. Make sure to press UNLOCK button twice when unlocking. If door locks are completely inoperative, go to next step. If door locks only lock, go to step 15). If door locks only unlock, go to step 18).
Remove all unlock relay located behind right side of dash. Measure resistance between ground and all unlock relay connector terminal No. 87A (Black wire). See Fig. 3. If resistance is less than 5 ohms, go to next step. If resistance is 5 ohms or more, repair open in Black wire and retest system operation.
Check voltage between ground and all unlock relay connector terminal No. 86 (Black/White wire). See Fig. 3. If more than 10 volts exists, go to next step. If 10 volts or less exists, repair Black/White wire and retest system operation.
Check all lock and all unlock relays. See ALL LOCK, ALL UNLOCK & DRIVER UNLOCK RELAYS under COMPONENT TESTS. If relays are okay, go to next step. If any relay is not okay, replace relay(s) and retest system operation.
Remove driver unlock relay located behind right side of dash. Using an ohmmeter, check resistance in Pink/Orange wire between driver unlock relay connector terminal No. 87A and all unlock relay connector terminal No. 30. See Fig. 3. If resistance is less than 5 ohms, go to next step. If resistance is 5 ohms or more, repair open in Pink/Orange wire and retest system operation.
Remove door trim panel and disconnect right door lock actuator connector. Using an ohmmeter, measure resistance in Pink/Black wire between all lock relay connector terminal No. 30 and right door lock actuator. See Fig. 3. If resistance is less than 5 ohms, go to appropriate REMOTE KEYLESS ENTRY SYSTEMS article. If resistance is 5 ohms or more, repair open in Pink/Black wire and retest system operation.
Ensure ignition is off. Remove all unlock relay located behind right side of dash. Check voltage between ground and all unlock relay connector terminals No. 86 and 87. See Fig. 3. If more than 10 volts exists at both terminals, go to next step. If 10 volts or less exists at either terminal, repair Black/White wire(s) and retest system operation.
Measure resistance between ground and all unlock relay connector terminal No. 87A. See Fig. 3. If resistance is less than 5 ohms, go to next step. If resistance is 5 ohms or more, repair open in Black wire and retest system operation.
Check all unlock relay. See ALL LOCK, ALL UNLOCK & DRIVER UNLOCK RELAYS under COMPONENT TESTS. If relay is okay, go to next step. If relay is not okay, replace relay and retest system operation.
Ensure ignition is off. Remove all lock relay located behind right side of dash. Check voltage between ground and all lock relay connector terminals No. 86 and 87. See Fig. 3. If more than 10 volts exists at both terminals, go to next step. If 10 volts or less exists at either terminal, repair Black/White wire(s) and retest system operation.
Measure resistance between ground and all lock relay connector terminal No. 87A. See Fig. 3. If resistance is less than 5 ohms, go to next step. If resistance is 5 ohms or more, repair open in Black wire and retest system operation.
Check all lock relay. See ALL LOCK, ALL UNLOCK & DRIVER UNLOCK RELAYS under COMPONENT TESTS. If relay is okay, repair Pink/Yellow wire and retest system operation. If relay is not okay, replace relay and retest system operation.
TEST C: ALL POWER DOOR LOCKS OPERATE FROM ONE SWITCH ONLY
Check if vehicle is equipped with Remote Anti-Theft Personality (RAP) module. RAP module is located behind left side of dash. If vehicle is not equipped with RAP module, go to next step. If vehicle is equipped with RAP module, go to step 4).
Turn ignition off. Disconnect inoperative door lock switch. Check voltage between ground and inoperative door lock switch connector Black/White wire terminal. If more than 10 volts exists and other door lock operates properly, replace inoperative door lock switch and retest system operation. If more than 10 volts exists and only one door lock switch operates in one direction, go to next step. If 10 volts or less exists, repair Black/White wire and retest system operation.
Disconnect left and right door lock switches. Measure resistance in Pink/Yellow and Pink/Light Green wires between left door lock switch connector and right door lock switch connector. If both resistance readings are less than 5 ohms, replace inoperative door lock switch and retest system operation. If either resistance reading is 5 ohms or more, repair open in Pink/Yellow and/or Pink/Light Green wire and retest system operation.
Turn ignition off. Disconnect inoperative door lock switch. Measure resistance between ground and inoperative door lock switch connector Black wire terminal. If resistance is less than 5 ohms, go to next step. If resistance is 5 ohms or more, repair open in Black wire and retest system operation.
Check inoperative door lock switch. See DOOR LOCK SWITCH under COMPONENT TESTS. If door lock switch is okay, go to next step. If door lock switch is not okay, replace door lock switch and retest system operation.
Remove all lock relay located behind right side of dash. Using an ohmmeter, check resistance in Pink/Yellow wire between all lock relay connector terminal No. 85 and inoperative door lock switch connector. See Fig. 3. If resistance is less than 5 ohms, repair Pink/Light Green wire (unlock circuit) and retest system operation. If resistance is 5 ohms or more, repair open in Pink/Yellow wire and retest system operation.
Was this
answer
helpful?
Yes
No
Monday, February 18th, 2019 AT 1:09 PM (Merged)

Please login or register to post a reply.