Headlights are not working?

Tiny
DILL-11
  • MEMBER
  • 1989 DODGE TRUCK
  • 5.2L
  • V8
  • 2WD
  • AUTOMATIC
  • 150,000 MILES
I have put in a new headlight switch and new dimmer switch. Checked all fuse still no headlights. Is there a headlight relay somewhere?
Wednesday, June 12th, 2024 AT 5:24 PM

12 Replies

Tiny
STEVE W.
  • MECHANIC
  • 15,691 POSTS
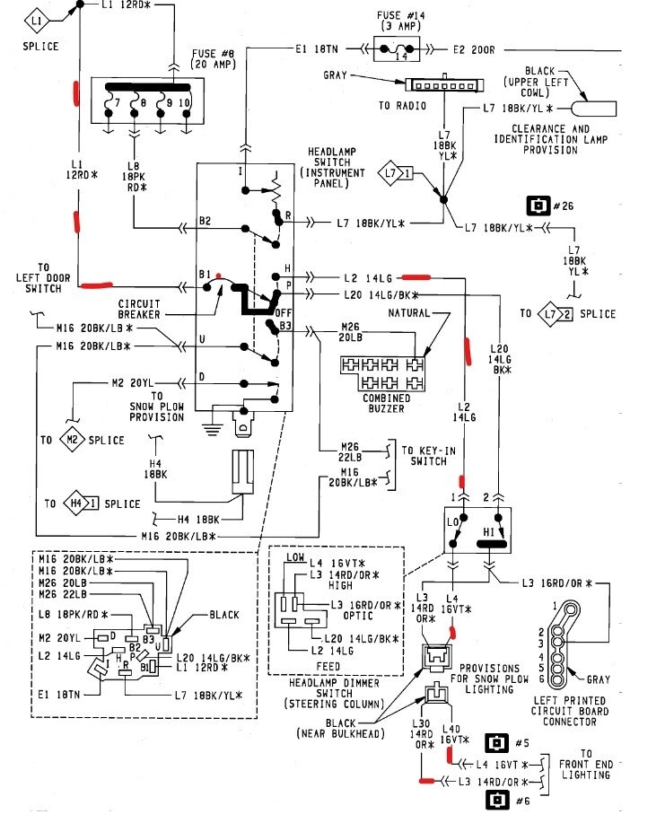
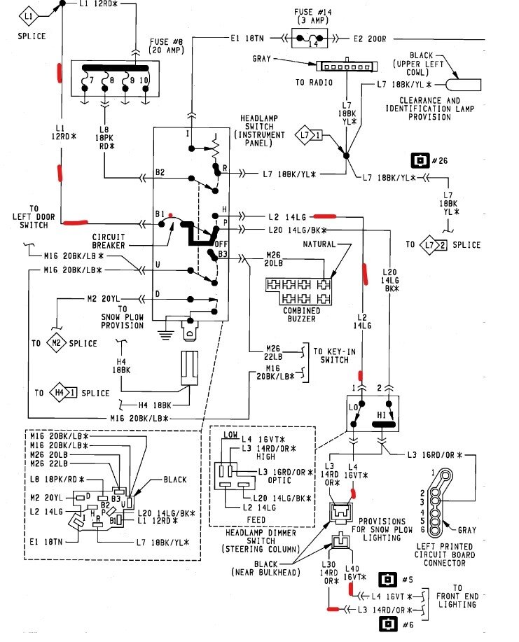
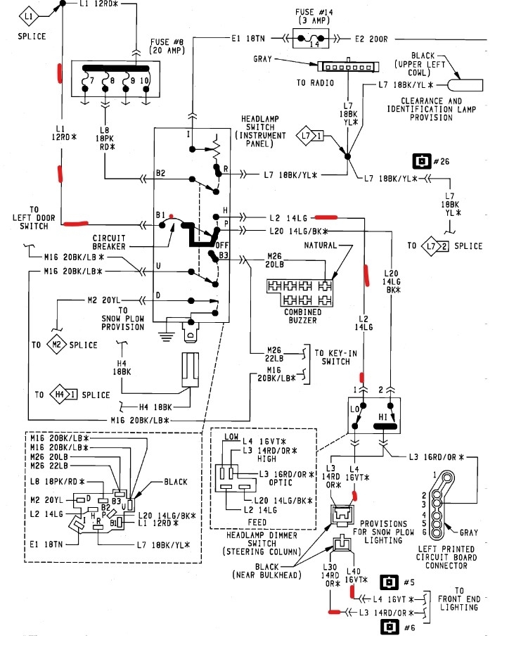
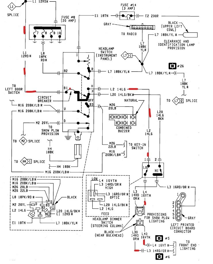
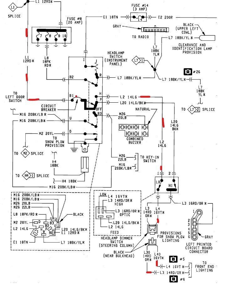
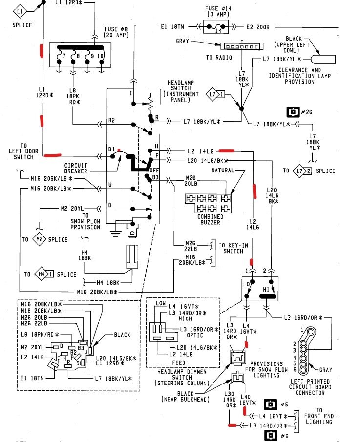
No relay. Power from the battery goes to the switch, from the switch to the dimmer switch and out to the high and low filaments in the lights. If you lost all headlights high and low it's more likely either the power isn't getting to the light switch or a bad ground at the other end.
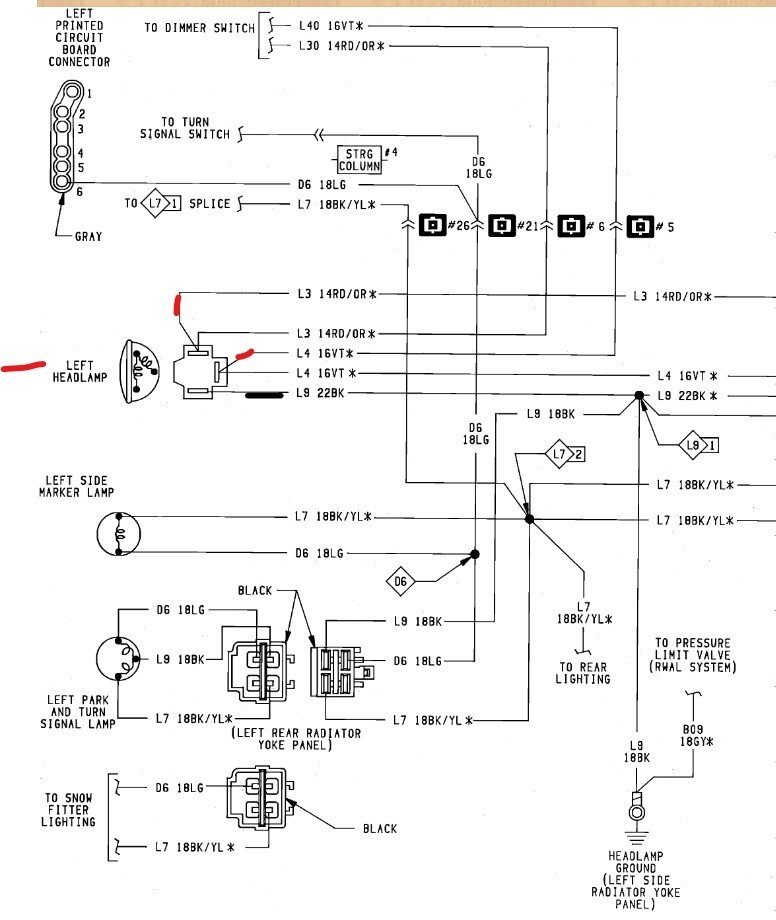
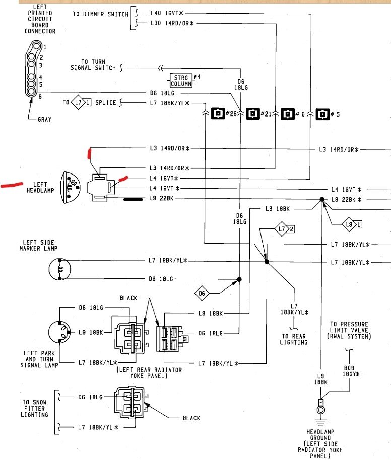
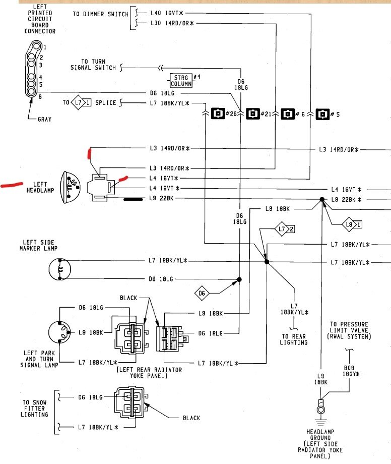
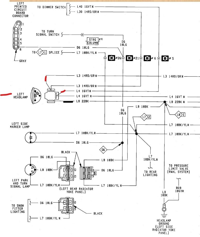
To check, go to the left headlight and pull the connector. Hold it so the connections look like a U and the left terminal is the ground, bottom terminal and right terminals are headlights. Turn on the switch and use a simple test light connected to battery positive, lights on low beam you should have power to one terminal, high to another. No power at any = there is a problem between the dimmer switch and the battery. If you have power, the ground has failed. That is the black wire that goes to the core support on the left side. Use the test light connected to battery positive, does it light when you touch the left terminal in the light socket? If you find no power at the socket, you need to start tracking back through the circuit. Go to the headlamp switch, with it off do you have power at terminal B1? No- bad power feed from the battery to the switch.
Was this
answer
helpful?
Yes
No
Wednesday, June 12th, 2024 AT 11:21 PM
Tiny
DILL-11
  • MEMBER
  • 126 POSTS
Everything lights up. What color is the B1 wire? Is it possible to have both headlights blown? Also, have can I test the headlight?
Was this
answer
helpful?
Yes
No
+1
Thursday, June 13th, 2024 AT 7:17 AM
Tiny
STEVE W.
  • MECHANIC
  • 15,691 POSTS
Okay, so all the other lights work just the headlights are out? It's possible they are blown but not likely, there are a total of 4 filaments that would have to fail if you have no high or low beam. B1 should be a battery feed so Red or Red with orange for lighting. A simple cheap test light would make it easy to test all of it.

https://www.2carpros.com/articles/how-to-use-a-test-light-circuit-tester
Was this
answer
helpful?
Yes
No
Thursday, June 13th, 2024 AT 12:22 PM
Tiny
DILL-11
  • MEMBER
  • 126 POSTS
B1 has power to the switch on and off.
Was this
answer
helpful?
Yes
No
+1
Thursday, June 13th, 2024 AT 1:48 PM
Tiny
STEVE W.
  • MECHANIC
  • 15,691 POSTS
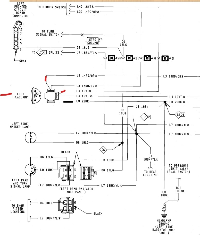
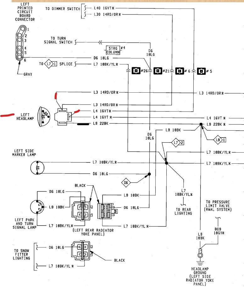
Okay, then you need to check for that power at the input to the dimmer switch or go and test at the headlight connector itself for power the driver's side headlight will have 5 wires for the three connections, the single black is ground, the other two pairs are high and low beam. Turn on the lights on the high beam and check all three terminals. One should have power. Now switch to low beam and you should have power on the other terminal with 2 wires. If those work, then the power is getting from the switch out to the connector. From there as all 4 do not work I would find the black wire and follow it from the bulb socket to the bolt on the side of the radiator support, it's very likely rusted and bad.
Was this
answer
helpful?
Yes
No
Thursday, June 13th, 2024 AT 5:00 PM
Tiny
DILL-11
  • MEMBER
  • 126 POSTS
Yes, there are two wires that light up. The ground wire to the radiator is not rusty or corrosion. Now what do I do? Put new headlights in?
Was this
answer
helpful?
Yes
No
Friday, June 14th, 2024 AT 8:28 AM
Tiny
STEVE W.
  • MECHANIC
  • 15,691 POSTS
Okay, if you have two that have power, test the ground, if you connect the test light to battery positive and touch it to the ground contact in the socket does it light? If yes then replace the lamps, it is extremely rare for them to fail that way, each one has what amounts to 2 bulbs inside each lamp, so for all 4 of those to fail it should have been very noticeable as you should have seen something like left side high is out, then right side low then right side high and then no lights. But if all of them were working, then they don't all at once it usually isn't that the bulbs have failed.
Was this
answer
helpful?
Yes
No
Friday, June 14th, 2024 AT 10:20 AM
Tiny
DILL-11
  • MEMBER
  • 126 POSTS
Thanks just put new head lamps in got headlight now. Hura That why I dont like electric work. Thanks for all your help. But I did find small black wire broken and put it back together.
Was this
answer
helpful?
Yes
No
Friday, June 14th, 2024 AT 12:38 PM
Tiny
STEVE W.
  • MECHANIC
  • 15,691 POSTS
You are welcome. I prefer electrical on many vehicles, at least until you get into the 2000's and up. Then it can get fun when you have 4 different modules all involved in turning on the headlights. Glad to hear the lights work.
Was this
answer
helpful?
Yes
No
Friday, June 14th, 2024 AT 1:11 PM
Tiny
DILL-11
  • MEMBER
  • 126 POSTS
Hello Steve, where are you located in case I need you again? Do you have an email address that I can contact you at? I'm located in North Carolina.
Was this
answer
helpful?
Yes
No
Friday, June 14th, 2024 AT 7:37 PM
Tiny
DILL-11
  • MEMBER
  • 126 POSTS
Thanks again for your help.
Was this
answer
helpful?
Yes
No
Friday, June 14th, 2024 AT 7:38 PM
Tiny
STEVE W.
  • MECHANIC
  • 15,691 POSTS
You are welcome. I like to work through this site as I can post information easier. NC, watch out for the snakes.
Was this
answer
helpful?
Yes
No
Friday, June 14th, 2024 AT 8:39 PM

Please login or register to post a reply.