The instrument cluster lights, heater control lights and brake lights not working?

Tiny
CNATION777
  • MEMBER
  • 1998 DODGE RAM
  • 5.2L
  • V8
  • 4WD
  • AUTOMATIC
  • 217,000 MILES
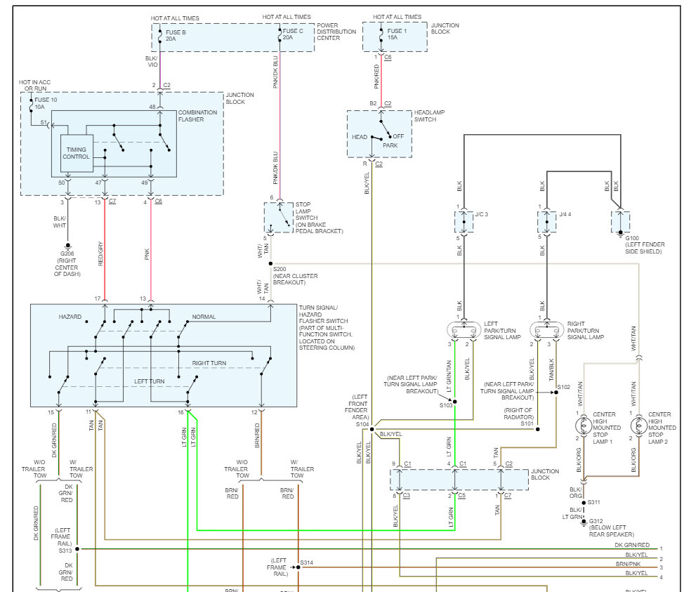
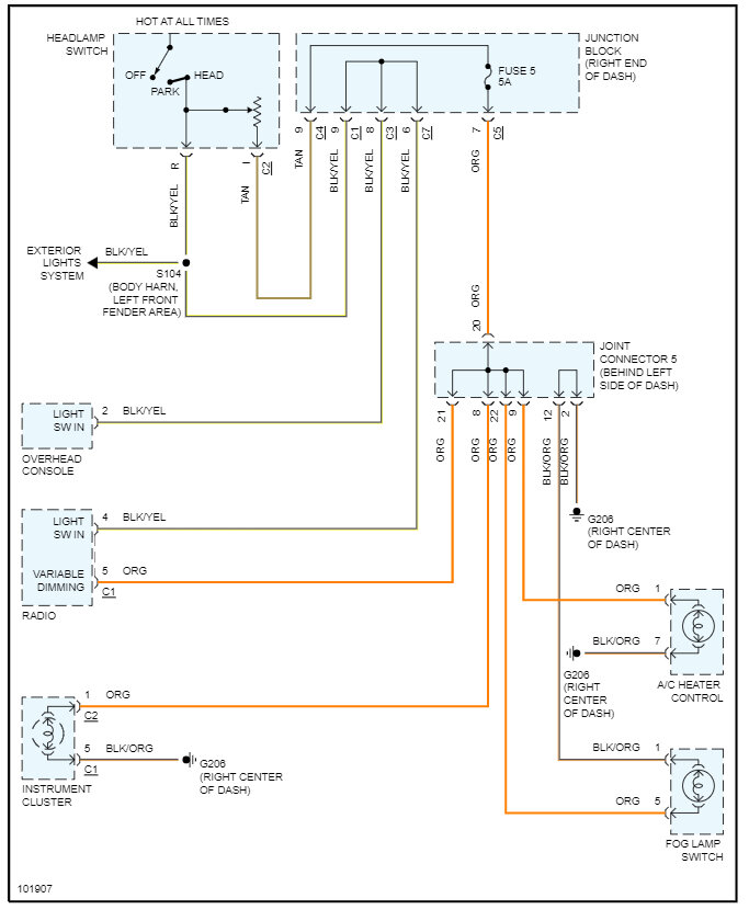
Checked all fuses, changed the control switch. I have no brake lights, gauge cluster lights, but the radio lights work.
Monday, July 3rd, 2023 AT 7:24 AM

1 Reply

Tiny
KEN L
  • MASTER CERTIFIED MECHANIC
  • 55,428 POSTS
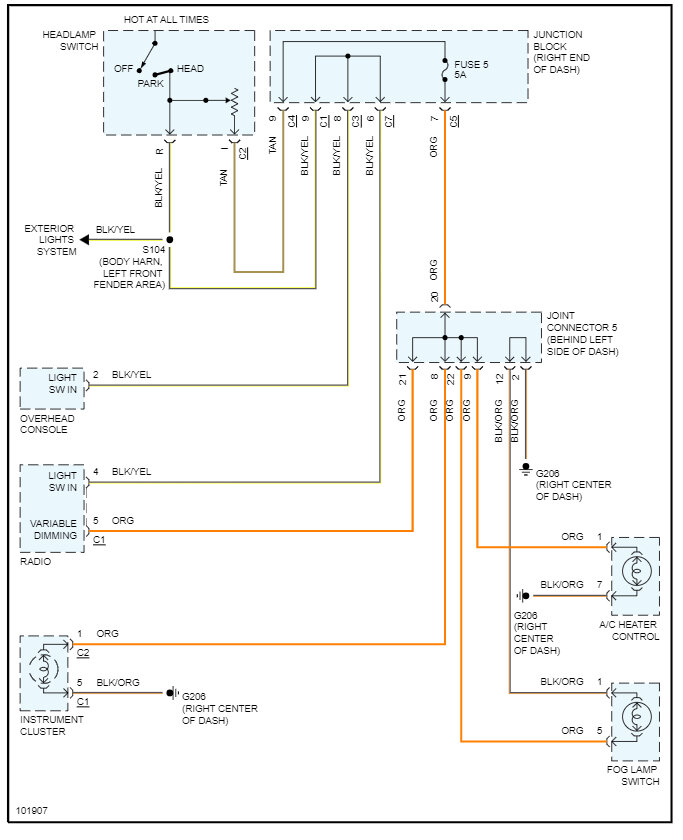
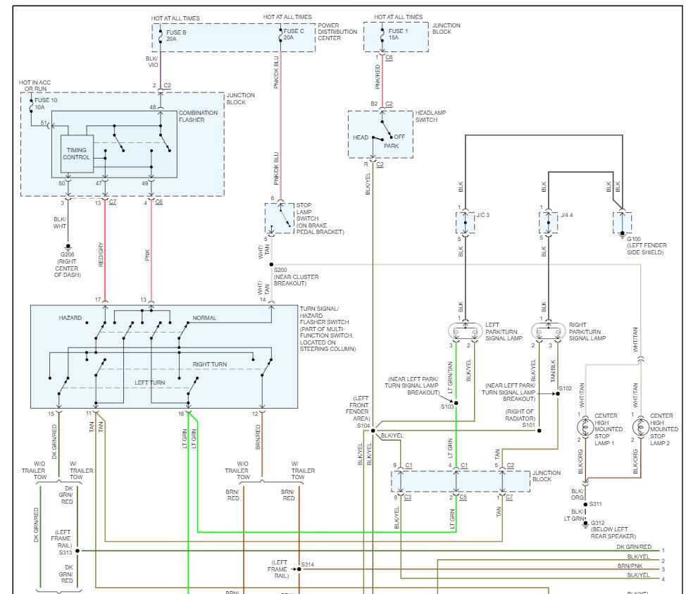
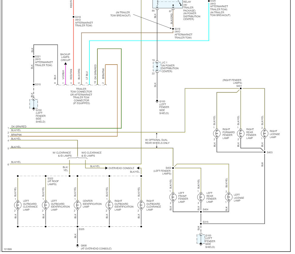
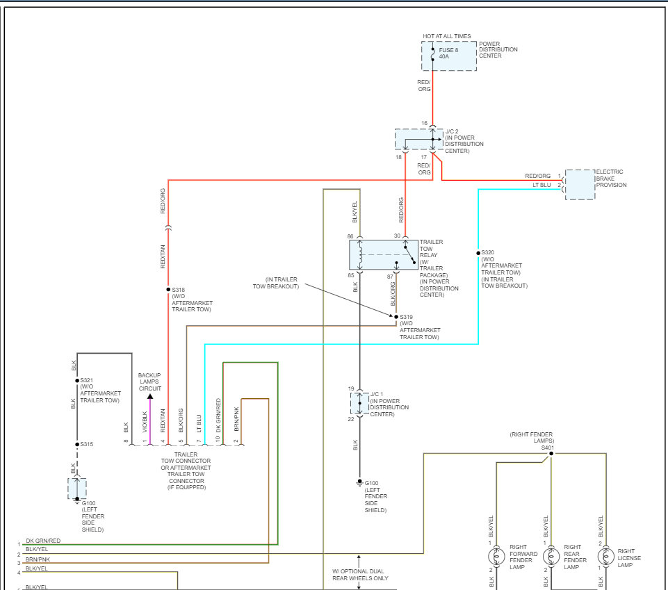
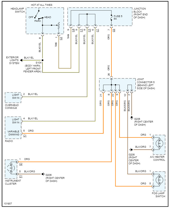
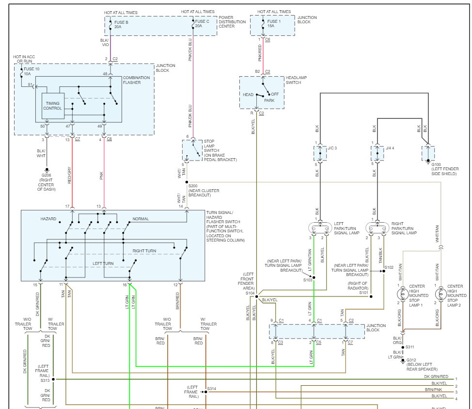
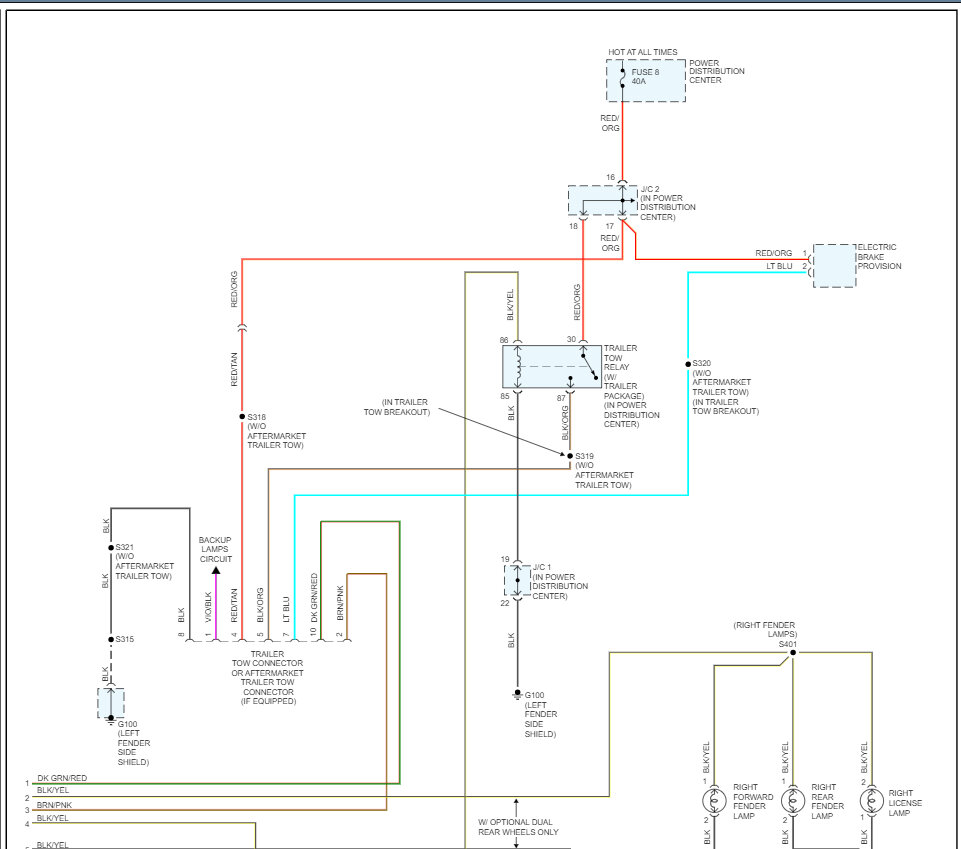
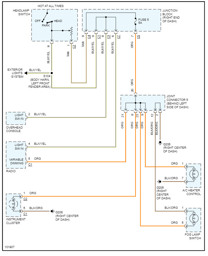
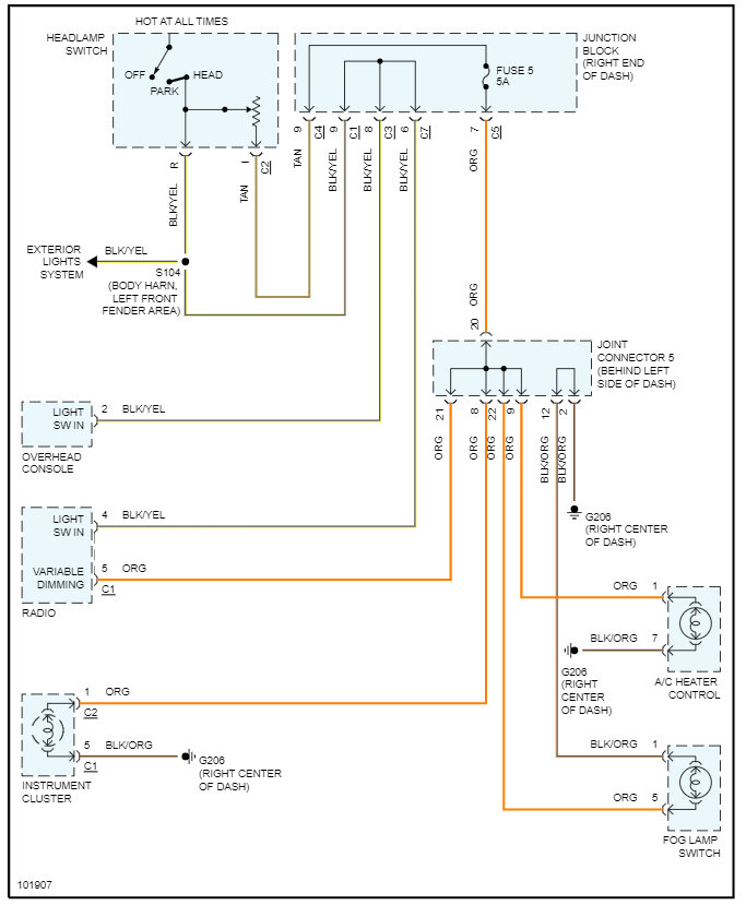
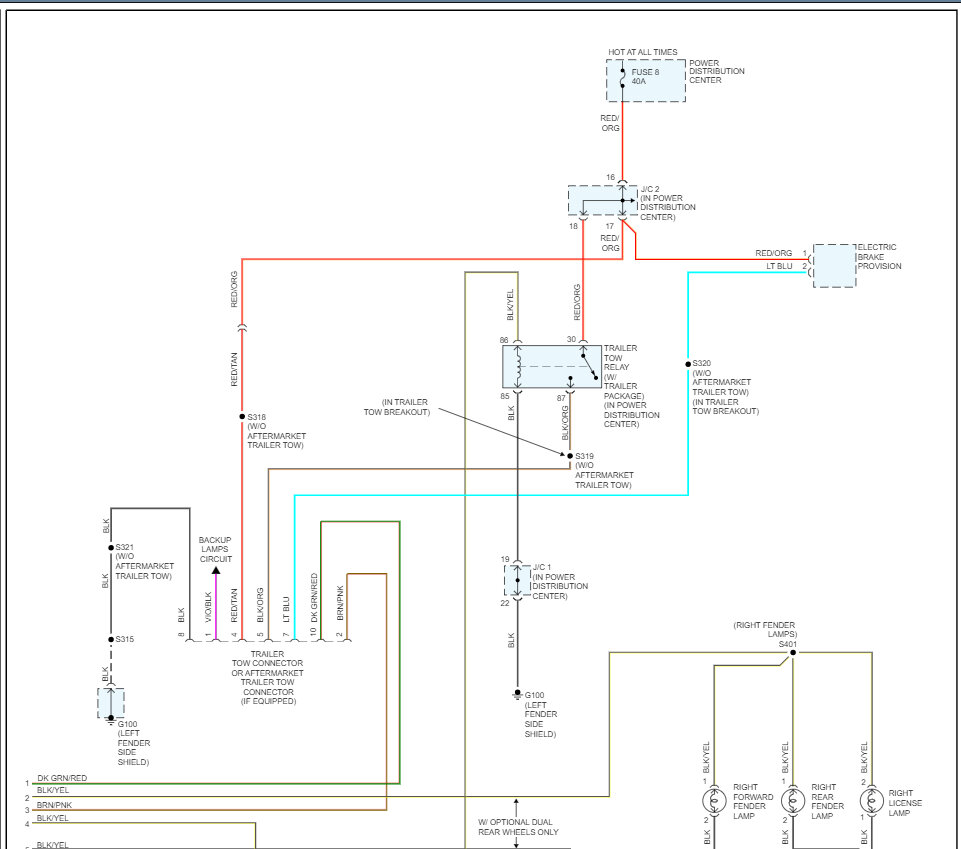
First let's check for power at fuses C in the distribution center under the hood and fuse #5 at the right side of the dash, please check the power when the systems are on. Here are the wiring diagrams for both, so you can see how the systems work, they don't seem to share too much, not even a ground.

https://www.2carpros.com/articles/how-to-check-a-car-fuse

Check out the images (below). Please let us know how it goes.
Was this
answer
helpful?
Yes
No
Monday, July 3rd, 2023 AT 5:42 PM

Please login or register to post a reply.