The car starts and runs excellently. The headlights and taillights work fine, the horn works and the electric windows and the mirrors also.
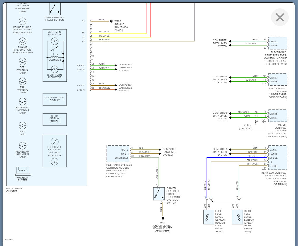
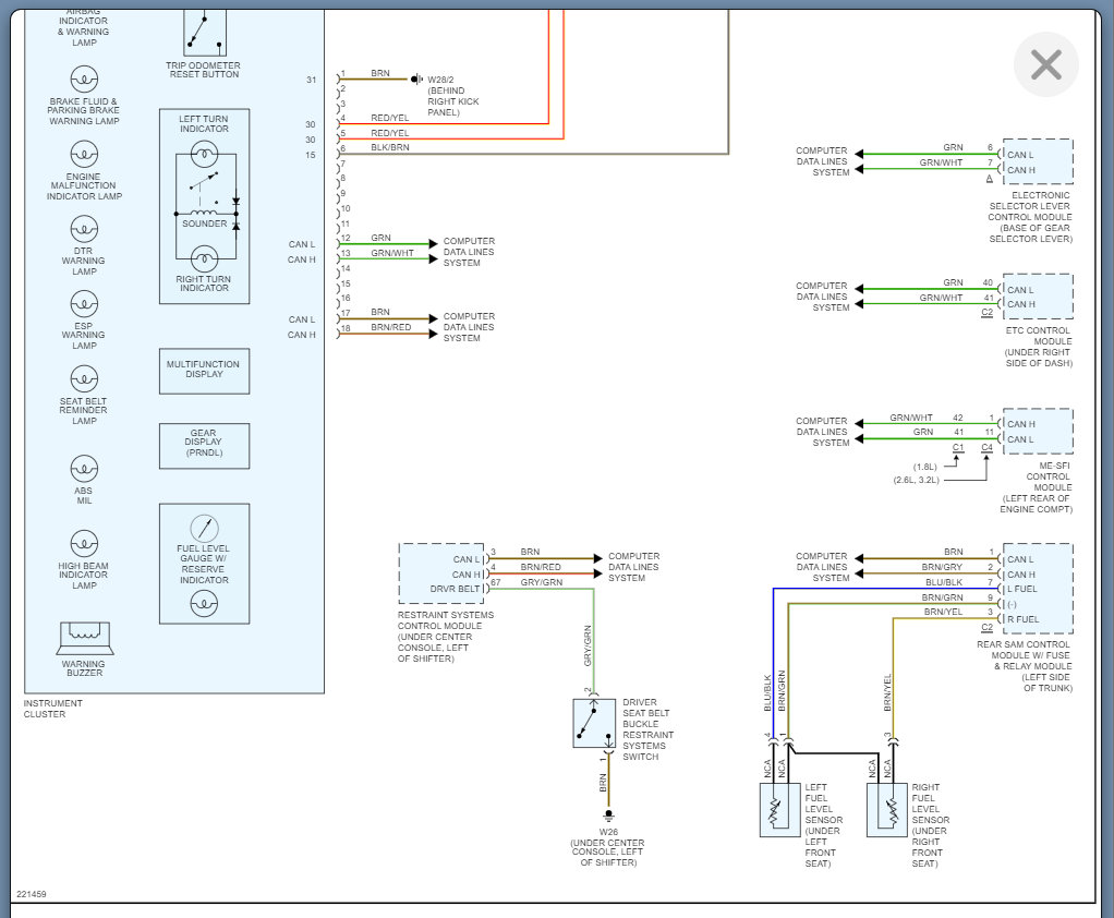
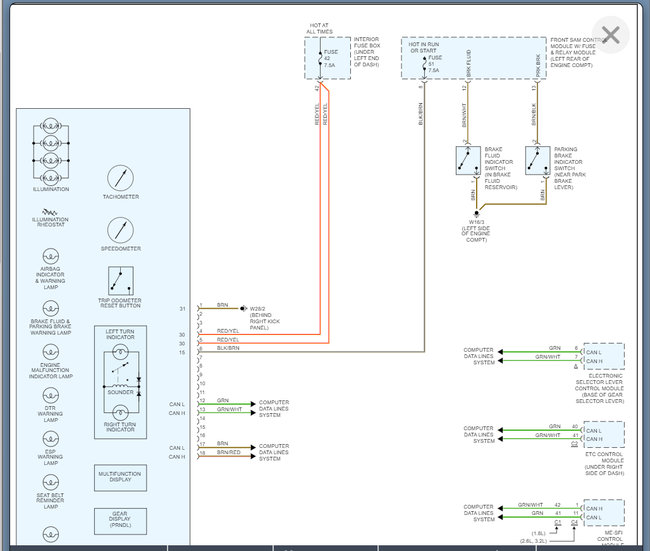
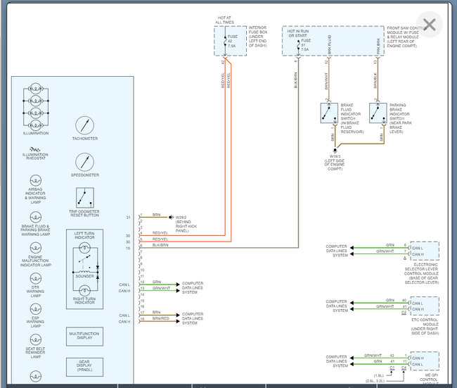
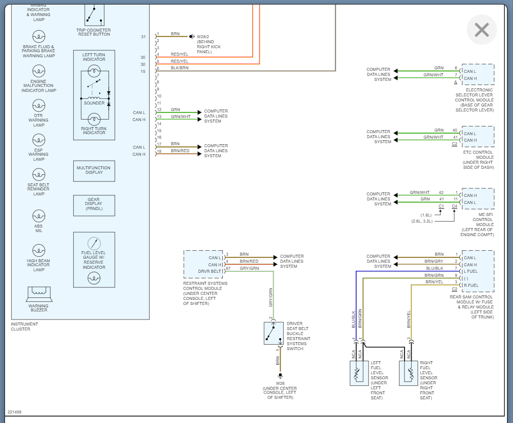
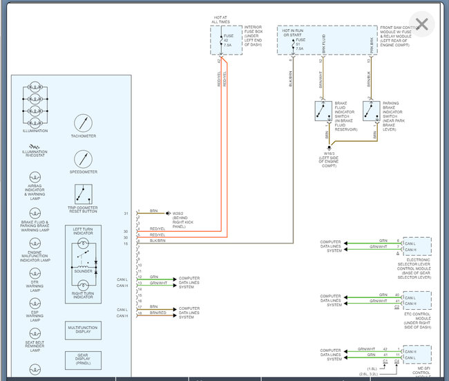
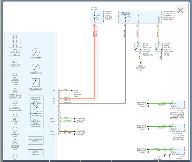
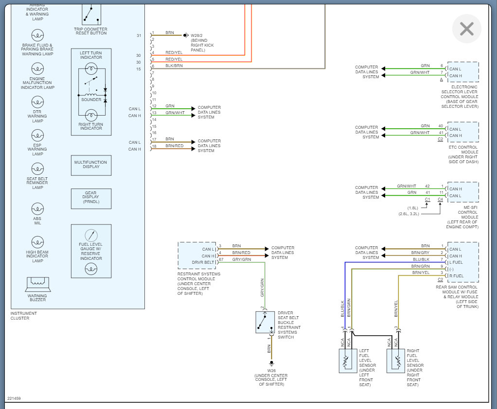
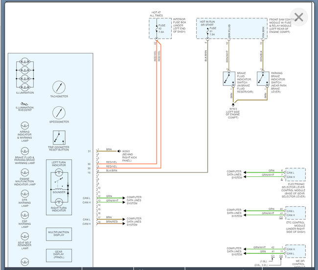
The cluster is not working; no gauges operate, no dash lights work.
Turn signals do not work.
Wipers do not work.
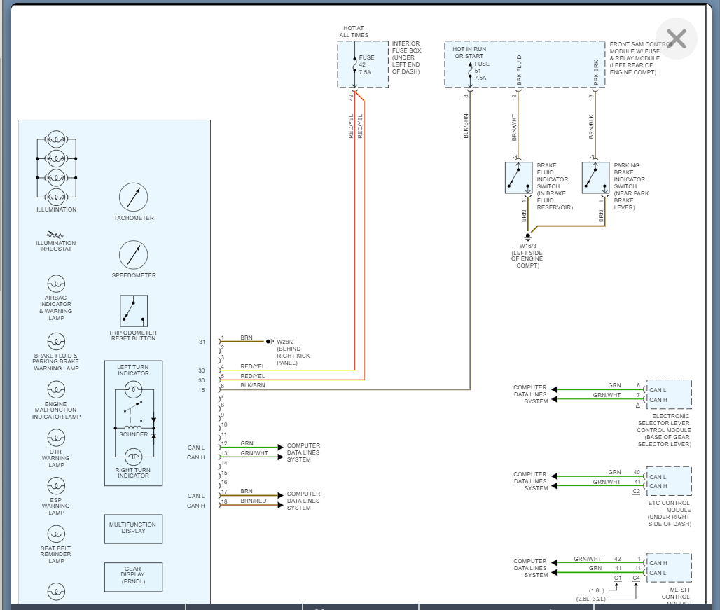
The cluster is not working; no gauges operate, no dash lights work.
Turn signals do not work.
Wipers do not work.
Jan 1, 2022 at 2:45 PM

