No fuel pressure

Tiny
CROUSETODD
  • MEMBER
  • 1998 BUICK PARK AVENUE
  • 3.8L
  • 6 CYL
  • 100,678,000 MILES
Replaced fuel pump and still no pressure. How much pressure do I need to start car?
Friday, January 17th, 2020 AT 7:29 AM

1 Reply

Tiny
ASEMASTER6371
  • MECHANIC
  • 52,796 POSTS
Good afternoon,

You need to verify power is going to the pump itself.

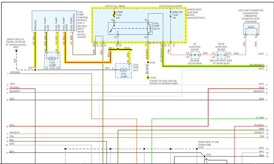
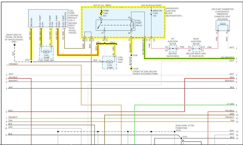
I attached the circuit for the fuel pump. The relay is under the hood and you need to verify voltage to the relay. You will need a test light or a voltmeter.

Can you hear the pump run with the key on?

The pressure is 55 pounds.

Roy
Was this
answer
helpful?
Yes
No
Friday, January 17th, 2020 AT 9:08 AM

Please login or register to post a reply.