Sunday, February 27th, 2022 AT 9:46 AM
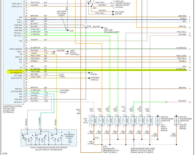
No fuel, no start, checked fuse, okay, checked inertia switch, 6.5v there with key on, can't find fuel pump relay, soldered on board? Power goes through PCM relay from the diagrams I have found, only 100,000 on truck. Intermittent start/no start then it would not start at all. Fuel pump relay/PCM relay/fuel pump?























