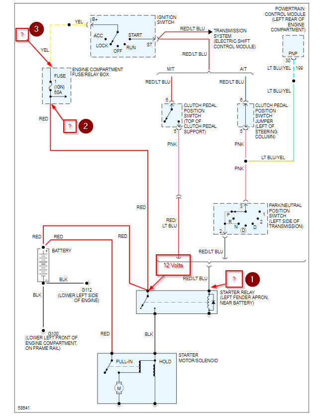
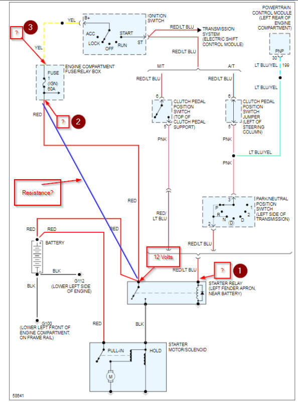
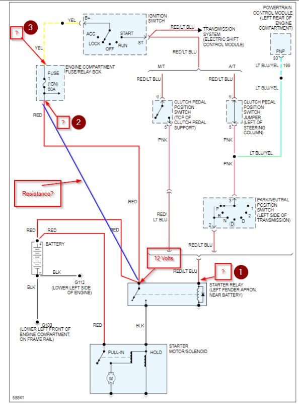
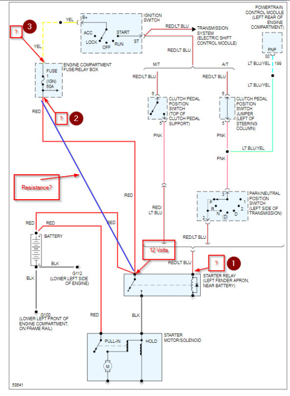
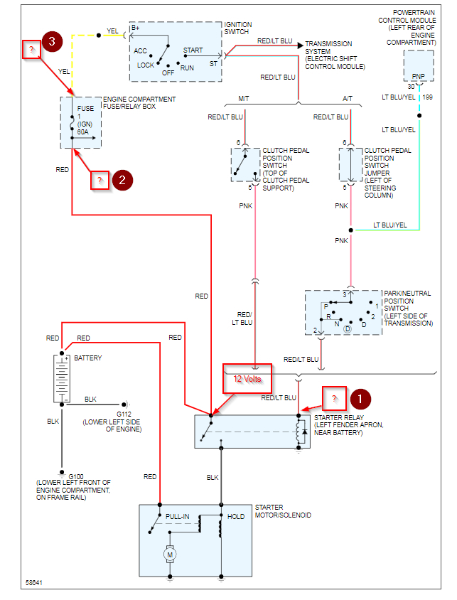
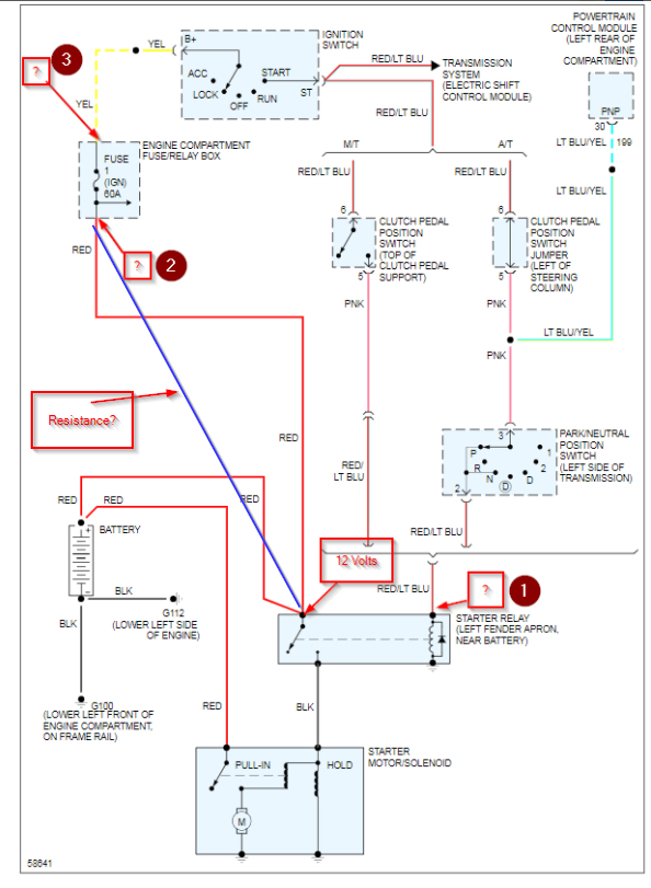
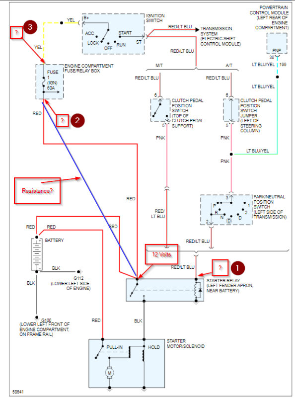
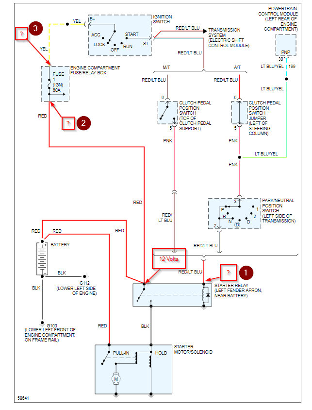
I replaced the manual transmission in my truck. After putting in the replacement, I started it up and it started just fine. I then replaced the clutch master cylinder because I saw that it was leaking. After I did that, I tried to start it up and it would turn over, but would not start. I sprayed some starter fluid into the intake, and it still didn’t start. I started to clean some grounds, including the ground attached to the engine block, and tried starting again. Absolutely nothing happened, the engine didn’t turn over, no power to the dash, no headlights and no power anywhere that I could find. It will turn over if I connect the poles on the starter relay. I don’t believe there is power getting to the interior fuse box. I have replaced the ignition switch as well. I had also replaced the brake light switch at the pedal when I was waiting for the new clutch master cylinder to come in and the brake lights worked (they hadn’t previously). I don’t think this switch is involved, but since it was done at the same time, let you know. I have also cleaned the battery posts and the connectors and the battery is reading 12.6 volts.
Saturday, March 20th, 2021 AT 8:44 AM




