Wednesday, July 24th, 2019 AT 7:23 PM
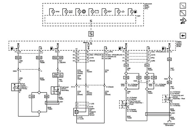
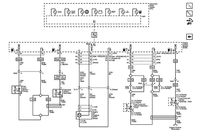
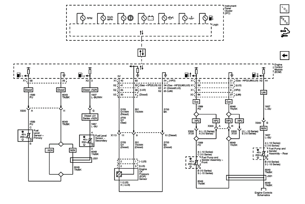
For a couple years, my truck has had an intermittent no start issue characterized by the fuel pump not priming. Most of the time when this issue is occurring, the fuel pump doesn't prime and the fuel gauge is buried on E. Sometimes, the fuel gauge does work when the fuel pump isn't; however, after a couple key turn-ons, it usually fails too. Most of the time, if I leave the key in the On position, after several seconds to a few minutes, it will all of the sudden prime and the gauge comes alive. Then it will work for a few days until the next time it randomly doesn't. I have ruled out the Passkey issue. The fuel pump relay works as it should. I always have power to Pin 30. I believe the ECM tells the relay to work via the green/black wire to Pin 85. This should happen for 2 seconds when the key is turned on. I have tested this when the issue is occurring and have confirmed that no signal is being sent from the ECM. I traced the Pin 85 bl/gr wire to Pin 9 on the Red ECM plug and confirmed that there is continuity, which is no surprise since it works half the time. I can make the pump run by using a jumper at the relay and by utilizing the Prime test slot; however, even when the pump is running continuously via the jumper, the truck will not start - just cranks. I've tested every fuse I have inside the cab and under the hood. I've checked grounds. I've created a temporary ground (via jumper cables), and nothing seems to work. I feel like it must be something to do with the ignition not signaling the ECM or the ECM is bad although the CEL does come on when the key is turned on. It's not on when the truck is running, and there are no engine codes or security codes. I can't rationalize why it works to leave the key On for a couple minutes and everything just magically comes alive (most of the time) without me as much as bumping the truck. Is the ECM just screwy?

































