Thursday, February 14th, 2019 AT 8:37 PM
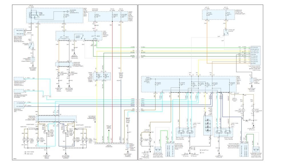
Driving at night I have no dash lights and no tail lights, but the brake lights and turn signals work. Is there a certain fuse located some where in the fuse box to get this working again?





