No cranking when starting

Tiny
JOE SCHNEIDER
  • MEMBER
  • 2002 DODGE DURANGO
  • 5.9L
  • V8
  • 4WD
  • AUTOMATIC
  • 115,000 MILES
After warmed up and try to restart I get a no crank. After sitting 1/2 hour sarts right up.
Friday, November 29th, 2019 AT 12:39 PM

3 Replies

Tiny
KASEKENNY
  • MECHANIC
  • 18,907 POSTS
I just want to be sure we are on the same page. When you say you have a no crank, you mean you turn the key and nothing happens? The engine does not turn over at all? Does the starter click at all?

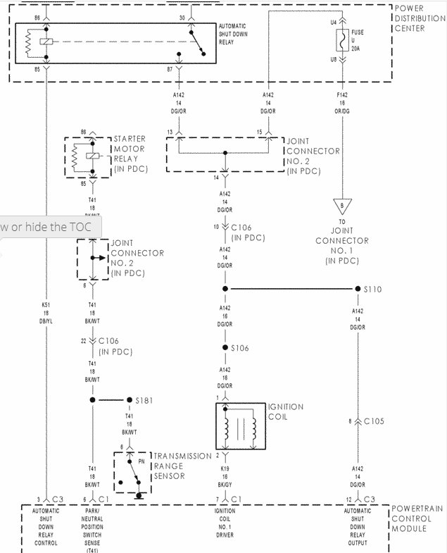
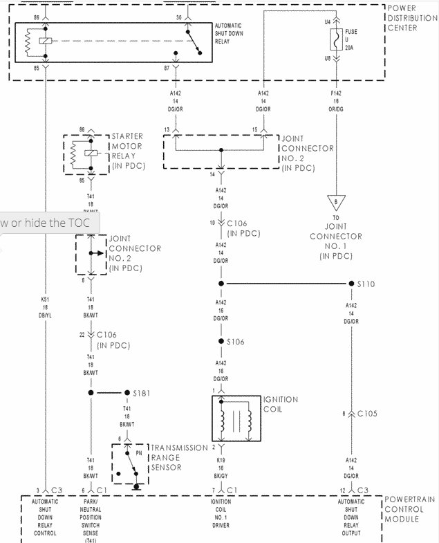
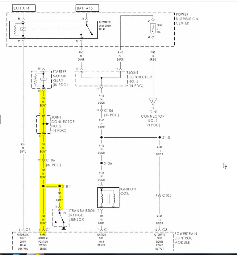
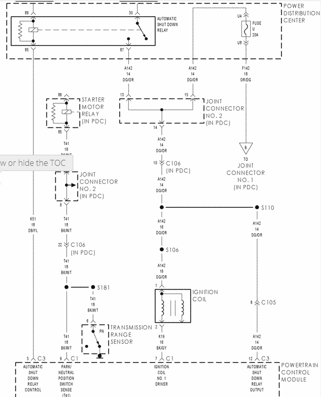
We could have an issue with Park/Neutral (TRS) switch. Basically this tells the TCM that the vehicle is in park or neutral and is okay to start.

Next time this happens move the shifter to neutral and see if it starts. If it does then this is the issue. Even if it doesn't it still could be the issue but we will need to scan tool to confirm the TCM sees it in P or N.
Was this
answer
helpful?
Yes
No
Friday, November 29th, 2019 AT 6:53 PM
Tiny
JOE SCHNEIDER
  • MEMBER
  • 20 POSTS
Correct after running for a while then try to start you turn the key and nothing. I tried putting it in neutral and starting in and still nothing. Then back in park and nothing. Let it cool for say 1/2 hour and starts right up. No check engine light.
Was this
answer
helpful?
Yes
No
Saturday, November 30th, 2019 AT 3:50 AM
Tiny
KASEKENNY
  • MECHANIC
  • 18,907 POSTS
Does the vehicle cut off after it is started at all or once it is started it runs fine, it just has to cool down before it restarts?

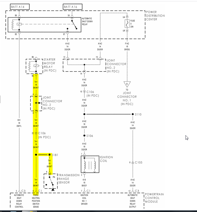
If it cuts off then we may have another issue. However, I suspect the transmission range sensor is the issue.

This is a part that is internal to the transmission but tells the TCM that it is in park or neutral. Sometimes we can get lucky and it is just an issue in park but not always.

To get specific, we need to monitor the voltage on the T41 circuit because I suspect there is nothing coming out when trying to start the engine or the TRS. If this is the case then this will need to be repaired.

Clearly we have not confirmed this yet but there is an issue on these RFE transmission where the plate between the valve body and TRS gets a coating on it that prevents the TRS from sending the voltage needed to allow the PCM to turn the starter. So the PCM never sees that it is ok to start the engine.

If it were me, I would measure voltage on the T41 when cranking if nothing is there, I would get the valvebody and TRS replaced.
Was this
answer
helpful?
Yes
No
Saturday, November 30th, 2019 AT 6:12 PM

Please login or register to post a reply.