No crank/no start, no dash lights, interior and exterior lights

Tiny
GLORIA DEONNE SUMNER
  • MEMBER
  • 2001 FORD EXPEDITION
  • 5.4L
  • V8
  • 4WD
  • AUTOMATIC
  • 208,000 MILES
Also, no power to #23 fuse plus when my husband that is a mechanic check the fuse box he said he wasn't getting any power to the fuse number 23 with the rest light. With ignition on or with it off. I need help please!
Monday, January 13th, 2020 AT 12:25 AM

20 Replies

Tiny
ASEMASTER6371
  • MECHANIC
  • 52,796 POSTS
Good morning,

Did he check the battery voltage? You need 12.6 volts for all the accessories to work.

https://www.2carpros.com/articles/car-battery-load-test

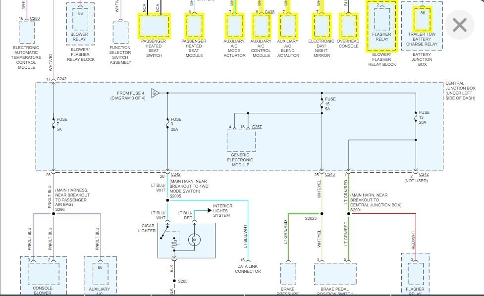
Okay, fuse 23 is fed from the ignition switch. I attached the diagram for you to view. I feeds fuse 22 as well.

It looks to be a bad ignition switch.

Roy

Removal
1. Disconnect the battery ground cable.
2. Remove the instrument panel steering column cover.

imageOpen In New TabZoom/Print

3. Disconnect the ignition switch electrical connector.
1 Loosen the bolt.
2 Disconnect the electrical connector.

imageOpen In New TabZoom/Print

4. Remove the ignition switch.
1 Remove the screws.
2 Remove the ignition switch.

REMOVAL

imageOpen In New TabZoom/Print

1. Remove the upper steering column cover.

NOTE: On automatic transmissions, move the shift lever to the 1 position to make removal easier.

imageOpen In New TabZoom/Print

2. Position the electrical connector aside.
Release the push clip from the lower instrument panel steering column cover.

imageOpen In New TabZoom/Print

3. Pull the handle and remove the fuse door.

imageOpen In New TabZoom/Print

4. Disconnect the hood latch release handle from the lower instrument panel steering column cover.
1 Remove the screws.
2 Disconnect the hood latch release handle from the lower steering column cover.

imageOpen In New TabZoom/Print

5. Disconnect the parking brake release handle from the lower instrument panel steering column cover.
1 Remove the screws.
2 Disconnect the parking brake release handle.

imageOpen In New TabZoom/Print

6. Remove the lower instrument panel steering column cover.
1 Remove the bolts.
2 Remove the lower instrument panel steering column cover.
Was this
answer
helpful?
Yes
No
-1
Monday, January 13th, 2020 AT 1:24 AM
Tiny
GLORIA DEONNE SUMNER
  • MEMBER
  • 17 POSTS
We changed the ignition switch (not the one with the key), still nothing. Also the cluster panel and mileage has no power, no inside lights, no radio unless we hook battery charger up to it then we have power everywhere but still will not crank/start. Also changed starter solenoid relay.
Was this
answer
helpful?
Yes
No
-1
Monday, January 13th, 2020 AT 1:32 AM
Tiny
GLORIA DEONNE SUMNER
  • MEMBER
  • 17 POSTS
Also there is a strange res wire running from solenoid to the red wire on the ignition switch.
Was this
answer
helpful?
Yes
No
Monday, January 13th, 2020 AT 1:33 AM
Tiny
ASEMASTER6371
  • MECHANIC
  • 52,796 POSTS
The ignition switch is the one by the key. There is no other ignition switch.

Did you check the wire I highlighted from the switch? Make sure it has power with the key in the on position.

Roy
Was this
answer
helpful?
Yes
No
Monday, January 13th, 2020 AT 1:36 AM
Tiny
GLORIA DEONNE SUMNER
  • MEMBER
  • 17 POSTS
Then what is this that I changed? Now the strange red wire I was telling you about runs from that to the solenoid (someone else ran I did not do it). Also I should mention that it has an 2005 F150 Triton v8 motor also 5.4L motor.
Was this
answer
helpful?
Yes
No
+1
Monday, January 13th, 2020 AT 1:52 AM
Tiny
ASEMASTER6371
  • MECHANIC
  • 52,796 POSTS
Can you post a picture of the red wire?

Roy
Was this
answer
helpful?
Yes
No
Monday, January 13th, 2020 AT 2:04 AM
Tiny
GLORIA DEONNE SUMNER
  • MEMBER
  • 17 POSTS
It's red on the inside where they hooked it up too on that switch, but turns to black wire running to solenoid and was hooked up to S post on the solenoid, but the tan/red wire original has power to it until you turn the key on. Then loses all power and so does that black/red wire. Should it have power when the key is on?
Was this
answer
helpful?
Yes
No
Monday, January 13th, 2020 AT 2:13 AM
Tiny
ASEMASTER6371
  • MECHANIC
  • 52,796 POSTS
No, it should only have power in the start position for the starter to work.

Why did they add this wire?

Did you verify power out of the switch for the fuse box for fuse 29?

Roy
Was this
answer
helpful?
Yes
No
Monday, January 13th, 2020 AT 2:25 AM
Tiny
GLORIA DEONNE SUMNER
  • MEMBER
  • 17 POSTS
I will have to check later this evening when I get off work, I dont know why that wire is ran there it was when I bought it. It cranked up and ran when I bought it, but it spit and sputtered and jerked bucked. And we have been trying to figure that out as well. And in the mist of trying to figure that out this happens, we thought it may be stuck in anti theft mode as well? Because the theft light will blink every 2 seconds like suppose to. Then after awhile it will quit and not work at all. With switch off or on.
Was this
answer
helpful?
Yes
No
Monday, January 13th, 2020 AT 2:30 AM
Tiny
GLORIA DEONNE SUMNER
  • MEMBER
  • 17 POSTS
Does it have anything to do with the 2005 motor that is in it? It almost runs (when it is running lol) like it is in "limp mode".
Was this
answer
helpful?
Yes
No
-1
Monday, January 13th, 2020 AT 2:32 AM
Tiny
ASEMASTER6371
  • MECHANIC
  • 52,796 POSTS
No, not at all. Someone ran this wire for a reason. It sounds like you have a harness issue somewhere and whoever ran that wire just compensated for a failure.

Roy
Was this
answer
helpful?
Yes
No
Monday, January 13th, 2020 AT 2:36 AM
Tiny
GLORIA DEONNE SUMNER
  • MEMBER
  • 17 POSTS
Okay, should I replace the whole wire harness?
Was this
answer
helpful?
Yes
No
Monday, January 13th, 2020 AT 2:38 AM
Tiny
GLORIA DEONNE SUMNER
  • MEMBER
  • 17 POSTS
Where would you recommend that I begin starting to look at to see why they ran that wire?
Was this
answer
helpful?
Yes
No
Monday, January 13th, 2020 AT 2:43 AM
Tiny
ASEMASTER6371
  • MECHANIC
  • 52,796 POSTS
This is what it sounds like the issue actually is.

There is a wiring issue from the ignition switch to the fuse box. You need that power to get this truck to run.

Roy
Was this
answer
helpful?
Yes
No
Monday, January 13th, 2020 AT 3:00 AM
Tiny
GLORIA DEONNE SUMNER
  • MEMBER
  • 17 POSTS
Okay, thank you so much.
Was this
answer
helpful?
Yes
No
Monday, January 13th, 2020 AT 3:01 AM
Tiny
ASEMASTER6371
  • MECHANIC
  • 52,796 POSTS
You are welcome.

Always glad to help.

Roy
Was this
answer
helpful?
Yes
No
Monday, January 13th, 2020 AT 3:15 AM
Tiny
GLORIA DEONNE SUMNER
  • MEMBER
  • 17 POSTS
One other question, why does it on the back of the passenger compartment diagram are the pin/plugs why are they number (online diagram)?
Was this
answer
helpful?
Yes
No
Monday, January 13th, 2020 AT 3:21 AM
Tiny
ASEMASTER6371
  • MECHANIC
  • 52,796 POSTS
For reference. It for the diagrams themselves for placement.

Roy
Was this
answer
helpful?
Yes
No
Monday, January 13th, 2020 AT 3:42 AM
Tiny
GLORIA DEONNE SUMNER
  • MEMBER
  • 17 POSTS
Okay, thanks so much for all your help.
Was this
answer
helpful?
Yes
No
Monday, January 13th, 2020 AT 3:42 AM
Tiny
ASEMASTER6371
  • MECHANIC
  • 52,796 POSTS
Never a problem.

Roy
Was this
answer
helpful?
Yes
No
Monday, January 13th, 2020 AT 3:49 AM

Please login or register to post a reply.