No crank no start?

Tiny
BOSTONJ93
  • MEMBER
  • 2014 FORD TAURUS
  • 3.5L
  • V6
  • 2WD
  • AUTOMATIC
  • 172,000 MILES
Power to some of the fuses in box. Car won't start.
Wednesday, August 16th, 2023 AT 3:47 PM

1 Reply

Tiny
JACOBANDNICKOLAS
  • MECHANIC
  • 110,194 POSTS
Hi,

I'm not sure which fuses you are referring to and which fuse box. Please advise.

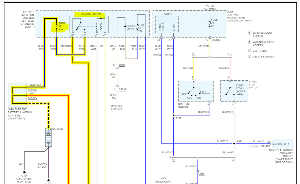
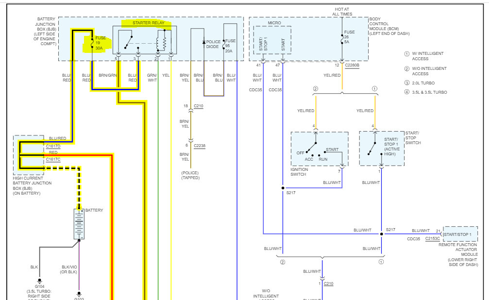
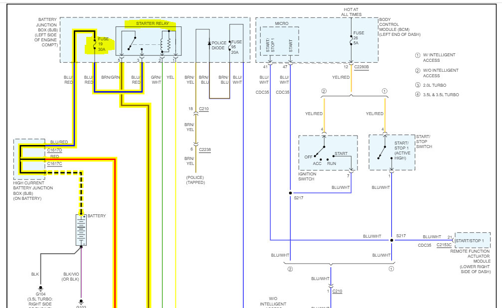
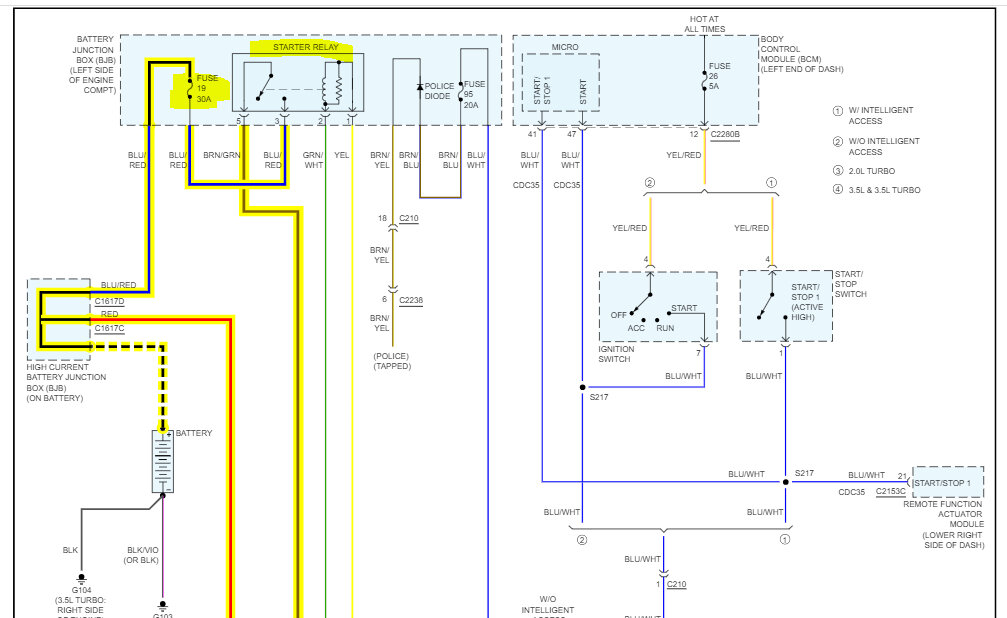
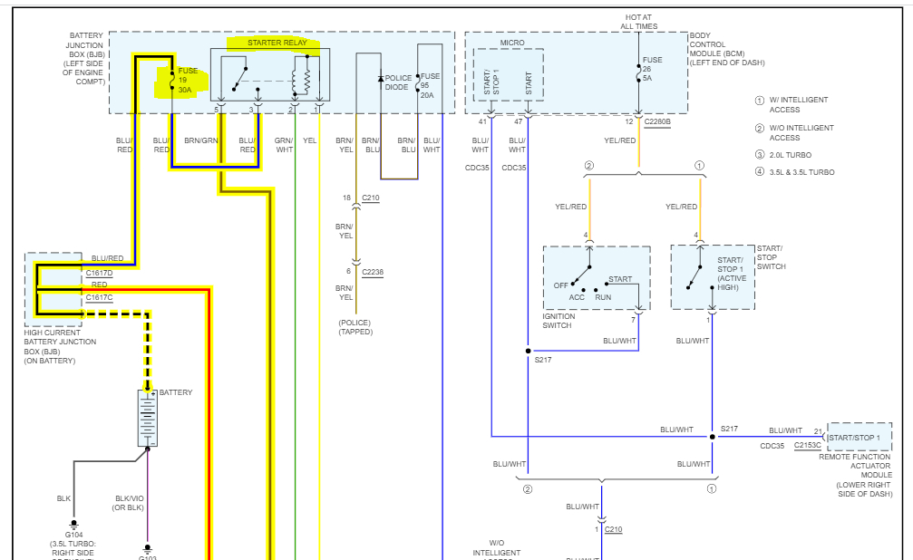
Since the starter isn't engaging, I attached the starter wiring schematic below, so you have a reference. I highlighted primary wiring. The first thing I need to know is if 19 in the battery junction box (under the hood) is good and has power to and from it.

Also, here is a link you may find helpful:

https://www.2carpros.com/articles/how-to-check-a-car-fuse

Note: Pics 1 and 2 below are from one page. I had to cut it in half to make it readable for you. I did overlap them so you can follow from one to the next. Additionally. pic 3 shows the fuse location (fuse 19)

Let me know what you find.

Joe

See pics below.
Was this
answer
helpful?
Yes
No
Wednesday, August 16th, 2023 AT 10:31 PM

Please login or register to post a reply.