Friday, October 23rd, 2020 AT 6:26 PM
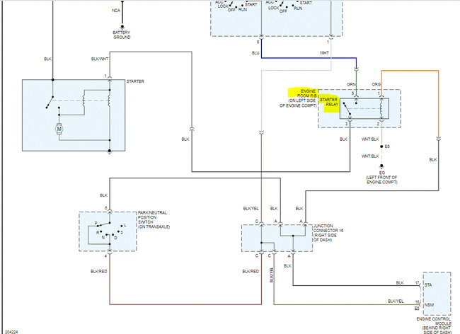
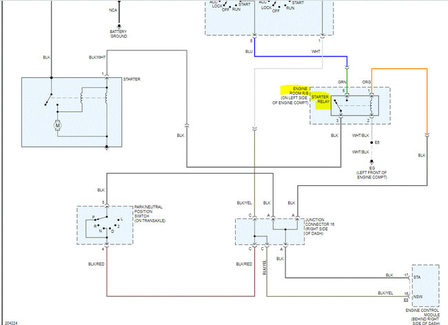
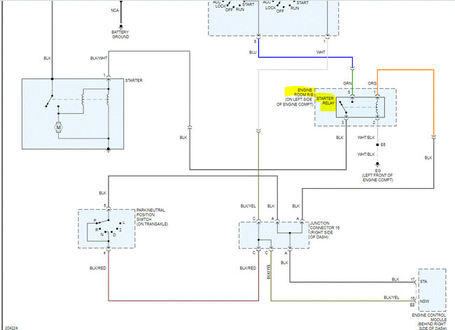
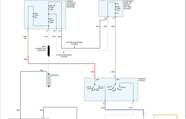
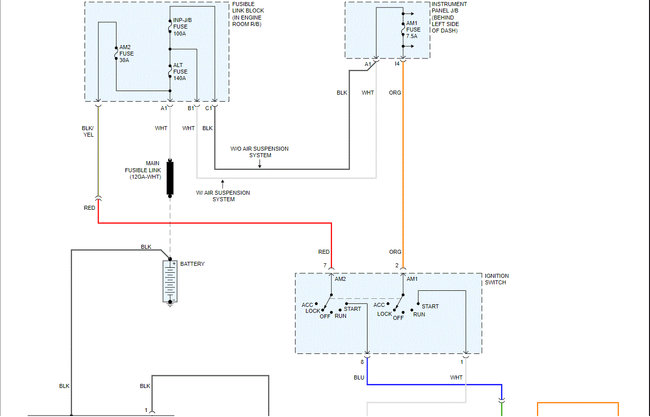
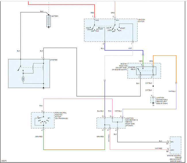
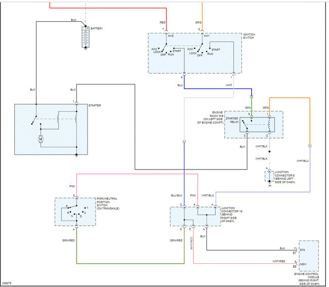
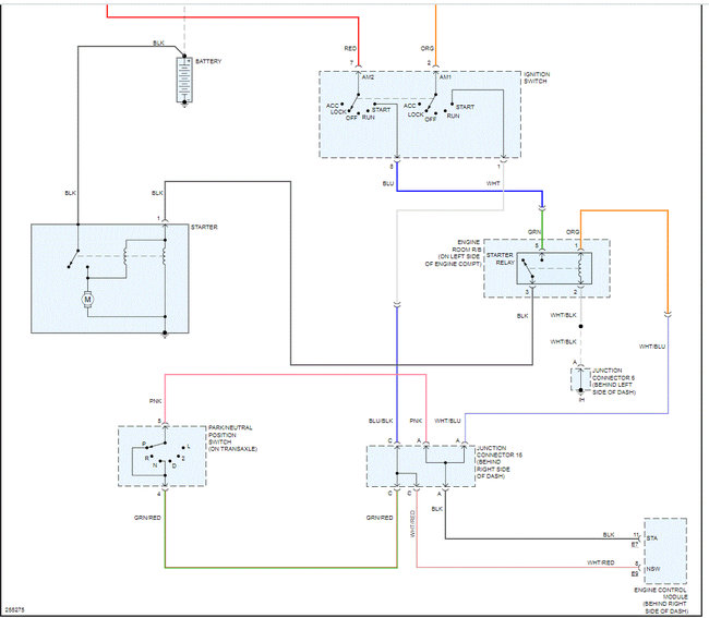
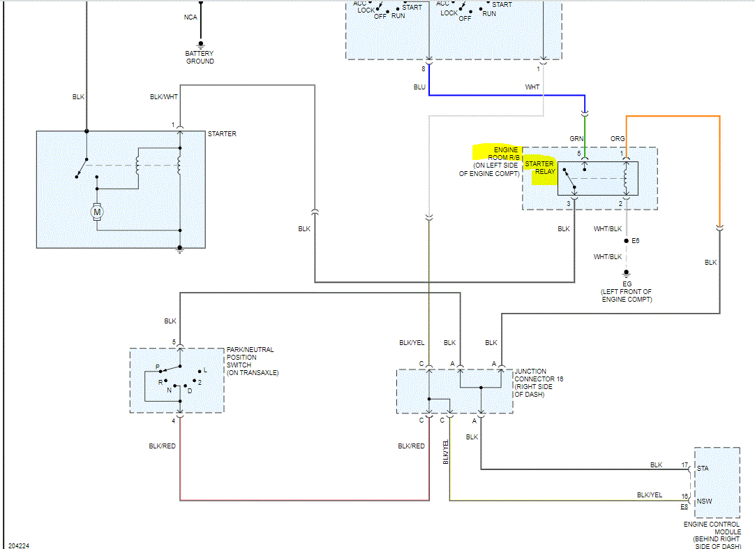
Hello, the vehicle sometime would not give a sign of cranking, I checked the voltage or power source on the solenoid, there was none while cranking but sometimes there will be power. With the ignition switch in "on" position, I use wire to connect Power from the battery to the solenoid, the vehicle start. Please could you help me with the cranking circuit diagram?






