No crank no start

Tiny
APRIL TAYLOR SEIF
  • MEMBER
  • 2009 DODGE JOURNEY
  • 6 CYL
  • 2WD
  • AUTOMATIC
  • 174,000 MILES
Replaced the head gaskets, spark plugs and wires. The starter worked fine then went to start it the next morning and nothing. No crank no start.
Friday, January 28th, 2022 AT 8:01 AM

5 Replies

Tiny
SQM
  • MECHANIC
  • 6,383 POSTS
Hello,

Just so we cover the basics, have you tried to jump start it?
It is possible to have a weak or drained battery. Depending on your location temperature can play a role in it as well.

https://www.2carpros.com/articles/how-to-jump-start-car-battery-using-jumper-cables

Are you getting any noise when try to start it? Any clicking?

https://www.2carpros.com/articles/starter-not-working-repair

Let me know what you have tried so far and what you are experiencing.

Thank you.
Was this
answer
helpful?
Yes
No
Friday, January 28th, 2022 AT 8:28 AM
Tiny
APRIL TAYLOR SEIF
  • MEMBER
  • 23 POSTS
No noise. Doesn't even try to engage.
Was this
answer
helpful?
Yes
No
Friday, January 28th, 2022 AT 8:43 AM
Tiny
SQM
  • MECHANIC
  • 6,383 POSTS
Did you try to jump start it?
Was this
answer
helpful?
Yes
No
Friday, January 28th, 2022 AT 8:58 AM
Tiny
APRIL TAYLOR SEIF
  • MEMBER
  • 23 POSTS
Yes. Then 2 days after I put them key into ignition then all electrical went haywire.
Was this
answer
helpful?
Yes
No
Friday, January 28th, 2022 AT 9:03 AM
Tiny
SQM
  • MECHANIC
  • 6,383 POSTS
So, it did not start with a jump, right?
When you say the electrical went haywire, what did it actually do?
Did you get spark from the battery? Bunch of blow fuses?

If you turn the key to the on position now, what does it do?
Do you get dash lights? radio?

Then when you try to start it, do all the lights on the dash go off?

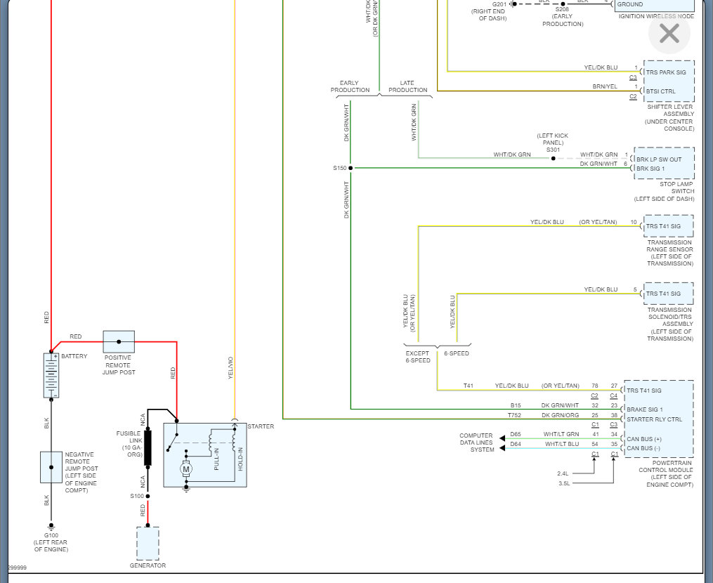
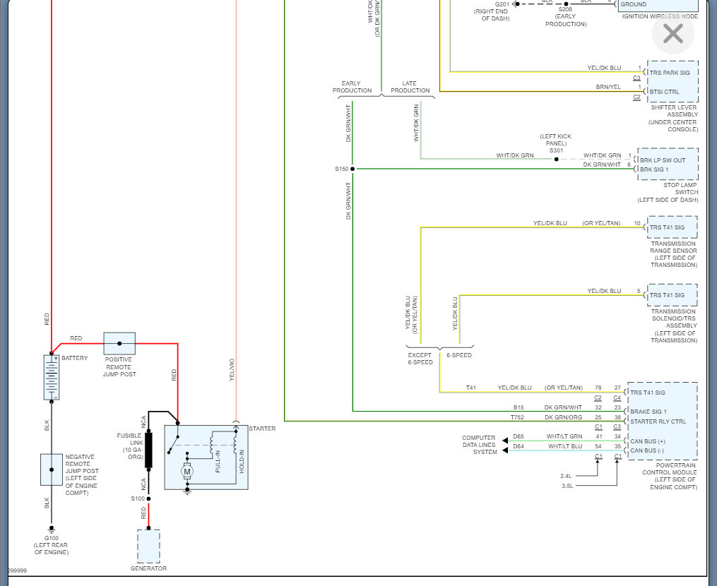
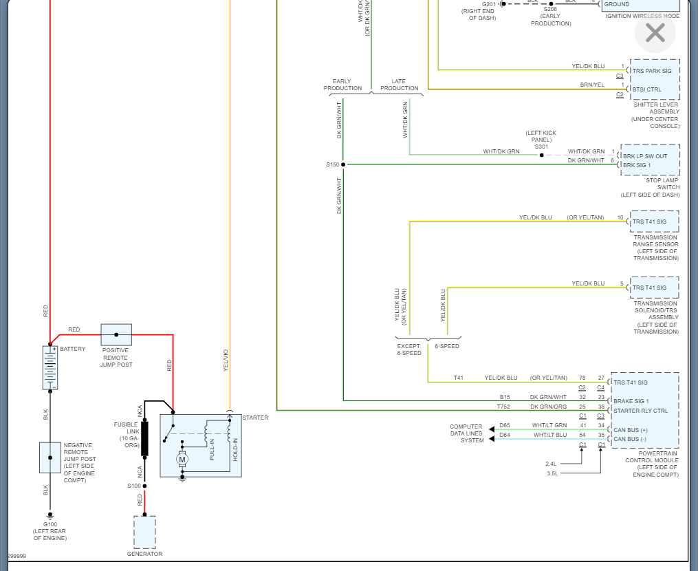
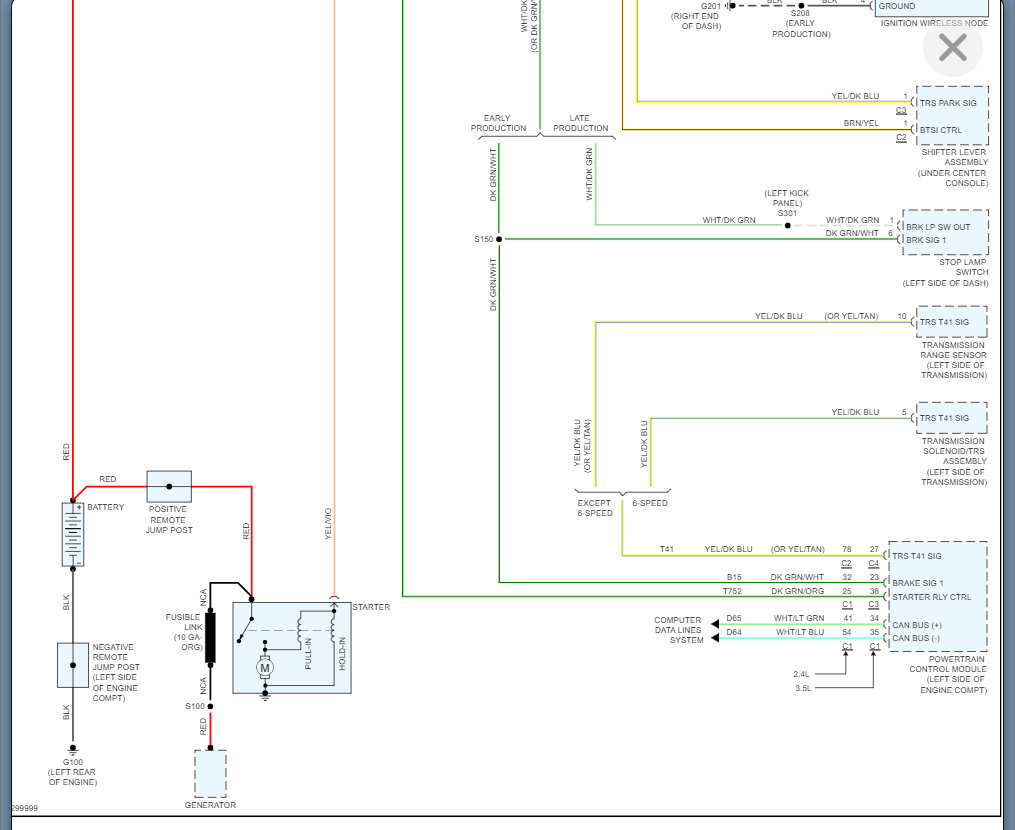
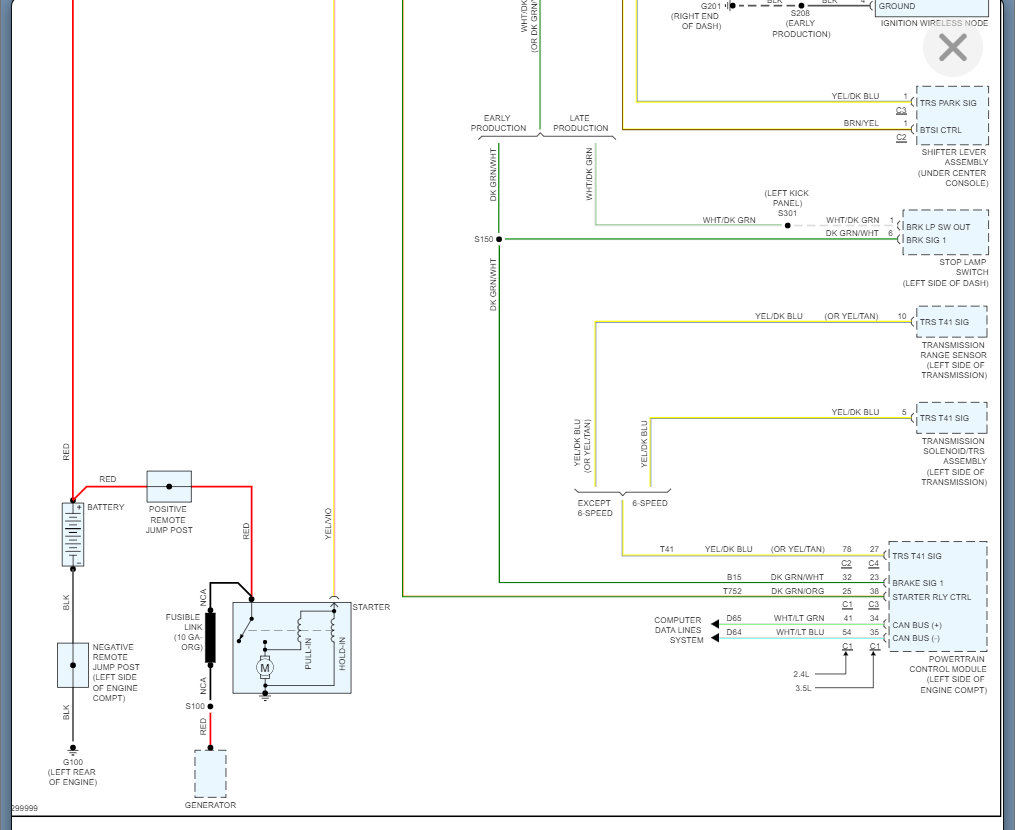
This vehicle is a TIPM based vehicle so if when you turn the key, and the dash comes on, but the starter does not attempt to turn over or click then we need to check the power in two places.

First, we need to check the voltage at the starter, and I suspect you will not have it on the yellow wire.

Here is a guide that will help with this:

https://www.2carpros.com/articles/how-to-check-wiring

Next, we need to go to the relay control wire on the relay and check for ground.

If the PCM is not grounding the relay, then you have an issue with the T41 circuit from the transmission range sensor.

If you don't have the signal to the PCM from this switch, then the PCM will not operate the starter. This is common on these, so I imagine at some point you disturbed this wire and the PCM is not grounding the relay.

Take a look at the wiring diagram below and see if that helps.

Thanks
Was this
answer
helpful?
Yes
No
Friday, January 28th, 2022 AT 11:23 AM

Please login or register to post a reply.