No crank, no start?

Tiny
RLPETERSON78
  • MEMBER
  • 2001 CHEVROLET SILVERADO
  • 6.0L
  • V8
  • 2WD
  • AUTOMATIC
  • 175,000 MILES
The other night my truck was parked in a parking lot. I turned the key twice and the truck didn't start. I turned the key again and the truck started, and I got the truck home. It hasn't started since. Now when I put the key in, the headlights and light on the dash come on and my video screen. When I turn the key to attempt to start it, the headlights stay on, but some things go off in the cab. I have attached a video showing what is happening. Do you think it is my ignition switch?
Sunday, March 10th, 2024 AT 6:30 PM

59 Replies

Tiny
JACOBANDNICKOLAS
  • MECHANIC
  • 110,194 POSTS
Hi,

That appears to be related to the starter or the neutral safety switch. The lights inside turning off is normal when the key is in the start position.

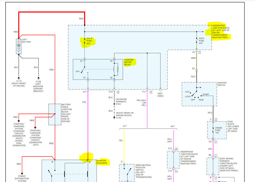
First, see if it will start if you place the transmission in neutral. If there is no change, I need you to locate the starter relay in the under-hood junction box. Switch it with a different one having the same part number and see if that changes things. Also, confirm the ignition 1 fuse is good and has power to and from it. Also, in the under-hood junction box.

If there is still no change, at the starter motor, there will be a smaller gauge purple wire. The wire will have no power until the key is in the start position. Have a helper turn the key to the start position while you check for voltage at that wire. If there is voltage, the battery cables are clean and tight, and everything is properly attached at the starter motor, the starter will need to be replaced.

I attached the wiring schematic below so that you have a reference. Let me know what you find or if you have other questions.

Take care,

Joe

See pics below.
Was this
answer
helpful?
Yes
No
Sunday, March 10th, 2024 AT 9:24 PM
Tiny
RLPETERSON78
  • MEMBER
  • 142 POSTS
Hi Joe,

I have confirmed that the relay and the fuses and the engine fuse box are okay. I put the truck in neutral and it didn't start. I got a new starter and there is no power to the purple wire when the key is turned to start the car. How do I research and see why the purple wire has no power?

Best regards,

Ron
Was this
answer
helpful?
Yes
No
Saturday, March 16th, 2024 AT 12:17 PM
Tiny
JACOBANDNICKOLAS
  • MECHANIC
  • 110,194 POSTS
Hi,

Here is what I need you to try. Remove the starter relay. On the relay you will see a number identifying each of the connector pins. Locate numbers 87 and 30 and determine which connectors in the box they go to.

Take a jumper wire and jump power from pin 30 to 87. When you do this, it sends power directly to the starter S post (purple wire) and the starter should engage. Do this and let me know what you find. If there are no issues and the key is in the run position, the engine should start.

By doing this, I can determine if there is an issue at the relay or if the PCM isn't providing a ground to actuate the relay.

Let me know.

Joe

See pic below.
Was this
answer
helpful?
Yes
No
Saturday, March 16th, 2024 AT 1:32 PM
Tiny
RLPETERSON78
  • MEMBER
  • 142 POSTS
Hi Joe,

I did jump the 87 and 30 and it didn't start. When I did it there was like a spark and smoke came out of the bottom of the fuse box. What does that indicate?

Ron
Was this
answer
helpful?
Yes
No
Saturday, March 16th, 2024 AT 3:28 PM
Tiny
JACOBANDNICKOLAS
  • MECHANIC
  • 110,194 POSTS
Hi,

If there was no response from the starter, but you saw smoke from under the fuse box, it sounds like there is a short preset. I checked through two different manuals and neither shows the removal process, but it should be straight forward.

Make sure the battery is disconnected first, and then remove the fuse/relay box and inspect the wiring under it. See if there is any evidence of a short, broken wire, or connector issue.

Let me know.

Joe
Was this
answer
helpful?
Yes
No
Saturday, March 16th, 2024 AT 8:49 PM
Tiny
RLPETERSON78
  • MEMBER
  • 142 POSTS
Hi Joe,

I got under the fuse box but I am trying to get the purple wire out from under the fuse box. How do you go about getting these types of electrical plug out of the box. I don't want to break it. See photos, my finger is pointing to the one I am trying to remove.
Was this
answer
helpful?
Yes
No
Monday, March 18th, 2024 AT 1:14 PM
Tiny
JACOBANDNICKOLAS
  • MECHANIC
  • 110,194 POSTS
Hi,

The connector you are pointing at appears to be black. Is that correct? As far as removal, take a small screwdriver and depress the center of the connector and it should pull out. Also, make sure the purple wire is in good condition.

Let me know.

Joe
Was this
answer
helpful?
Yes
No
Monday, March 18th, 2024 AT 7:42 PM
Tiny
RLPETERSON78
  • MEMBER
  • 142 POSTS
Hi Joe,

No, the connector that I was pointing at wasn't black. I was able to get the purple wire out of the fuse box and tested for continuity and there was no break in the wire. I put everything back together and tried to start by jumping 87 and 30. It didn't start. I have confirmed that 87 has power. There wasn't any spark or smoke when I did this now and I didn't find any indication of broken wires under the fuse box. What would be the next thing to check?
Was this
answer
helpful?
Yes
No
Thursday, March 21st, 2024 AT 1:51 PM
Tiny
JACOBANDNICKOLAS
  • MECHANIC
  • 110,194 POSTS
Hi,

If the starter now engages but the engine doesn't run, I need you to try something.

First, see if the engine will start if you use starting fluid. If it does and then stalls, we know it is a fuel related issue. If there is no change, I need you to check for spark at the plugs.

Here is a link that explains how to check:

https://www.2carpros.com/articles/how-to-check-for-ignition-spark

Try that and let me know what you find.

Joe
Was this
answer
helpful?
Yes
No
Thursday, March 21st, 2024 AT 8:24 PM
Tiny
RLPETERSON78
  • MEMBER
  • 142 POSTS
Joe,

The starter does not engage when I turn the key. I don't hear anything from the engine. Do you think it could be something in the cab, neutral safety switch, PCM?

Ron
Was this
answer
helpful?
Yes
No
Thursday, March 21st, 2024 AT 8:49 PM
Tiny
JACOBANDNICKOLAS
  • MECHANIC
  • 110,194 POSTS
It could be related to the neutral safety switch. Did you try starting it in neutral? Also, did the starter engage when you jumped the relay?

Also, let me know if you were able to perform all of the tests on the relay circuit.

Joe
Was this
answer
helpful?
Yes
No
Thursday, March 21st, 2024 AT 9:14 PM
Tiny
RLPETERSON78
  • MEMBER
  • 142 POSTS
No start jumping 87 to 30. I think it could be the ignition switch. Can you please send me a wire diagram of the ignition switch so I can test it out?
Was this
answer
helpful?
Yes
No
Thursday, March 21st, 2024 AT 10:29 PM
Tiny
RLPETERSON78
  • MEMBER
  • 142 POSTS
Hi Joe,

Here is what I know. I was in the parking lot and turned the key two times to start it, and it didn't start. The third time it started. I have confirmed that there isn't a brake in the purple wire to the starter. I bought a new relay for the ignition switch and the relay isn't clicking. There is power to the 87 post but it isn't being transferred to the 30 post. My battery is charged at 12.65 v. It seems me that something up stream of the starter relay. I've seen a few videos on YouTube that the ignition switch can cause this problem. My engine doesn't respond to the key being turned. Since it started with me having to turn the key three times to get it started, do you think it could be the ignition switch? If so, can you use send me a wired diagram so I can test it?

Ron
Was this
answer
helpful?
Yes
No
Friday, March 22nd, 2024 AT 11:09 AM
Tiny
JACOBANDNICKOLAS
  • MECHANIC
  • 110,194 POSTS
Hi,

Power should be present at pin 30 from the ignition A fuse. For power to reach pin 30, the primary side of the relay needs to be completed. So, if you have power at pin 30 but nothing is present at 87 with the key in the start position, the problem is likely on the primary side.

Now, we need to check the primary side. With the key in the start position, check if power becomes present at pin 85. If it does, then I need you to check for continuity to ground via pin 86. Pin 86 is a ground and doesn't require the key to be in any specific position.

Let me know what you find.

Take care,

Joe

See pic below.
Was this
answer
helpful?
Yes
No
Friday, March 22nd, 2024 AT 9:17 PM
Tiny
RLPETERSON78
  • MEMBER
  • 142 POSTS
Hi Joe, I did the test, there was no power on pin 85. What is the next step?

Ron
Was this
answer
helpful?
Yes
No
Saturday, March 23rd, 2024 AT 8:50 AM
Tiny
RLPETERSON78
  • MEMBER
  • 142 POSTS
Hi Joe,

I found what I thought was a grounding screw for the relay. In the wiring diagram you sent it said it was in the engine harness. I have attached a photo of it. I got the screw out and took some 40-grit sandpaper and cleaned off the small wire and large wire connector and the area on the engine block where they attached. I put a wire into pin 85 and had my wife turn the key. Each time she turned it my test light came on. So, I now have confirmed that there is power. In the photo provided, is that the ground for the relay? What would be the next step? The truck isn't starting when the key is turned.
Was this
answer
helpful?
Yes
No
Saturday, March 23rd, 2024 AT 11:49 AM
Tiny
JACOBANDNICKOLAS
  • MECHANIC
  • 110,194 POSTS
Hi,

If you had a wire in pin 85 and used a test light, where did you have a ground for the test light? I ask because if you get power to pin 85 and pin 86 has continuity to ground, the primary side of the relay should be complete. When that happens, an electromagnetic field is created which forces the secondary side to close (power between pins 30 and 87) and sends power to the purple wire at the starter. (I hope that made sense).

If that is happening, recheck the purple wire on the starter to make sure it has power with the key in the start position. If it does, suspect the starter is the problem.

Do you now have continuity to ground between pin 86 and a body ground or the battery negative?

Let me know.

Joe
Was this
answer
helpful?
Yes
No
Saturday, March 23rd, 2024 AT 7:18 PM
Tiny
RLPETERSON78
  • MEMBER
  • 142 POSTS
Hi Joe,

I had the wire in pin 85 and I attached my test light and touched the grounding screw in the photo. There was a small wire and a bigger wire attached to the engine block. As I said before I cleaned the connectors with 40 grit sandpaper and the area where they attached. I felt like that screw was the grounding wire for the relay. When my wife turned the key, the test light turned on. Am I correct that that ground was for the relay?

Since the truck didn't start when I turned the key, I looked at the wiring diagram in my Chilton manual. I saw that one way the starter worked way from the neutral safety switch. Can you tell me how I can confirm if that it is a problem? And since my truck didn't start, I assume that there wasn't any power to the starter. And it is a new starter.
Was this
answer
helpful?
Yes
No
Saturday, March 23rd, 2024 AT 7:35 PM
Tiny
JACOBANDNICKOLAS
  • MECHANIC
  • 110,194 POSTS
Hi,

Using the test light, put a paper clip in 86. Place the alligator clip side of the test light on that paper clip. Then probe pin 85 with the light and have your wife turn the key. Does the light turn on?

As far as the neutral safety switch is concerned, see if it will start in neutral. Also, there is a yellow wire at the switch that should have power with the key in the start position. However, if you have power at pin 85, the switch is working. Power must run through the safety switch before it reaches pin 85.

I have a feeling that pin 86 doesn't have continuity to ground. Therefore, it isn't completing the circuit for the primary side of the relay. If possible, try the test I mentioned above. If it tests good, either we have a bad relay, no power to the secondary (which you already checked and is good via power at pin 30), or an open between pin 87 and the starter. But you already checked that and the wire is good. That leaves the only thing left. A ground for the primary.

The ground is G132 and located at the front right of the engine block. I can't tell in the pic which side of the engine I'm looking at. It appears to be the left (driver's side).

Let me know.

Joe
Was this
answer
helpful?
Yes
No
Saturday, March 23rd, 2024 AT 8:22 PM
Tiny
RLPETERSON78
  • MEMBER
  • 142 POSTS
It is in on the bottom of the engine block on the driver's side. This is the looking at the truck from the front. I will look for one on the passenger side.
Was this
answer
helpful?
Yes
No
Saturday, March 23rd, 2024 AT 8:34 PM

Please login or register to post a reply.