Wednesday, August 10th, 2022 AT 11:00 AM
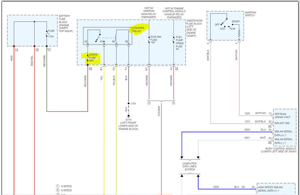
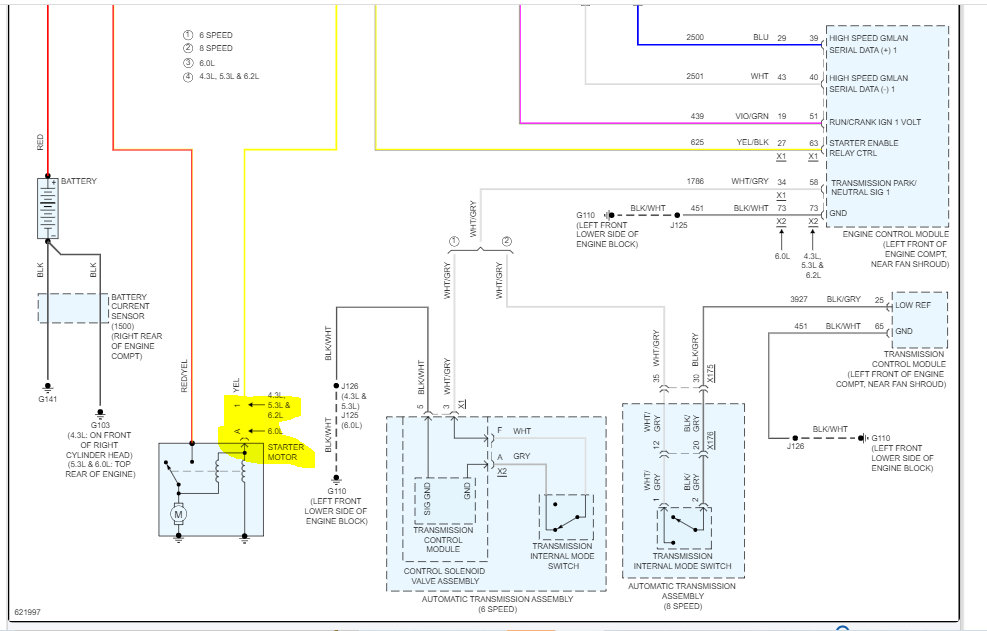
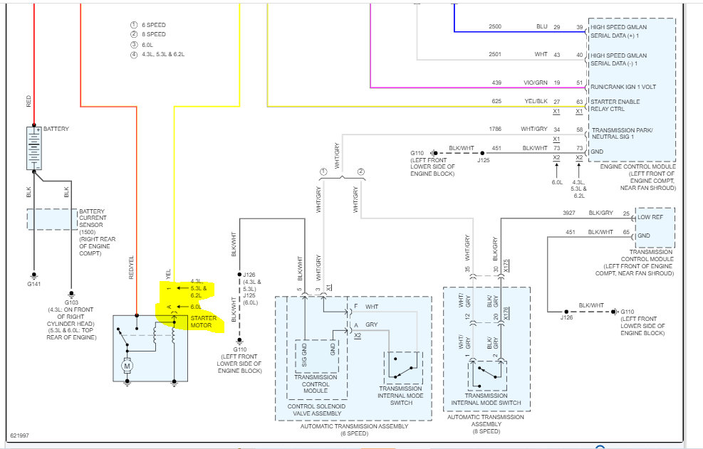
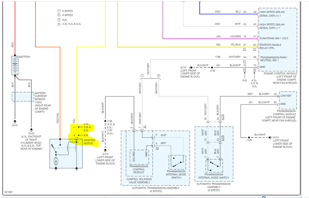
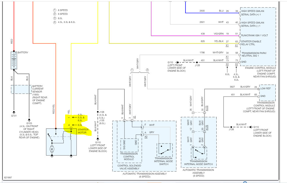
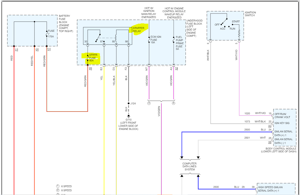
Tried to start truck in morning it failed. I gave it a jump with a booster, and it started, and it ran the rest of the morning. In the afternoon it did not start again, tried the booster again did not start, I put on charger for a couple of hours. Still didn't start. I checked battery, two months. Old, 12.9 volts, alternator is 3 weeks old. When I try to start it clicks once and that's it. Everything works; lights are bright, I tried to start in neutral, no go. I'm stranded at home out of ideas please help. I am retired so luckily, I don't have to show up at work. Thank you for your help.



